Запчасти Case W10B (096) - A18961 POWER STEERING CYLINDER (05) - STEERING

Схема запчастей Case W10B - (096) - A18961 POWER STEERING CYLINDER (05) - STEERING
FIT
1:1
100%

Артикул

Название

Примечание

Количество

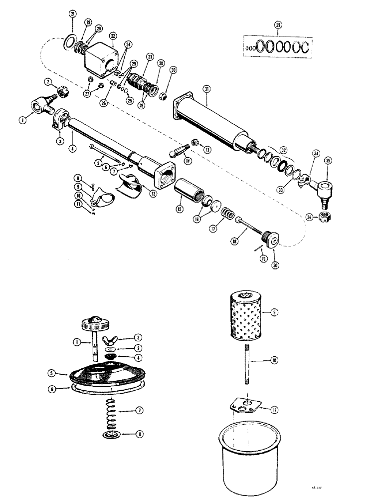
A18961

CYLINDER

ASSEMBLY - power steering, Includes: Ref. 1 - 36

1шт.

1

A15217

END

BALL END - steering cylinder, closed end, Includes: Ref. 2

1шт.

2

25-1314

SLOTTED NUT,7/8"-14, G5

NUT - hex., slotted (7/8" - 14 NF)

1шт.

3

A15218

CLAMP

- ball end to cylinder, closed end

1шт.

4

A19901

CLOTHING, JUMPER

SLEEVE - extension, cylinder

1шт.

5

16-676

BOLT (SPREADER)

HHCS - 3/8" - 24 NF x 4-3/4"

4шт.

6

92-6

LOCK WASHER,3/8"

4шт.

7

219-55

LUBE NIPPLE,90 Degree Elbow, 1/8" - 27 NPTF

NIPPLE, LUBE, 90º, 1/8" NPT x .84" lg

1шт.

8

173-99

SCREW,Sl Rnd Hd, #10 - 24 x 5/8"

- machine, round head (#10 - 24 NC x 5/8")

1шт.

9

A15220

CLAMP

- dust cover

1шт.

10

92-3

LOCK WASHER,#10

WASHER, LOCK, #10

1шт.

11

129-7

NUT,Hex, #10 - 24

- hex. (#10 - 24 NC)

1шт.

12

A15223

COVER

- dust

1шт.

13

25-1912

SLOTTED NUT,3/4"-16, G5, Thk

NUT - hex., slotted (3/4" - 16 NF)

1шт.

14

A15225

STUD

- ball, pivotal

1шт.

15

A15230

SLEEVE

- inner, extension

1шт.

16

A15226

SEAT

- ball stud

2шт.

17

A15227

SPRING

- ball stud

1шт.

18

A15222

BOLT (SPREADER)

BOLT - valve, Serial Range: spool-cap

1шт.

19

A15224

AXLE PIN

PIN - lock, spool, Serial Range: bolt-cap

1шт.

20

A15228

SCREW

CAP - spring retainer

1шт.

21

A16788

PLATE

- valve housing to sleeve flange

1шт.

A16786

HOUSING

AND SPOOL - valve, Includes: Ref. 22 and 23

1шт.

22

NSS

NOT SOLD SEPARAT

HOUSING - valve

1шт.

23

NSS

NOT SOLD SEPARAT

SPOOL - valve

1шт.

24

A15235

INSERT

SLEEVE - oil passage

2шт.

25

G46121

PLUG

- check valve

1шт.

26

G45075

LOCK VALVE

VALVE - check

1шт.

27

A15233

SEAT

- fitting, flared

2шт.

28

A16753

BUSHING

- valve spool

2шт.

29

A16969

KIT

- repair, valve seal (Includes seals for valve section of cylinder)

1шт.

30

131-528

LOCK NUT,3/8"-24

NUT - hex., lock (3/8" - 24 NF)

1шт.

31

A16787

CYLINDER

- power steering

1шт.

32

A15231

KIT

- repair, cylinder seal (Includes seals for rod end of cylinder)

1шт.

33

A15894

X

SNAP RING - seal retaining

1шт.

34

A15216

CLAMP

- ball end to cylinder, rod end

1шт.

35

A15215

END

BALL END - steering cylinder, rod end, Includes: Ref. 36

1шт.

36

25-1314

SLOTTED NUT,7/8"-14, G5

NUT - hex., slotted (7/8" - 14 NF) H

1шт.

A17531

TANK

RESERVOIR ASSEMBLY - pump, power steering, A17531, Includes: Ref. 1 - 13

1шт.

1

A24137

GAUGE ASSY.

CAP AND GAUGE ASSEMBLY - filler, A17531 power steering reservoir

1шт.

2

129-419

WING NUT,5/16"-18

NUT - winged (5/16" - 24 NF), A17531 power steering reservoir

1шт.

3

A30831

WASHER

- special, winged nut, A17531 power steering reservoir

1шт.

4

A30830

GASKET

- cover stud, A17531 power steering reservoir

1шт.

A18058

COVER

AND GASKET ASSEMBLY - reservoir, A17531 power steering, Includes: Ref. 5 and 6

1шт.

5

NSS

NOT SOLD SEPARAT

COVER - reservoir, A17531 power steering

1шт.

6

A24138

GASKET

- cover, A17531 power steering reservoir

1шт.

7

A18059

SPRING

- element, A17531 power steering reservoir

1шт.

8

A22714

SEAT

- element, A17531 power steering reservoir

1шт.

9

A18061

FILTER, ELEMENT

ELEMENT - oil filter, A17531 power steering reservoir

1шт.

10

A18062

STUD

- cover retaining, A17531 power steering reservoir

1шт.

11

A18060

PLATE - reinforcement, A17531 power steering reservoir

1шт.

12

A11027

GASKET

- reservoir intake and return (Not illustrated), A17531 power steering

2шт.

13

NSS

NOT SOLD SEPARAT

RESERVOIR - pump, power steering, A17531

1шт.

Выбрано товаров: 0