Запчасти Case W10C (222) - LOADER CONTROL VALVE AND LEVERS, THREE SPOOL LOADER VALVE (08) - HYDRAULICS

Схема запчастей Case W10C - (222) - LOADER CONTROL VALVE AND LEVERS, THREE SPOOL LOADER VALVE (08) - HYDRAULICS
FIT
1:1
100%

Артикул

Название

Примечание

Количество

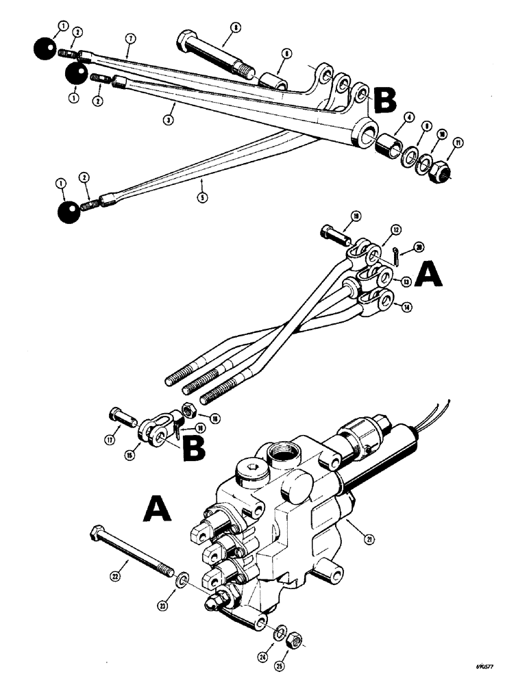
1

A18852

KNOB

BALL - control lever

3шт.

2

A16775

STUD

EXTENSION - control lever

3шт.

3

A19061

LEVER

- lift control (Outer), Includes: Ref. 4

1шт.

4

L10083

BUSHING

- lever

1шт.

5

A19060

LEVER

- tilt control (Center), Includes: Ref. 6

1шт.

6

L10083

BUSHING

- lever

1шт.

7

A19057

LEVER - clam control (Inner)

1шт.

8

A18472

PIN - pivot, control lever

1шт.

9

A26462

WASHER

- pivot pin

1шт.

10

92-8

LOCK WASHER,1/2"

1шт.

11

25-158

JAM NUT,Jam, 1/2"-20, G5

- hex., jam (1/2" - 20 NF)

1шт.

12

A17457

ROD

- connecting, lift, Serial Range: lever-valve

1шт.

13

L16632

ROD - connecting, tilt, Serial Range: lever-valve

1шт.

14

A19056

ROD - connecting, clam, Serial Range: lever-valve

1шт.

15

213-4

ADJUSTABLE CLEVIS,3/8"-24 x 2 1/2"

YOKE - lever to rod

3шт.

16

25-156

JAM NUT,Jam, 3/8"-24, G5

- hex., jam (3/8" - 24 NF)

3шт.

17

141-4

CLEVIS PIN,3/8" x 1.060"

PIN, CLEVIS, 3/8" x 1.060"

3шт.

18

132-25

COTTER PIN,3/32" x 5/8"

Pin, Split (Cotter), 3/32" x 5/8"

3шт.

19

141-6

CLEVIS PIN,1/2" x 1.360"

PIN - clevis (1/2")

3шт.

20

132-48

COTTER PIN,1/8" x 1"

Pin, Split (Cotter), 1/8" x 1"

3шт.

21

L17479

VALVE

- loader control, 3 spool (Gas models only) Parts list Figure 226

1шт.

L17844

VALVE

- loader control, 3 spool (Diesel models only) Parts list Figure 226

1шт.

22

13-876

BOLT,Hex, 1/2" - 13 x 4-3/4", Gr 5

3шт.

23

195-33

WASHER,1/2"

- plain () 1/2"

3шт.

34

92-8

LOCK WASHER,1/2"

3шт.

25

25-108

NUT,1/2"-13, G5

- hex. (1/2" - 13 NC)

3шт.

Выбрано товаров: 26