Запчасти Case W10C (016) - CYLINDER BLOCK ASSEMBLY, (401) DIESEL ENGINE (02) - ENGINE

Схема запчастей Case W10C - (016) - CYLINDER BLOCK ASSEMBLY, (401) DIESEL ENGINE (02) - ENGINE
FIT
1:1
100%

Артикул

Название

Примечание

Количество

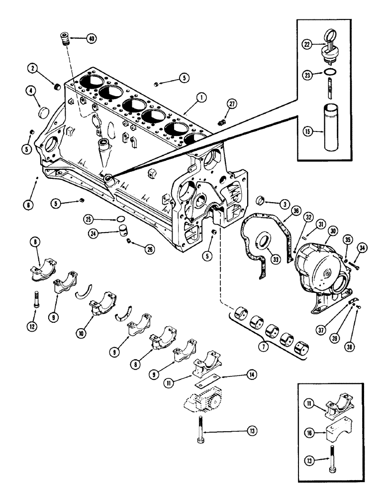
A41237

BLOCK

ASSY. - short (Includes stripped block, camshaft & gear, crankshaft & bearings, pistons, rings, sleeves and conn. rods), Includes: Ref. 1 - 16

1шт.

1

A41219

SPARE PART

BLOCKS ASSY. - stripped (Casting no. A34971), Includes: Ref. 2 - 16

1шт.

2

221-26

DRAIN PLUG,Sq Soc, 1"-11 1/2, NTPF

PLUG - water gallery, rear (1" P.T. socket hd.)

1шт.

3

41-1628

PLUG,Cup, 1 3/4", Stainless

- water gallery, front (1-3/4" cup type)

1шт.

4

A24361

PLUG

- camshaft hole rear (2-3/8" cup type)

1шт.

5

221-1843

PLUG

- pipe (3/8" P.T. socket hd.)

6шт.

6

221-41

PLUG

- pipe (1/8" P.T. socket hd.)

5шт.

7

A23544

BUSHING

SET - camshaft

1шт.

8

A24941

CAP

- crankshaft bearing, wide

2шт.

9

A24942

CYLINDER END CAP

CAP - crankshaft bearing, narrow

3шт.

10

A24943

CAP

- crankshaft bearing, thrust

1шт.

11

A34937

HOLDER

CAP - crankshaft bearing, front

1шт.

12

A27836

SPECIAL BOLT,5/8" - 11 x 3 1/4"

- bearing cap (5/8 x 3-1/4" N.C. spec.)

12шт.

13

113-637

BOLT

- bearing cap & oil pump (5/8 x 6" N.C.)

2шт.

14

A57454

SHIM,.005" Thk

Oil pump .005" Thk

1шт.

14

A57455

SHIM,.010" Thk

Oil pump .010" Thk

1шт.

14

A57456

SHIM,.025" Thk

Oil pump .025" Thk

1шт.

15

A34540

TUBE

SOCKET - oil filler & dipstick

1шт.

16

A57076

SPACER - oil pump filler

1шт.

Spacer (Ref. 16) and loose oil pump gear included with this block assy. are not used on this unit.

1шт.

22

A34541

DIPSTICK

GAUGE ASSY. - oil level, crankcase, Includes: Ref. 23

1шт.

23

F62075

O-RING,0.139" Thk x 0.734" ID, -210, Cl 5, 75 Duro

"O" RING - oil gauge seal (3/4 x 1 x 1/8")

2шт.

24

A34964

PLUG

- oil gallery hole

1шт.

25

A27355

O-RING,0.139" Thk x 1.17" ID, -217, Cl 5, 75 Duro

"O" RING - oil plug seal (1-3/16 x 1-7/16 x 1/8")

1шт.

26

A22593

SET SCREW,1/4" - 18 x 7/8"

- oil plug (1/4" P.T. x 7/8" socket hd.)

1шт.

27

A23656

COCK, DRAIN

VALVE - drain, cylinder block

1шт.

30

A57403

COVER

ASSY. - timing gear, Includes: Ref. 31 - 33

1шт.

31

A27840

PIN

- locating (5/16 x 3/4")

2шт.

32

A27869

BUTTON - thrust

2шт.

33

A57342

SEAL

- oil, crankshaft (2-5/8 x 3-5/8 x 1/2")

1шт.

34

13-616

BOLT,Hex, 3/8" - 16 x 1", Gr 5, Full Thd

Cover Hex, 3/8"-16 x 1", G5, Full Thd

2шт.

34

13-640

BOLT,Hex, 3/8" - 16 x 2-1/2", Gr 5

- cover (3/8 x 2-1/2" N.C. hex.)

7шт.

35

92-6

LOCK WASHER,3/8"

9шт.

36

A33018

GASKET

-, Serial Range: cover-block

1шт.

37

A28218

POINTER - timing

1шт.

38

13-48

BOLT,Hex, 1/4" - 20 x 1/2", Gr 5

2шт.

39

193-44

LOCK WASHER,Ext-Int Tooth, 1/4"

WASHER - lock, 1/4" int.-ext. Shakeproof

2шт.

40

A33610

DRIVE

ASSY. - tachometer

1шт.

Выбрано товаров: 38