Запчасти Case W10C (046) - GOVERNOR, (377) SPARK IGNITION ENGINE (03) - FUEL SYSTEM

Схема запчастей Case W10C - (046) - GOVERNOR, (377) SPARK IGNITION ENGINE (03) - FUEL SYSTEM
FIT
1:1
100%

Артикул

Название

Примечание

Количество

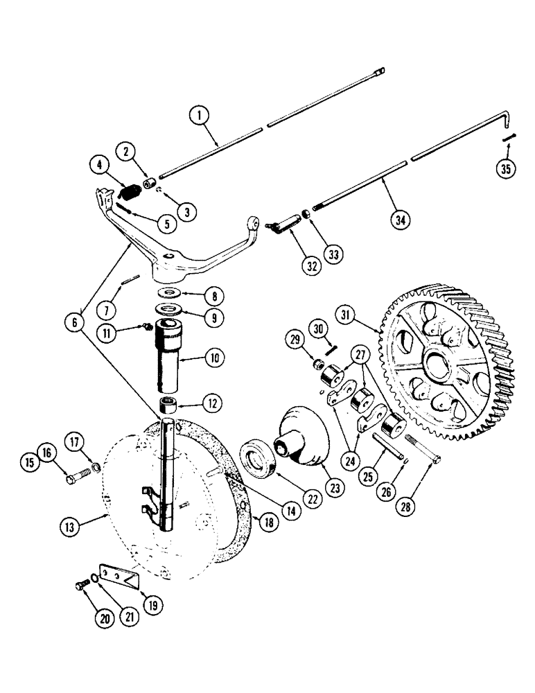
1

A24553

ROD - front, throttle control

2шт.

2

A20846

COLLAR

- stop, throttle rod

1шт.

3

84-44

SET SCREW,Hex Soc, 1/4"-28 x 1/4"

SCREW - set, 1/4 x 5/8" N.F. sq. hd.

1шт.

4

A20868

SPRING

- governor control (Cadmium finish)

1шт.

5

132-46

COTTER PIN,1/8" x 3/4"

PIN - cotter, 1/8 x 1/4"

1шт.

6

A20838

SHAFT

& LEVER ASSY. - governor, Includes: Ref. 7

1шт.

7

138-101

LOCK PIN,3/16" x 1 5/8", Slotted

PIN, LOCK, 3/16" x 1 5/8", Slotted

1шт.

8

A7293

WASHER

- bearing (37/64 x 1-1/8 x 1/16" copper)

1шт.

9

A7292

SEAL

- lever bearing (29/32 x 1-23/64 x 1/16" rubber)

1шт.

10

A20835

SLEEVE - bearing

1шт.

11

219-1

LUBE NIPPLE,1/8" - 27 NPTF

FITTING - grease, 1/8" P.T. str.

1шт.

12

A7290

NEEDLE BEARING,Needle, 14.29mm ID x 19.05mm OD x 12.7mm W

BEARING - levershaft

2шт.

13

A20833

CAP - timing gear cover, Includes: Ref. 14

1шт.

14

A27869

BUTTON - thrust

1шт.

15

13-612

BOLT,Hex, 3/8" - 16 x 3/4", Gr 5, Full Thd

1шт.

16

13-618

BOLT,Hex, 3/8" - 16 x 1-1/8", Gr 5

3шт.

17

92-6

LOCK WASHER,3/8"

4шт.

18

A27867

GASKET

- cap to timing gear cover

1шт.

19

A28218

POINTER - timing

1шт.

20

13-48

BOLT,Hex, 1/4" - 20 x 1/2", Gr 5

2шт.

21

193-73

LOCK WASHER,Ext-Int Tooth, 1/4"

WASHER - lock, 1/4" int. - ext. Shakeproof

2шт.

22

A7285

THRUST BEARING,1.0675" ID x 40574" OD x 5"

BEARING - thrust, governor

1шт.

23

A7284

SLEEVE - governor

1шт.

24

A33471

KIT

FINGERS - governor weight (Set of 4)

1шт.

25

A7282

PIN,6.31mm OD x 47.63mm L

- governor weight

2шт.

26

A7111

SNAP RING,#25, Ext

Ring, Snap, , weight pin #25, Ext

4шт.

27

A7277

WEIGHT

- governor

6шт.

28

A17504

BOLT

- governor weight

2шт.

29

25-235

SLOTTED NUT

NUT - slotted, 5/16" N.F.

2шт.

30

132-5

COTTER PIN,1/16" x 1/2"

Pin, Split (Cotter), 1/16" x 1/2"

2шт.

31

A26328

GEAR

- camshaft

1шт.

32

A10326

BALL JOINT

- carburetor rod

1шт.

33

129-127

NUT,5/8"-18, G5

(#10-32 hex.) 5/8"-18, G5

1шт.

34

A21306

ROD - governor, Serial Range: lever-carburetor

1шт.

35

132-5

COTTER PIN,1/16" x 1/2"

Pin, Split (Cotter), 1/16" x 1/2"

1шт.

Выбрано товаров: 35