Запчасти Case W10C (172) - L30323 CONVERTER REGULATING VALVE (06) - POWER TRAIN

Схема запчастей Case W10C - (172) - L30323 CONVERTER REGULATING VALVE (06) - POWER TRAIN
FIT
1:1
100%

Артикул

Название

Примечание

Количество

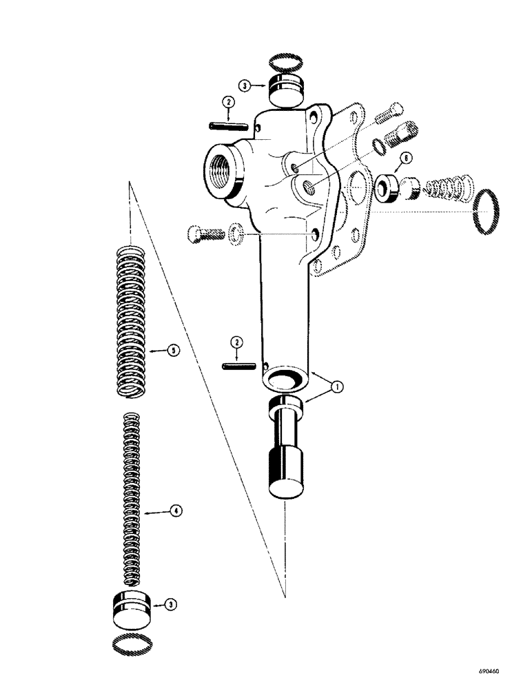
L30323

KIT

VALVE ASSEMBLY - pressure regulating, converter, Includes: Ref. 1 - 6

1шт.

1

NSS

NOT SOLD SEPARAT

BODY - valve

1шт.

2

A18037

ROLL PIN

PIN - roll, valve stop retaining

2шт.

3

A18038

STOP

- valve

2шт.

4

L30048

VALVE SPRING

SPRING - inner, valve

1шт.

5

L30049

VALVE SPRING

SPRING - outer, valve

1шт.

6

A18002

SEAT

- safety valve

1шт.

Выбрано товаров: 7