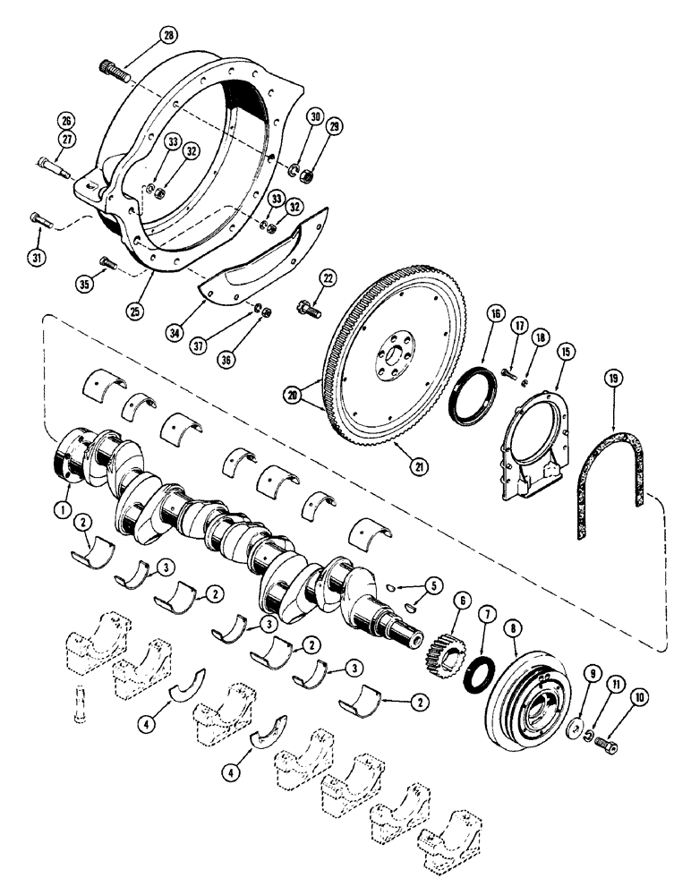
Запчасти Case W10E (018) - CRANKSHAFT, FLYWHEEL & HOUSING, (401B) DIESEL ENGINE (02) - ENGINE

Схема запчастей Case W10E - (018) - CRANKSHAFT, FLYWHEEL & HOUSING, (401B) DIESEL ENGINE (02) - ENGINE
FIT
1:1
100%

Артикул

Название

Примечание

Количество

1

A58860

CRANKSHAFT

1шт.

2

A41987

LINING

LINERS - wide, crankshaft brg. (Std.)

4шт.

2

A42191

LINING

LINERS - wide, crankshaft brg. (.002" undersize)

4шт.

2

A42192

BEARING LINER

LINERS - wide, crankshaft brg. (.010" undersize)

4шт.

2

A42193

LINER

S - wide, crankshaft brg. (.020" undersize)

4шт.

2

A42194

LINING

LINERS - wide, crankshaft brg. (.030" undersize)

4шт.

3

A20394

LINING

LINERS - narrow, crankshaft brg. (Std.)

3шт.

3

A20579

LINING

LINERS - narrow, crankshaft brg. (.002" undersize)

3шт.

3

A20582

LINING

LINERS - narrow, crankshaft brg. (.010" undersize)

3шт.

3

A20585

KIT

LINERS - narrow, crankshaft brg. (.020" undersize)

3шт.

3

A20588

KIT

LINERS - narrow, crankshaft brg. (.030" undersize)

3шт.

4

A58786

WASHER

- thrust, crankshaft (Std.)

2шт.

4

A42932

BEARING WASHER,87.81mm ID x 114.55mm OD x 4.88mm Thk

WASHER - thrust, crankshaft (.010" undersize)

2шт.

5

126-129

WOODRUFF KEY,#C, 5/16" x 1 1/8", HT

Gear & pulley #C, 5/16" x 1 1/8", HT

2шт.

6

A58573

GEAR

- crankshaft

1шт.

7

A62049

OIL SEAL

- oil, crankshaft front (2-5/8 x 2-5/8 x 1/2")

1шт.

8

A60691

PULLEY - fan & alternator drive

1шт.

9

A27903

WASHER

- pulley retaining (21/32 x 2-1/8 x 1/4")

1шт.

10

88112

BOLT,Hex, 5/8" - 18 x 1 1/2", Gr 5

- pulley (5/8 x 1-1/2" N.F. hex.)

1шт.

11

92-10

LOCK WASHER,5/8"

WASHER, LOCK, 5/8"

1шт.

15

A57457

RETAINER

- rear oil seal

1шт.

16

A62050

OIL SEAL

- oil, crankshaft rear (4-3/4 x 5-3/4 x 1/2")

1шт.

17

13-620

BOLT,Hex, 3/8" - 16 x 1-1/4", Gr 5, Full Thd

6шт.

18

92-6

LOCK WASHER,3/8"

6шт.

19

A32830

GASKET

- retainer, rear oil seal

1шт.

20

A60692

FLYWHEEL

ASSY., Includes: Ref. 21

1шт.

21

A27920

GEAR

- ring, flywheel (137T)

1шт.

22

25331R1

BOLT,Hex, 5/8" - 18 x 1 1/2", Gr 8

- 5/8 x 1-1/2" N.C. hex. (Gr. 8)

6шт.

25

A58684

HOUSING - flywheel

1шт.

26

A61040

STEP BOLT

BOLT - dowel, housing to block (1/2 x 3" N.C.)

1шт.

27

A61041

STEP BOLT

BOLT - dowel, housing to block (1/2 x 2-7/16" N.C.)

1шт.

28

166-138

12 PT SCREW,Flg, 3/4" - 10 x 3", Gr 8

- 12 pt. cap, 3/4 x 3" N.C. (Gr. 8)

2шт.

29

25-1012

NUT,3/4"-10, G5

2шт.

30

92-12

LOCK WASHER,3/4"

WASHER, LOCK, 3/4"

2шт.

31

13-824

BOLT,Hex, 1/2" - 13 x 1-1/2", Gr 5, Full Thd

Housing Hex, 1/2"-13 x 1 1/2", G5, Full Thd

3шт.

31

13-840

BOLT,Hex, 1/2" - 13 x 2-1/2", Gr 5

- housing, 1/2 x 2-1/2" N.C. hex.

3шт.

32

25-108

NUT,1/2"-13, G5

- 1/2" N.C. hex.

5шт.

33

92-8

LOCK WASHER,1/2"

8шт.

34

A58931

GUARD

SHIELD - dust, flywheel

1шт.

35

13-824

BOLT,Hex, 1/2" - 13 x 1-1/2", Gr 5, Full Thd

4шт.

36

25-108

NUT,1/2"-13, G5

- 1/2" N.C. hex.

4шт.

37

92-8

LOCK WASHER,1/2"

4шт.

Выбрано товаров: 42