Запчасти Case W10E (152) - FUEL TANK, DIESEL ENGINE (03) - FUEL SYSTEM

Схема запчастей Case W10E - (152) - FUEL TANK, DIESEL ENGINE (03) - FUEL SYSTEM
FIT
1:1
100%

Артикул

Название

Примечание

Количество

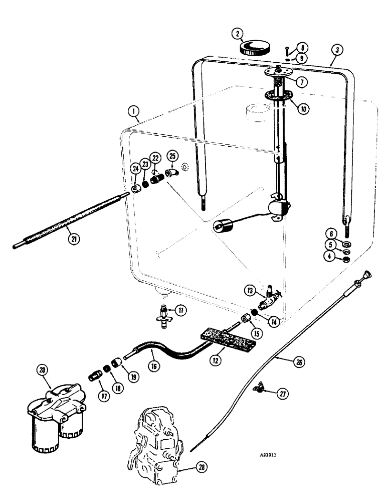
1

A18867

FUEL TANK

1шт.

2

A18870

FILLER CAP

Fuel tank

1шт.

3

A18872

SPARE PART Mounting, tank

2шт.

4

25-116

NUT,Hex, 3/8"-24, G5

4шт.

5

92-6

LOCK WASHER,3/8"

4шт.

6

195-25

WASHER,3/8"

4шт.

7

A18869

SENDER UNIT

SENDER Fuel gauge

1шт.

8

173-221

SCREW,Sl Rnd Hd, #10 - 32 x 7/16"

Machine

5шт.

9

192-18

LOCK WASHER,Helical Spring, #10, 0.196" ID, CST, ZND

5шт.

10

A61161

GASKET

SPARE PART Sending unit

1шт.

11

217-102

PLUG, DRAIN

VALVE - drain, fuel tank

1шт.

12

A7390

SPARE PART Tank mounting

4шт.

A27955

VALVE

ASSEMBLY - fuel shutoff, Includes: Ref. 13 - 15

1шт.

13

NSS

NOT SOLD SEPARAT

VALVE - needle, fuel tank

1шт.

14

222-104

SLEEVE,3/8" Tube

Flex tube fitting

1шт.

15

222-114

NUT,5/8"-24

Flex tube fitting

1шт.

16

A18877

HOSE ASSY.

SPARE PART, Serial Range: Tank-filter

1шт.

222-27

HYD CONNECTOR,5/8"-24 x 1/4" NPTF W/Nut

ASSEMBLY - flex tube, Includes: Ref. 17 - 19

1шт.

17

NSS

NOT SOLD SEPARAT

CONNECTOR - flex tube

1шт.

18

222-104

SLEEVE,3/8" Tube

Flex tube fitting

1шт.

19

222-114

NUT,5/8"-24

Flex tube fitting

1шт.

20

REF

INSTRUCTION

FILTER - engine fuel (Parts list figure 30)

1шт.

21

L10041

HOSE ASSY.

SPARE PART Return, injector, Serial Range: leak-off-tank

1шт.

222-23

FITTING,1/2"-24 x 1/4" NPTF w/Nut

CONNECTOR ASSEMBLY - flex tube, Includes: Ref. 22 - 24

1шт.

22

NSS

NOT SOLD SEPARAT

CONNECTOR - flex tube

1шт.

23

222-102

SLEEVE,1/4" Tube

1шт.

24

87017024

TUBE NUT,1/2"-24

Flex tube fitting

1шт.

25

222-45

ELBOW,90 Degree, 9/16"-24 Fem x 1/4"-27 NPTF

5/16" x 1/4" filter head

1шт.

26

L19266

CABLE

SPARE PART Fuel shutoff

1шт.

27

515-2363

CLAMP,M6.3, Insul, 3/8" Bolt

CLIP

1шт.

28

REF

INSTRUCTION

PUMP ASSEMBLY - fuel injection (Parts list figure 32)

1шт.

Выбрано товаров: 31