Запчасти Case W10E (070) - A20633 STARTER, (377B SPARK IGNITION ENGINE) (04) - ELECTRICAL SYSTEMS

Схема запчастей Case W10E - (070) - A20633 STARTER, (377B SPARK IGNITION ENGINE) (04) - ELECTRICAL SYSTEMS
FIT
1:1
100%

Артикул

Название

Примечание

Количество

1

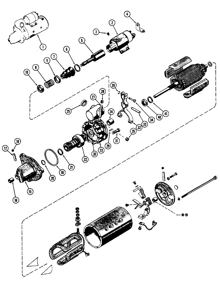
A20633

STARTER MOTOR

STARTER ASSY - (Delco #1113111), Includes: Ref. 2 - 73

1шт.

1

AR20633

REMAN-STARTER

Remanufactured Starter

1шт.

1

AC20633

CORE-STARTER

Return Part Number

1шт.

2

A40461

IGNITION SWITCH

SWITCH - solenoid (Repairs figure 74)

1шт.

3

NSS

NOT SOLD SEPARAT

SCREW - solenoid attaching

4шт.

4

R15068

CONNECTOR - solenoid to field terminal

1шт.

5

A25394

PLUNGER

PLUNGER - solenoid switch

1шт.

6

A42008

WASHER

WASHER - retainer

1шт.

7

A42308

BOOT

BOOT - plunger

1шт.

8

A41242

SPRING

SPRING - plunger

1шт.

9

R21572

RETAINER

RETAINER - inner, plunger spring

1шт.

10

R21571

RETAINER

RETAINER - outer, plunger spring

1шт.

15

A25341

SPARE PART HOUSING ASSY - drive end, Includes: Ref. 16 - 18

1шт.

16

A40868

BUSHING

BUSHING - armature shaft

1шт.

17

R15023

WICK

WICK - oil

1шт.

18

221-1041

PLUG

PLUG - pipe, 1/8" slotted hd.

1шт.

19

A41508

GASKET

GASKET - drive housing to lever housing

1шт.

20

R15048

RING

RING - snap, stop collar

1шт.

21

R15049

COLLAR

COLLAR - stop, drive pinion

1шт.

22

A25338

DRIVE

DRIVE ASSY - starter

1шт.

22

87421542

REMAN-STARTER DRIVE

Drive Assy, Starter

1шт.

22

87421543

CORE-STARTER

Return Part Number

1шт.

23

A25405

HOUSING

HOUSING ASSY - lever, Includes: Ref. 24 - 28

1шт.

24

A40944

BUSHING

BUSHING - housing (47/64 x 57/64 x 3/4")

1шт.

25

A42013

PLUG

PLUG - housing (13/16" expansion type)

2шт.

26

41-1008

PLUG,Cup, 1/2"

PLUG - housing (1/2" expansion type)

2шт.

27

R15023

WICK

WICK - oil

1шт.

28

221-1041

PLUG

PLUG - pipe

1шт.

29

R15041

SPARE PART PIN - dowel, lever housing

1шт.

30

R15043

WASHER

WASHER - brake, drive assy.

1шт.

31

D32489

HEX SOC SCREW,5/16" - 18 x 0.86"

BOLT - lever housing to drive housing

4шт.

32

A25398

LEVER

LEVER - shifter, drive assy.

1шт.

33

A25402

STUD

STUD - pivot, shift lever

1шт.

34

A25400

PIN

PIN -, Serial Range: lever-plunger

1шт.

35

A25406

OIL SEAL

RING - retaining, lever pin

1шт.

40

A25407

OIL SEAL

SEAL - oil, armature shaft

1шт.

41

A42202

WASHER

WASHER - spacer, armature & lever hsg.

1шт.

A20633

STARTER MOTOR

STARTER ASSY

1шт.

42

A25308

ARMATURE

ARMATURE

1шт.

43

R15008

SPARE PART SHOE - pole

4шт.

44

74-610

SCREW,3/8" - 24 x 5/8"

SCREW - pole shoe, 3/8 x 5/8" N.F. flat hd.

8шт.

45

A41917

WASHER,14.25mm ID x 24.89mm OD x 1.57mm Thk

WASHER - spacer, commutator end

1шт.

46

NSS

NOT SOLD SEPARAT

HOUSING - armature (Order A20633)

1шт.

47

A25318

COIL

COIL ASSY - field, Includes: Ref. 48

1шт.

48

R15017

STUD

STUD - terminal, field

1шт.

49

R15010

BUSHING

BUSHING - insulator, term. stud

1шт.

50

A42010

WASHER

WASHER - insulator, term. stud

1шт.

51

R15013

WASHER

WASHER - plain (25/64" ID x 11/16" OD)

1шт.

52

R15014

NUT

NUT - terminal stud (3/8" N.C. hex.)

2шт.

53

192-21

LOCK WASHER,3/8"

WASHER, LOCK, 3/8"

1шт.

54

A20897

BRUSH, COMMUTATOR

BRUSH BRUSH - starter

4шт.

55

D32481

SELF-TAP SCREW,Sltd Pan Hd, #8-32 x 13/16", w/LW

SCREW - brush attaching

4шт.

56

A40217

HOLDER

HOLDER - grounded, brush

2шт.

57

R21590

HOLDER

HOLDER - insulated, brush

2шт.

58

R15025

SPRING

SPRING - brush pressure

2шт.

59

R15029

BRUSH

SUPPORT KIT - brush holder, Includes: Ref. 60 - 65

2шт.

60

NSS

NOT SOLD SEPARAT

SUPPORT - (Order R15029)

1шт.

61

R15035

PIN

PIN - brush holder

1шт.

62

175-449

SCREW,Phil Truss Hd, #10 - 32 x 3/4"

SCREW - support (#10-24 x 3/4" rd. hd.)

2шт.

63

R15032

X

NUT - #10-24 hex

2шт.

64

192-18

LOCK WASHER,Helical Spring, #10, 0.196" ID, CST, ZND

WASHER, LOCK, #10

2шт.

65

R15030

ELECTRICAL WIRE

WIRE LEAD - ground

1шт.

66

R15019

FUNNEL

FRAME FRAME ASSY - commutator end, Includes: Ref. 67 - 70

1шт.

67

R15020

BUSHING

BUSHING - armature shaft

1шт.

68

R15021

PLUG

PLUG - end (3/4" expansion type)

1шт.

69

221-1041

PLUG

PLUG - pipe, 1/8" slotted hd.

1шт.

70

R15023

WICK

WICK - oil

1шт.

71

R15106

BOLT

BOLT - through

2шт.

72

192-20

LOCK WASHER,Helical Spring, 0.318" ID, CST, ZND

WASHER, LOCK, 5/16"

2шт.

73

A41977

RUBBER INSULATOR

INSULATION - field coil

2шт.

Выбрано товаров: 70