Запчасти Case W10E (076) - ELECTRICAL SYSTEM, DIESEL ENGINE (04) - ELECTRICAL SYSTEMS

Схема запчастей Case W10E - (076) - ELECTRICAL SYSTEM, DIESEL ENGINE (04) - ELECTRICAL SYSTEMS
FIT
1:1
100%

Артикул

Название

Примечание

Количество

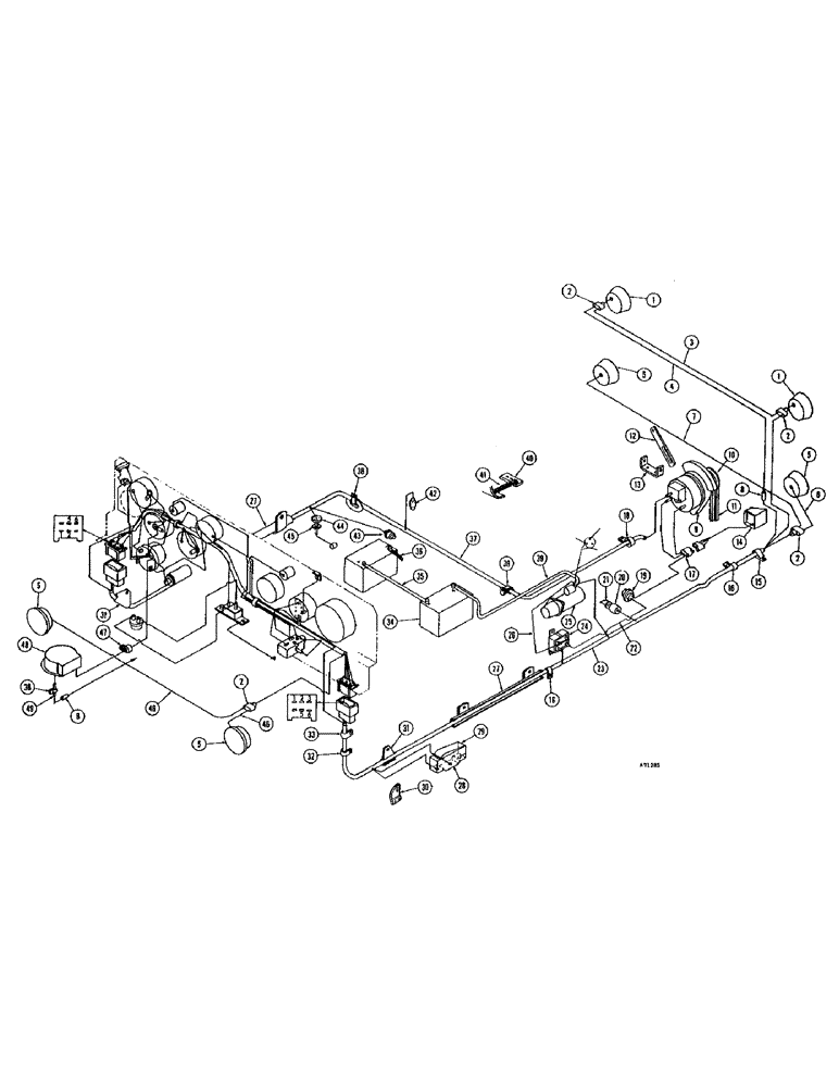
1

L11000

INTERIOR LIGHT

LIGHT - stop and tail, 24 volt (Parts list figure 94)

2шт.

2

A8210

CONNECTOR, ELEC

CONNECTOR CONNECTOR - wire, Serial Range: light-harness

4шт.

3

A13252

ELECTRICAL WIRE

WIRE WIRE - connection, R.H. to L.H. light

1шт.

4

A13251

ELECTRICAL WIRE

WIRE WIRE - connection, R.H. to L.H. connector

1шт.

5

A55702

LIGHT

LIGHT - front and rear (Parts list figure 94)

4шт.

6

T41142

ELECTRICAL WIRE

WIRE WIRE - L.H. rear light

1шт.

7

T41144

ELECTRICAL WIRE

WIRE WIRE - R.H. rear light

1шт.

8

A27213

SPARE PART CONNECTOR - harness to horn & rear light

2шт.

9

A41360

ALTERNATOR

ALTERNATOR - electrical, 24 volt (Parts list figure 62)

1шт.

129-17

NUT,Hex, #10 - 24

NUT - #10 N.C. hex Z.P. term studs

3шт.

10

A41057

PULLEY

PULLEY - alternator drive

1шт.

11

L19082

BELT

Drive, Alternator & fan (Set of 2)

1шт.

12

A34548

STRAP

STRAP - alternator adjustment

1шт.

193-514

SCREW,SEMS, Hex Hd, 5/16"-18 x 3/4"

SCREW & LOCKWASHER - 5/16" x 3/4" N.C.

1шт.

13

A38492

BRACKET

BRACKET - alternator mounting

1шт.

13-616

BOLT,Hex, 3/8" - 16 x 1", Gr 5, Full Thd

BOLT, Hex, 3/8"-16 x 1", G5, Full Thd

2шт.

13-648

BOLT,Hex, 3/8" - 16 x 3", Gr 5

BOLT - 3/8" x 3" N.C. hex.

1шт.

92-6

LOCK WASHER,3/8"

LOCK WASHER, 3/8"

3шт.

14

D41431

REGULATOR

REGULATOR - voltage, 24 volt

1шт.

165-26

HEX SOC SCREW,#10 - 24 x 1 1/4"

CAP SCREW - #10-24 x 1-1/4" NC hex.

3шт.

92-3

LOCK WASHER,#10

WASHER, LOCK, #10

3шт.

129-17

NUT,Hex, #10 - 24

NUT - #10 NC hex.

3шт.

15

A17287

CLIP - harness to mounting bolts

1шт.

16

A20541

CLIP

CLIP -, Serial Range: harness-chassis

2шт.

13-516

BOLT,Hex, 5/16" - 18 x 1", Gr 5

BOLT, Hex, 5/16"-18 x 1", G5, Full Thd

2шт.

92-5

LOCK WASHER,5/16"

LOCK WASHER, 5/16"

2шт.

9635082

NUT,5/16" - 18, Gr 5

NUT - 5/16" N.C. hex.

2шт.

17

L42006

HARNESS

HARNESS & PLUG - alternator to voltage regulator

1шт.

18

49838

CLAMP

CLIP - wire to fuel tank mounting

1шт.

13-412

BOLT,Hex, 1/4" - 20 x 3/4", Gr 5, Full Thd

BOLT, Hex, 1/4"-20 x 3/4", G5, Full Thd

1шт.

92-4

LOCK WASHER,1/4"

WASHER, LOCK, 1/4"

1шт.

25-104

NUT,1/4"-20, G5

NUT, 1/4"-20, G5

1шт.

19

D28798

SWITCH

SWITCH - oil pressure

1шт.

20

A35031

SENDER UNIT

SENDER SENDING UNIT - engine oil pressure

1шт.

129-27

NUT,Hex, #10 - 32

NUT - #10 N.F. hex.

1шт.

21

221-401

ELBOW,45 Degree, 1/8"-27, NPT

ELBOW - street 45 degree, 1/8" NPT

1шт.

22

L19920

SPARE PART WIRE - oil pressure switch to circuit breaker

1шт.

23

T41148

SOCKET

HARNESS - wiring L.H.

1шт.

24

L11343

BREAKER

CIRCUIT BREAKER - alternator

1шт.

165-20

HEX SOC SCREW,#10 - 24 x 3/8"

CAP SCREW - #10 x 3/8" N.C. hex socket head

2шт.

92-3

LOCK WASHER,#10

WASHER, LOCK, #10

2шт.

25

A15485

STARTING MOTOR

STARTER - engine, 24 V (Parts list figure 66 )

1шт.

25

RR46156

REMAN-STARTER

Remanufactured Starter

1шт.

25

RC46156

CORE-STARTER

Return Number

1шт.

13-848

BOLT,Hex, 1/2" - 13 x 3", Gr 5

BOLT - 1/2" x 3" N.C. hex.

1шт.

13-824

BOLT,Hex, 1/2" - 13 x 1-1/2", Gr 5, Full Thd

BOLT, Hex, 1/2"-13 x 1 1/2", G5, Full Thd

2шт.

92-8

LOCK WASHER,1/2"

LOCK WASHER, 1/2"

3шт.

26

T41145

SPARE PART WIRE - circuit breaker to starter solenoid

1шт.

27

A12488

CONDUIT - harness protector

2шт.

13-414

BOLT,Hex, 1/4" - 20 x 7/8", Gr 5, Full Thd

BOLT, Hex, 1/4"-20 x 7/8", G5, Full Thd

4шт.

92-4

LOCK WASHER,1/4"

WASHER, LOCK, 1/4"

4шт.

25-104

NUT,1/4"-20, G5

NUT, 1/4"-20, G5

4шт.

28

A19513

SWITCH

SWITCH - neutral start

1шт.

REF. 28 ANOTHER SWITCH USED(NOT A SUB)MOUNTED ON TRANSMISSION A55882

1шт.

29

L11390

SPARE PART GUARD - neutral start switch

1шт.

30

A19514

SPARE PART BRACKET - mounting, neutral start switch

1шт.

173-68

SCREW,Sl Rnd Hd, #6 - 32 x 1 1/4"

SCREW - machine, #6 x 1-1/4" N.C. round hd.

2шт.

192-5

LOCK WASHER,#6

WASHER, LOCK, #6

2шт.

129-5

NUT,#6-32

NUT, #6-32

2шт.

31

L12289

CLIP

CLIP - harness to mounting bolt

2шт.

32

A26696

NO LONGER SERVICED

CABLE STRAP/Retired CLIP - L.H., Serial Range: harness-chassis

2шт.

13-58

BOLT,Hex, 5/16" - 18 x 1/2", Gr 5

BOLT, Hex, 5/16"-18 x 1/2", G5, Full Thd

2шт.

92-5

LOCK WASHER,5/16"

LOCK WASHER, 5/16"

2шт.

33

A10852

SPARE PART CLIP -, Serial Range: harness-chassis

2шт.

13-58

BOLT,Hex, 5/16" - 18 x 1/2", Gr 5

BOLT, Hex, 5/16"-18 x 1/2", G5, Full Thd

2шт.

92-5

LOCK WASHER,5/16"

LOCK WASHER, 5/16"

2шт.

34

A38411

DRY BATTERY

BATTERY - electrical, 12 volt

2шт.

35

A18926

CABLE

CABLE - jumper (18" long)

1шт.

36

A27069

CABLE

CABLE - negative terminal to ground (15" long)

1шт.

37

L42005

HARNESS - wiring, R.H.

1шт.

38

A7922

CLIP

CLIP - wire and harness

3шт.

39

A18925

SPARE PART CABLE - positive terminal to starter (38" long)

1шт.

40

A19069

PLATE - chassis engine support

1шт.

13-820

BOLT,Hex, 1/2" - 13 x 1-1/4", Gr 5, Full Thd

BOLT, Hex, 1/2"-13 x 1 1/4", G5, Full Thd

2шт.

92-8

LOCK WASHER,1/2"

LOCK WASHER, 1/2"

2шт.

41

L40888

CABLE PULLING GRIP

CABLE - ground, Serial Range: engine-chassis

1шт.

42

F13156

SENDER UNIT

SENDER SENDING UNIT - engine temperature

1шт.

43

A13795

SENDER UNIT

SENDER SENDING UNIT - converter temperature

1шт.

195-12

WASHER,#10

WASHER - plain #10

1шт.

92-3

LOCK WASHER,#10

WASHER, LOCK, #10

1шт.

129-27

NUT,Hex, #10 - 32

NUT - #10 N.F. hex.

1шт.

44

A18869

SENDER UNIT

SENDER SENDING UNIT - fuel gauge

1шт.

45

A61161

GASKET

SPARE PART GASKET - sending unit

1шт.

173-221

SCREW,Sl Rnd Hd, #10 - 32 x 7/16"

SCREW - machine, #10 x 7/16" N.F. rd. hd. Z.P.

5шт.

192-18

LOCK WASHER,Helical Spring, #10, 0.196" ID, CST, ZND

WASHER, LOCK, #10

5шт.

46

T41143

ELECTRICAL WIRE

WIRE WIRE - connector to front light

2шт.

47

A27814

X

CLIP - wire, horn

1шт.

13-412

BOLT,Hex, 1/4" - 20 x 3/4", Gr 5, Full Thd

BOLT, Hex, 1/4"-20 x 3/4", G5, Full Thd

1шт.

92-4

LOCK WASHER,1/4"

WASHER, LOCK, 1/4"

1шт.

25-104

NUT,1/4"-20, G5

NUT, 1/4"-20, G5

1шт.

48

A19581

HORN

HORN - (Parts list figure 96)

1шт.

49

A12458

SLEEVE

LOOM - wire protector

3шт.

Выбрано товаров: 92