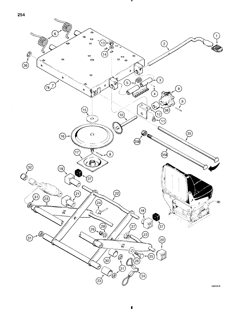
Запчасти Case W11 (254) - L79455 SUSPENSION SEAT, INCLUDES PARTS ON PAGES 253-257 (09) - CHASSIS/ATTACHMENTS

Схема запчастей Case W11 - (254) - L79455 SUSPENSION SEAT, INCLUDES PARTS ON PAGES 253-257 (09) - CHASSIS/ATTACHMENTS
FIT
1:1
100%

Артикул

Название

Примечание

Количество

L79455

SEAT

ASSEMBLY , includes parts on Fig. 253-257, Incls. Ref. 1-38

1шт.

1

A45472

CAP

AND DECAL - height adjustment lever

1шт.

2

D82857

LEVER

- height adjustment

1шт.

3

A47381

LATCH

- lever

1шт.

4

138-2057

PIN,5/32" x 5/8", Coiled

1шт.

5

A47382

SPRING

- latch

1шт.

6

D82863

SPRING

- housing

2шт.

7

A47362

PLATE

HOUSING - upper, uses item 35

1шт.

7a

A47761

PLATE

HOUSING - upper, uses items 35A and 35B

1шт.

8

D82847

KNOB

ASSEMBLY - includes handle and decals

1шт.

9

135-45

ROLL PIN - tapered, 5/32" x 1"

2шт.

10

D82826

GEAR WHEEL

SHAFT AND GEAR - pinion

1шт.

11

111-107

CARRIAGE BOLT,Short NK, 1/4"-20 x 1/2", G2

- 1/4" - 20 NC x 1/2"

2шт.

12

A45531

BRACKET

- shaft

1шт.

13

86625061

NUT,1/4"-20, GB

NUT - hex, self-locking, 1/4" x 20 NC

2шт.

14

195-102

WASHER,1/4"

- flat, 1/4"

2шт.

15

D82834

WASHER

- thrust

1шт.

16

A45505

GEAR

ASSEMBLY - center

1шт.

17

A45504

SPRING WASHER

RETAINER - spring

1шт.

18

CASA45517

BLOCK

- right-hand upper

1шт.

19

A45515

BLOCK

- left-hand upper

1шт.

20

A45516

BLOCK

- right-hand lower

1шт.

21

A45512

BLOCK

- left-hand lower

1шт.

22

A45532

TUBE

ARM - inner, no longer available, order Ref. 23A

1шт.

23

A45533

TUBE

ARM - outer, used with items 22 and 25-29 only, Ref. 29A

1шт.

23a

A47759

ARM

ASSEMBLY - inner and outer, new style, replaces Ref. 22, 23, and 25-29, not shown

1шт.

24

A47070

INDICATOR

- height

1шт.

25

A45055

BOLT

- shoulder, if used

2шт.

26

A45110

WASHER

- special, if used

2шт.

27

A47760

BUSHING

BEARING - nylon, if used

2шт.

28

195-525

WASHER,3/8", SAE

- flat, 3/8", plated, if used

2шт.

29

131-52

NUT,3/8"-16, GC

NUT - hex, self-locking, 3/8" - 16 NC

2шт.

30

D82866

BEARING - upper, rear, right-hand

1шт.

31

REF

INSTRUCTION

WASHER - flat

4шт.

32

A45501

BUSHING,0.504" ID x 0.87" OD x 1.417"

BEARING - shock absorber

1шт.

33

D82865

BEARING - lower, rear, right-hand

1шт.

34

D82867

CABLE - arm

1шт.

35

D82846

SHAFT - no longer available, order Ref. 7A, 35A, and 35B

1шт.

35a

A47762

SHAFT

- with threaded end for self-locking nut

1шт.

35b

131-542

LOCK NUT,3/8"-16

NUT - hex, self-locking, 3/8" - 16 NC, used with Ref. 35A

1шт.

36

131-425

PUSH-ON NUT,Push, 1/2"

NUT, LOCK, , Used with item 35 only Push, 1/2"

1шт.

37

A45054

BUMPER,Neoprene

CUSHION - rubber

2шт.

38

NSS

NOT SOLD SEPARAT

SPACER - plastic

1шт.

Выбрано товаров: 43