Запчасти Case W11 (018) - VALVE MECHANISM, 207 DIESEL ENGINE (02) - ENGINE

Схема запчастей Case W11 - (018) - VALVE MECHANISM, 207 DIESEL ENGINE (02) - ENGINE
FIT
1:1
100%

Артикул

Название

Примечание

Количество

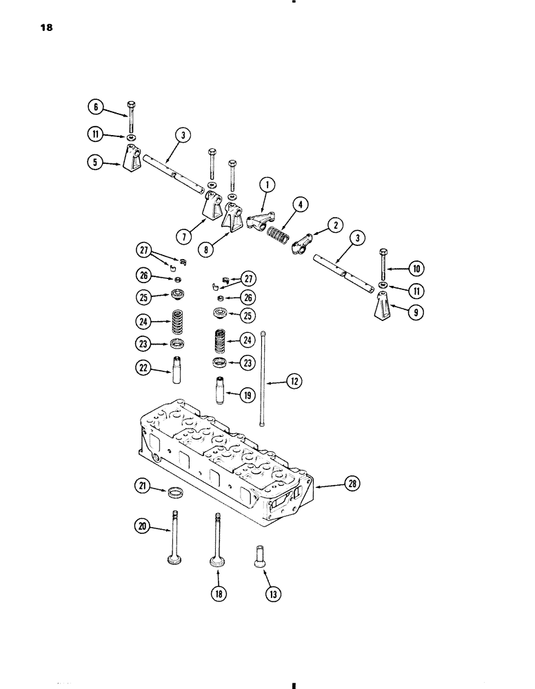
1

A51149

ARM

ASSEMBLY - rocker, left hand, with adjusting screw

4шт.

2

A51148

ARM

ASSEMBLY - rocker, right hand, with adjusting screw

4шт.

3

A38181

SHAFT

- rocker arm

2шт.

4

G48501

SPRING

- rocker arm shaft

4шт.

5

A36615

BRACKET

- rear, rocker arm shaft

1шт.

6

G49067

BOLT

- rear bracket (drilled)

1шт.

7

G2101

BRACKET

- center

1шт.

8

A51084

BRACKET

- intermediate

2шт.

9

G2100

BRACKET

- front

1шт.

10

13-656

BOLT,Hex, 3/8" - 16 x 3-1/2", Gr 5

- bracket, 3/8 x 3-1/2 inch NC hex

4шт.

11

A30058

WASHER

- bracket bolt

5шт.

12

G47079

ROD

- push

8шт.

13

G47077

TAPPET

LIFTER - push rod

8шт.

18

A41726

VALVE

- intake (Set of 4)

1шт.

19

REF

INSTRUCTION

GUIDE - intake valve (Fig. 14 and 16

4шт.

20

A41727

VALVE

GASKET - cylinder head to block (Fig. 34)

1шт.

21

REF

INSTRUCTION

INSERT - exhaust valve seat (Fig. 14 and 16

4шт.

22

REF

INSTRUCTION

GUIDE - exhaust valve (Fig. 14 and 16

4шт.

23

G49065

SEAT

- valve spring

8шт.

24

A30025

SPRING

- valve

8шт.

25

G11927

RETAINER

- valve spring (Set of 4 retainers and 8 locks)

2шт.

26

G46851

SEAL

- valve stem (rubber)

8шт.

27

A30004

RETAINER

LOCK - valve keepers

16шт.

28

REF

INSTRUCTION

HEAD ASSEMBLY - cylinder (Fig. 14 and 16

1шт.

Выбрано товаров: 24