Запчасти Case W11 (062) - INJECTION PUMP, 207 DIESEL ENGINE, PRIOR TO ENGINE SERIAL NO. 4310686 (03) - FUEL SYSTEM

Схема запчастей Case W11 - (062) - INJECTION PUMP, 207 DIESEL ENGINE, PRIOR TO ENGINE SERIAL NO. 4310686 (03) - FUEL SYSTEM
FIT
1:1
100%

Артикул

Название

Примечание

Количество

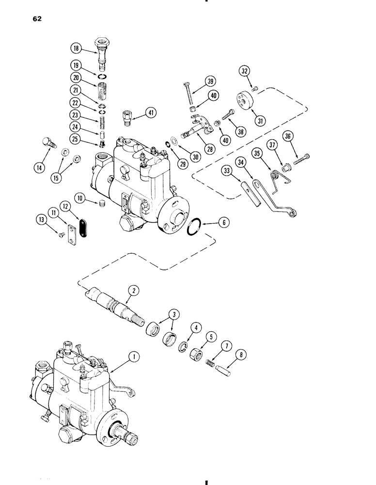
1

A151671

PUMP, FUEL INJECTION

PUMP ASSEMBLY - fuel injection (Fig. 62 and 64), Incls. Ref. 2-41

1шт.

No. DBGFCC431-18AL)

1шт.

2

A44710

SHAFT

ASSEMBLY - drive, with pin

1шт.

3

R14711

SEAL

- drive shaft

2шт.

4

192-24

LOCK WASHER,9/16"

WASHER, LOCK, 9/16"

1шт.

5

25-119

NUT,9/16"-18, G5

- 9/16 inch NF hex, jam

1шт.

6

74244

SEAL,0.139" Thk x 1.046" ID, -215, Cl 5, 75 Duro

SEAL - pilot tube

1шт.

7

G48502

SPRING

- thrust, pump shaft, 1-3/16 inch free length (30.17 mm)

1шт.

8

A44653

PLUNGER

- thrust spring button

1шт.

10

217-433

PLUG,Hex Soc, 1/4" - 18 NPTF

End plate Hex Soc, 1/4"-18 NPTF

1шт.

11

73452

COVER

- timing window

2шт.

12

NLS

NO LONGER SERVICED

- timing window cover

2шт.

13

51200263

SCREW

- cover (No. 8-32 oval head)

4шт.

14

73613

SCREW

- connector, fuel lines

4шт.

15

G49407

WASHER,9.63mm ID x 12.83mm OD x 1.65mm Thk

WASHER - fuel line screws

8шт.

18

A43869

SLEEVE

- end plate filter pilot

1шт.

19

73666

AIR CLEANER

- filter cap

1шт.

20

A43870

FILTER, FUEL

FILTER - element (screen)

1шт.

21

A43871

SEAL

- filter element

1шт.

22

A28090

O-RING,0.301" ID x 0.441" OD x 0.07"

-011, 70 Duro, .301" ID x .070" Thk - Sleeve seal

1шт.

23

A43867

SPRING

- regulating, 5/8 inch (15.88 mm) free length

1шт.

24

73621

PISTON

- pump regulating

1шт.

25

A43868

SEAL

- regulating piston

1шт.

28

D40344

SHAFT ASSEMBLY - throttle

1шт.

29

A27358

O-RING,0.07" Thk x 0.239" ID, -10, Cl 5, 75 Duro

- throttle shaft

2шт.

30

R22936

WASHER

- throttle shaft

2шт.

31

A47181

SPACER - throttle lever adjusting

1шт.

32

165-1

SCREW,#8 x 1/4"

- throttle lever positioning, No. 8-1/4 inch NC socket head

1шт.

33

A47182

ARM

- spacer adjusting

1шт.

34

A47180

LEVER ASSY.

LEVER - throttle

1шт.

35

G48505

SPRING

- throttle lever

1шт.

36

A47183

SCREW,5/16" - 32 x 1.14"

- throttle lever spring, No. 10-32 x 1-1/8 inch socket head

1шт.

37

G49621

RETAINER

- throttle lever spring

1шт.

38

51200273

SCREW

- low idle adjusting, No. 10-32 x 1-3/8 inch hex slotted head

1шт.

39

G49088

ADJUSTMENT SCREW,#10 - 32 x 1.781"

- high idle adjusting, No. 10-32 x 1-3/4 inch hex slotted head

1шт.

40

51200274

NUT

- lock, adjusting screws, No. 10-32 hex

2шт.

41

A47066

COUPLING

CONNECTOR ASSEMBLY - return line

1шт.

Ref #41 contains a glass check ball.

1шт.

Выбрано товаров: 38