Запчасти Case W11 (092) - ELECTRICAL SYSTEM, REAR LAMPS AND BACKUP ALARM (04) - ELECTRICAL SYSTEMS

Схема запчастей Case W11 - (092) - ELECTRICAL SYSTEM, REAR LAMPS AND BACKUP ALARM (04) - ELECTRICAL SYSTEMS
FIT
1:1
100%

Артикул

Название

Примечание

Количество

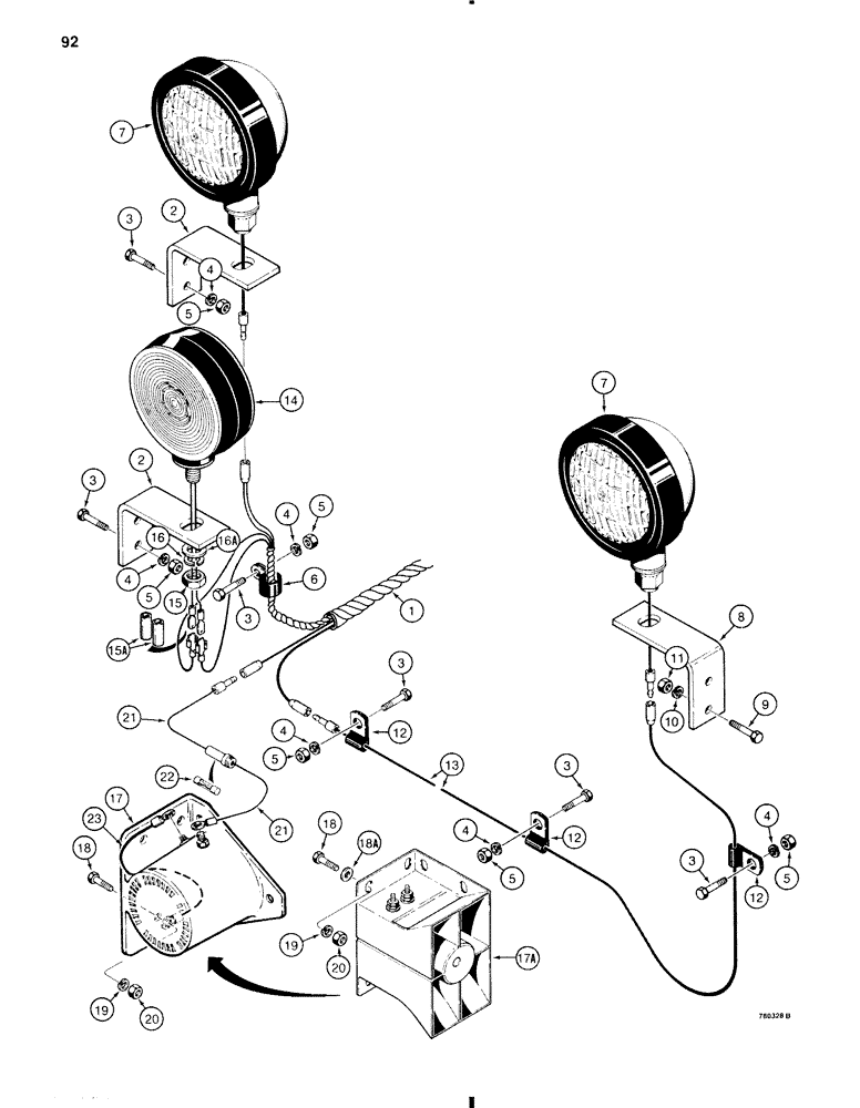
1

REF

INSTRUCTION

HARNESS - rear, Fig. 78

1шт.

2

L76559

BRACKET

Lamp

2шт.

3

13-616

BOLT,Hex, 3/8" - 16 x 1", Gr 5, Full Thd

8шт.

4

92-6

LOCK WASHER,3/8"

8шт.

5

25-106

NUT,3/8"-16, G5

8шт.

6

515-23127

CLAMP,1/2", Insul, 3/8" Bolt

Wire

1шт.

7

D88684

LAMP

Flood, parts list Fig. 100

1-2шт.

8

L76559

BRACKET

Lamp

1шт.

9

13-620

BOLT,Hex, 3/8" - 16 x 1-1/4", Gr 5, Full Thd

2шт.

10

92-6

LOCK WASHER,3/8"

2шт.

11

25-106

NUT,3/8"-16, G5

2шт.

12

515-2348

CLAMP,4.8mm ID, 10.3mm Bolt Hole, P Type

Wire

3шт.

13

L76802

ELECTRICAL WIRE

WIRE Harness to RH lamp

1шт.

14

REF

INSTRUCTION

LAMP - stop and tail, see figures 102 for correct lamp and component parts

1шт.

15

25-118

NUT,1/2"-20, G5

hex, 1/2" - 13 NC

1шт.

15a

L78495

SLEEVE,0.19" ID x 1.5" L

SHRINK TUBING - lamp to harness connection

2шт.

16

92-8

LOCK WASHER,1/2"

1шт.

16a

95-8

WASHER,1/2"

If used

1шт.

17

D75814

BUZZER

ALARM - backup, round type, if used

1шт.

Ref #17 - Use L109087

1шт.

17a

L109087

HOUSING

ALARM - backup, rectangular type, if used, not available

1шт.

Order item 17

1шт.

18

13-516

BOLT,Hex, 5/16" - 18 x 1", Gr 5

2шт.

18a

95-5

WASHER,3/8" x 7/8" x .083"

Flat, 5/16", used with rectangular alarm only

2шт.

19

92-5

LOCK WASHER,5/16"

2шт.

20

9635082

NUT,5/16" - 18, Gr 5

2шт.

21

L76933

SPARE PART Harness to backup alarm

1шт.

22

223-26

FUSE,5 Amp, Type 3AG

1шт.

23

L59563

ELECTRICAL WIRE

WIRE Alarm ground

1шт.

Выбрано товаров: 0