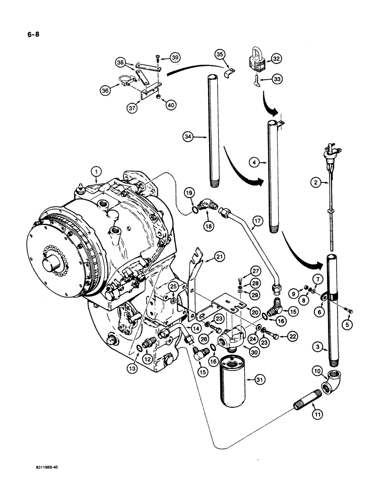
Запчасти Case W11B (6-008) - FUNK TRANSMISSI0N, DIPSTICK AND FILTER (06) - POWER TRAIN

Схема запчастей Case W11B - (6-008) - FUNK TRANSMISSI0N, DIPSTICK AND FILTER (06) - POWER TRAIN
FIT
1:1
100%

Артикул

Название

Примечание

Количество

1

L112326

TRANSMISSION

ASSEMBLY - parts list Figures 6-19 - 6-37.

1шт.

2

L74911

DIPSTICK

- transmission

1шт.

3

L74909

PIPE

- standard, dipstick

1шт.

4

L79788

PIPE

- anti-vandalism, dipstick, with welded bracket, no longer available, order Refs. 34 and 35 for service

1шт.

5

113-207

BOLT,Hex, 3/8" - 16 x 1", Gr 5

1шт.

6

R13931

CLAMP

- pipe

1шт.

7

495-21044

WASHER,3/8"

(flat, 7/16 x 1 x 5/64 inch) 3/8"

1шт.

8

492-11038

LOCK WASHER,3/8"

1шт.

9

129-103

NUT,Hex, 3/8" - 16, Gr 5

NUT, 3/8"-16, G5

1шт.

10

221-380

ELBOW,90 Degree, 1 1/4" NPT

- 90 degree, 1-1/4" NPT

1шт.

11

221-268

NIPPLE, LUBE

NIPPLE - pipe

1шт.

12

218-5050

HYD CONNECTOR,1-5/16" - 12 Male JIC x 1-1/16" - 12 Male ORB

CONNECTOR, HYD., straight, Incl. Ref. 13

1шт.

13

237-6012

O-RING,0.116" Thk x 0.924" ID, -912, Cl 6, 90 Duro

- 59/64 ID x 7/8 inch wide

1шт.

14

L111597

TUBE,1" OD x 4.07, 4.07" L

- filter outlet

1шт.

15

218-5110

ELBOW,90 Degree Elbow, 1-5/16" - 12 Male JIC x 1-5/16" - 12 Male ORB

adjustable, Incl. Ref. 16 90º, 1 5/16"-12, 37º x 1 5/16"-12, O-Ring

2шт.

16

237-6016

O-RING,0.116" Thk x 1.171" ID, -916, Cl 6, 90 Duro

- 1-11/16 x 1-13/32 x 1/8 inch

1шт.

17

L112328

TUBE,1" OD x 9.49, 14.92" L

- filter inlet

1шт.

18

218-5147

ELBOW,45 Degree Elbow, 1-5/16" - 12 Male JIC x 1-1/16" - 12 Male ORB

Adjustable, Includes Ref. 19 45º, 1 5/16"-12 x 1 1/16"-12, 37º

1шт.

19

237-6012

O-RING,0.116" Thk x 0.924" ID, -912, Cl 6, 90 Duro

- 59/64 ID x 7/8 inch wide

1шт.

20

L123746

BRACKET

- filter

1шт.

21

L111978

BRACKET

- filter and cable

1шт.

22

113-607

BOLT,Hex, 5/8" - 11 x 1-1/2", Gr 5, Full Thd

2шт.

23

492-11062

BEARING WASHER,5/8"

WASHER, LOCK, 5/8"

3шт.

24

195-108

WASHER,5/8"

- flat, 11/16 x 1-3/4 x 5/32 inch

2шт.

25

H232652

BUSHING

SPACER - filter bracket

1шт.

26

113-606

BOLT,Hex, 5/8" - 11 x 1-1/4", Gr 5, Full Thd

1шт.

27

113-1022

BOLT - hex, 5/16 NC x 3/4 inch

3шт.

28

192-20

LOCK WASHER,Helical Spring, 0.318" ID, CST, ZND

WASHER, LOCK, 5/16"

3шт.

29

195-103

WASHER,5/16"

NUT - hex, 1/2 inch NC

3шт.

30

N8799

BASE

HEAD - filter

1шт.

31

D80548

FILTER CARTRIDGE

ELEMENT - spin on type

1шт.

32

D93753

PADLOCK

- includes keys, Includes: Ref. 33

1шт.

33

R29555

KEY

- for Master padlock only

2шт.

33

D93751

SET OF 2 KEYS

KEY - for Yale padlock only

2шт.

34

L74909

PIPE

- anti-vandalism, dipstick, without welded bracket

1шт.

35

L55049

SUPPORT

BRACKET - locking, anti-vandalism pipe, no longer available, order Refs. 36 - 40

1шт.

order items 36 through 40

1шт.

36

L45901

CLAMP

- bracket to pipe, includes lockwashers and nuts

1шт.

37

L127436

BRACKET

- mounting, locking links

1шт.

38

L127437

LINK

- locking, dipstick

2шт.

39

L126833

SCREW,1/4" - 20 x 3/4"

- special, one-way

2шт.

40

131-48

LOCK NUT,1/4"-20, GB

NUT - hex, lock, 1/4 inch NC

2шт.

Выбрано товаров: 42