Запчасти Case W11B (6-012) - HYDRAULIC CIRCUIT - CLARK TRANSMISSION, TRANSMISSION TO OIL (06) - POWER TRAIN

Схема запчастей Case W11B - (6-012) - HYDRAULIC CIRCUIT - CLARK TRANSMISSION, TRANSMISSION TO OIL (06) - POWER TRAIN
FIT
1:1
100%

Артикул

Название

Примечание

Количество

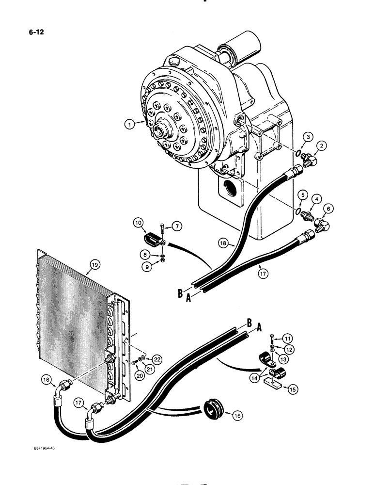
1

L117957

TRANSMISSION

ASSEMBLY - parts list Figures 6-38 - 6-62

1шт.

2

L114091

FITTING

ELBOW - 90 degree, special, Includes: Ref. 3

1шт.

3

237-6012

O-RING,0.116" Thk x 0.924" ID, -912, Cl 6, 90 Duro

- 59/64 ID x 7/8 inch wide

1шт.

4

218-5064

HYD CONNECTOR,1-1/16" - 12 Male JIC x 1-1/16" - 12 Male ORB

ADAPTER - straight, 1-1/16-12 inch flare x O-ring boss, Incl. Ref. 5

1шт.

5

237-6012

O-RING,0.116" Thk x 0.924" ID, -912, Cl 6, 90 Duro

- 59/64 ID x 7/8 inch wide

1шт.

6

218-5231

ELBOW,90 Degree, 1 1/16"-12, 37 Degree x 1 1/16"-12, 37 Degree Fem Sw

1шт.

7

413-620

BOLT,Hex, 3/8" - 16 x 1-1/4", Gr 5

- hex, 3/8 NC x 1-1/4 inch

1шт.

8

492-11038

LOCK WASHER,3/8"

1шт.

9

129-103

NUT,Hex, 3/8" - 16, Gr 5

NUT, 3/8"-16, G5

1шт.

10

L111928

CLAMP

- hose

1шт.

11

413-624

BOLT,Hex, 3/8" - 16 x 1-1/2", Gr 5

- hex, 3/8 NC x 1-1/2 inch, if Ref 19 spacer is used

1шт.

11

413-616

BOLT,Hex, 3/8" - 16 x 1", Gr 5

- hex, 3/8 NC x 1 inch, if Ref. 19 spacer is not used

1шт.

12

492-11038

LOCK WASHER,3/8"

1шт.

13

495-21044

WASHER,3/8"

(flat, 7/16 x 1 x 5/64 inch) 3/8"

1шт.

14

D34033

CLAMP

- tube

2шт.

15

L111940

SPACER

BRACKET - hose clamp, if used

1шт.

16

L53783

GROMMET,1 1/4" ID x 2 3/8" Groove Dia, Str Cut

- rubber, cooler hose

2шт.

17

L118087

HOSE

- transmission cooler return

1шт.

18

L118088

HOSE

- transmission cooler

1шт.

19

A184202

COOLER

- transmission oil

1шт.

20

814-8016

BOLT,Hex, M8 x 1.25 x 16mm, Cl 8.8, Full Thd

- hex, 8 mm - 1.25 x 16 mm

8шт.

21

892-1108

LOCK WASHER,M8

8шт.

22

895-11008

WASHER,9mm ID x 16mm OD x 1.6mm Thk

- flat, 9 x 17 x 2 mm

8шт.

Выбрано товаров: 23