Запчасти Case W11B (6-030) - FUNK TRANSMISSION, CONTROL VALVE (06) - POWER TRAIN

Схема запчастей Case W11B - (6-030) - FUNK TRANSMISSION, CONTROL VALVE (06) - POWER TRAIN
FIT
1:1
100%

Артикул

Название

Примечание

Количество

REF

INSTRUCTION

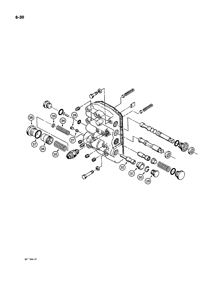
CONTROL VALVE ASSEMBLY - Includes: Ref. 27 - 38 and Ref. 1 - 26 on Figure 6-28

1шт.

27

D83008

PLUG

- inner, with orifice

1шт.

28

D83023

PLUG

- hex socket head, outer

1шт.

29

S114672

PLUG

- hex head, if used

1шт.

30

N7850

OIL SEAL

SNAP RING - seat retaining, if used

1шт.

Part of kit, P/N N9080

1шт.

31

N7798

SEAT

- regulator poppet, if used

1шт.

Part of kit, P/N N9080

1шт.

32

N8736

VALVE

POPPET - regulator, with pin

1шт.

Part of kit, P/N N9080

1шт.

33

N7797

SPACER

- spring

5шт.

Part of kit, P/N N9080

1шт.

34

D82986

SPRING

- inner

1шт.

Part of kit, P/N N9080

1шт.

35

D82988

SPRING

- outer

1шт.

36

N8737

PISTON

- valve

1шт.

37

237-6016

O-RING,0.116" Thk x 1.171" ID, -916, Cl 6, 90 Duro

- 1-11/16 x 1-13/32 x 1/8 inch

1шт.

38

D82938

PLUG

- hex head

1шт.

N9080

PACKAGE

KIT - poppet, Includes: Ref. 30, 31, 32, 33, 34

1шт.

Выбрано товаров: 19