Запчасти Case W11B (6-076) - AXLE MOUNTING (06) - POWER TRAIN

Схема запчастей Case W11B - (6-076) - AXLE MOUNTING (06) - POWER TRAIN
FIT
1:1
100%

Артикул

Название

Примечание

Количество

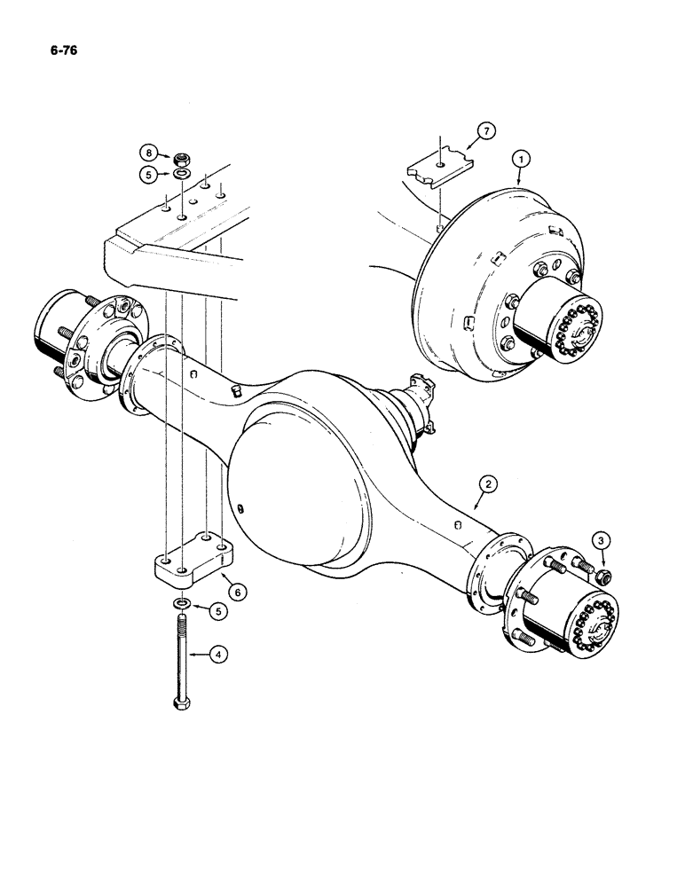
1

L110131

AXLE

- with brakes, front axle on all models and also rear axle on models with both front and rear brakes, Rockwell No. H172HX18 or No. H172HX26, parts list Figures 6-79 - 6-85, no longer available order L117691

1-2шт.

1

L115301

AXLE

- with brakes, front axle on all models and also rear axle on models with both front and rear brakes, Rockwell No. H172HX30, parts list Figures 6-79 - 6-85, no longer available, order L117691 axle

1-2шт.

1

L117691

AXLE

- with brakes, front axle on all models and also rear axle on models with both front and rear brakes, Rockwell No. H172HX32, parts list Figures 6-79 - 6-85, no longer available, order L127346 axle

1-2шт.

1

L127346

AXLE

- with brakes, front axle on all models and also rear axle on models with both front and rear brakes, Rockwell No. H172HX32, parts list Figures 6-79 - 6-85

1-2шт.

REF: 1A L127346 AXLE ASSY HAS A NON-ASBESTOS BRAKE LINING.

1шт.

2

L110132

AXLE

- without brakes, rear axle on models with front wheel brakes only, if used, Rockwell No. H172NX27 or H172NX49, parts list Figures 6-79 - 6-83, no longer available order L117692

1шт.

2

L115302

AXLE

- without brakes, rear axle on models with front wheel brakes only, if used, Rockwell No. H172NX75, parts list Figures 6-79 - 6-83, no longer available, order L117692 axle

1шт.

2

L117692

AXLE

- without brakes, rear axle on models with front wheel brakes only, if used, Rockwell No. H172NX79, parts list Figures 6-79 - 6-83

1шт.

3

A12522

WHEEL NUT

- lug

24шт.

4

116-703

BOLT,Hex, 3/4" - 16 x 9-1/2", Gr 8

Hex, 3/4"-16 x 9 1/2", G8, Front axle

8шт.

4

116-707

BOLT

- hex head, 3/4 NF x 9 inch, grade 8, rear axle

8шт.

5

L79179

WASHER

- flat, hardened

32шт.

6

L74198

PAD

- lower

4шт.

7

L74199

SPACER

PAD - upper, front axle

2шт.

8

131-186

LOCK NUT,3/4"-16, GB

NUT - hex lock, 3/4 inch NF

16шт.

Выбрано товаров: 15