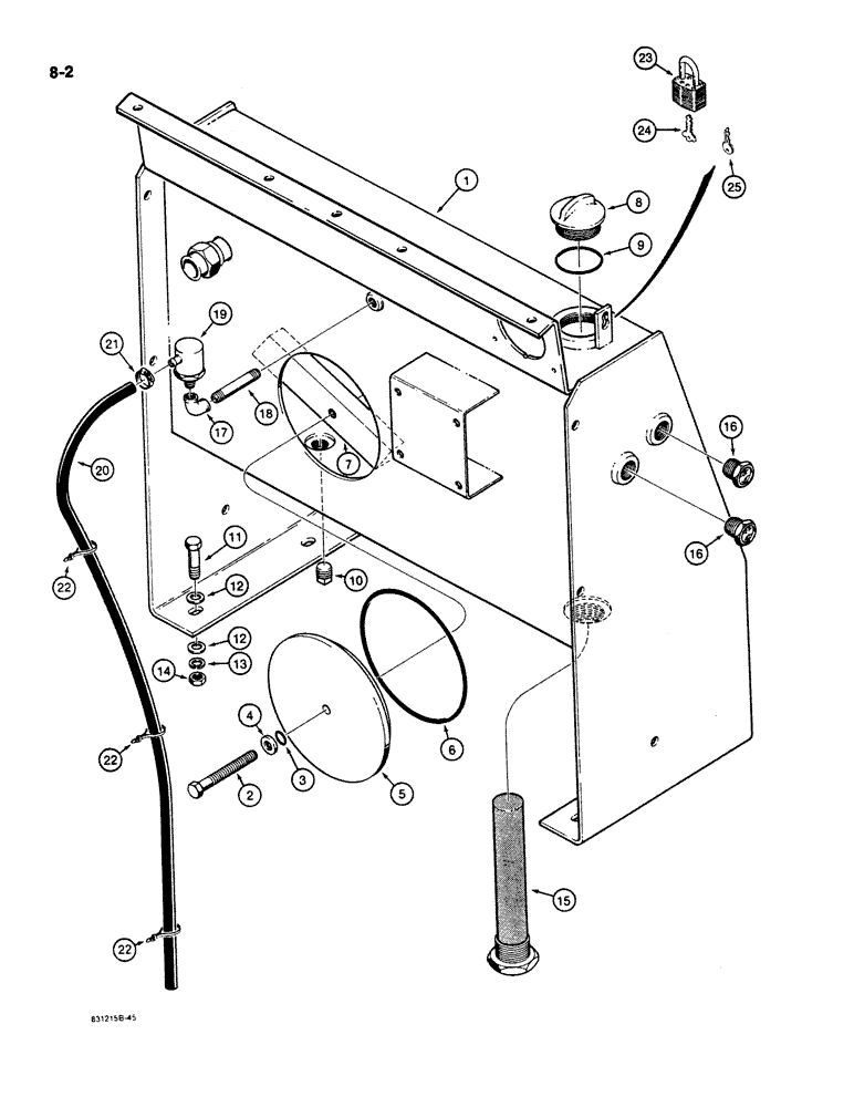
Запчасти Case W11B (8-002) - HYDRAULIC RESERVOIR, USED WITH FUNK TRANSMISSION (08) - HYDRAULICS

Схема запчастей Case W11B - (8-002) - HYDRAULIC RESERVOIR, USED WITH FUNK TRANSMISSION (08) - HYDRAULICS
FIT
1:1
100%

Артикул

Название

Примечание

Количество

L114134

RESERVOIR

ASSEMBLY - hydraulic oil, Includes: Ref. 1 - 10

1шт.

1

NSS

NOT SOLD SEPARAT

RESERVOIR - hydraulic oil

1шт.

2

113-409

BOLT,Hex, 1/2" - 13 x 4", Gr 5

- hex, 1/2 NC x 4 inch

1шт.

3

A27410

O-RING,0.487" ID x 0.693" OD x 0.103"

- bolt seal

1шт.

4

L78045

WASHER

- flat, special

1шт.

5

L77124

COVER ASSY

COVER - hand hole

1шт.

6

L55410

O-RING,0.275" Thk x 7.22" ID, -442, Cl 5, 75 Duro

- cover

1шт.

7

L77125

BAR

- cover retaining

1шт.

8

L100349

PLUG

CAP - fill

1шт.

9

A7552

O-RING,0.21" Thk x 1.975" ID, -329, Cl 5, 75 Duro

- fill cap

1шт.

10

221-677

DRAIN PLUG,Sq Hd, 3/4" NPT

PLUG - square head, 3/4" magnetic

1шт.

11

413-828

BOLT,Hex, 1/2" - 13 x 1-3/4", Gr 5

4шт.

12

495-21056

WASHER,1/2"

- flat, 9/16 x 1-3/8 x 3/32 inch

8шт.

13

80679

LOCK WASHER,1/20.507 CST ZND

WASHER, LOCK, 1/2"

4шт.

14

425-108

NUT,1/2" - 13, Gr 5

NUT, , Hex 1/2"-13, G5

4шт.

15

L76532

FILTER

- oil screen

1шт.

16

D63875

PLUG

GAUGE - sight

2шт.

17

221-376

ELBOW,90 Degree, 3/8" NPT

- 90 degree, 3/8" NPT

1шт.

18

221-165

NIPPLE, LUBE

NIPPLE - 3/8" NPT x 2-1/2"

1шт.

19

L79834

VENT

VALVE - vent

1шт.

20

L79833

LARGE HOSE

HOSE - valve vent, 3/8" (10 mm) ID x 46 " (1168 mm) long

1шт.

21

214-274

HOSE CLAMP,#04, 0.25" - 0.62", Type F Worm

retaining #4, 0.25/0.62 Type F Worm

1шт.

22

L18337

CABLE TIE,9.95"-12.1" lg

STRAP - tie, 15 inch, nylon

1шт.

23

D93753

PADLOCK

- includes keys, if used, Includes: Ref. 24 and 25

1шт.

24

R29555

KEY

- for Master padlock only

2шт.

25

D93751

SET OF 2 KEYS

KEY - for Yale padlock only

2шт.

Выбрано товаров: 26