Запчасти Case W11B (8-058) - RETURN-TO-DIG, BEFORE P.I.N. 9158252 (08) - HYDRAULICS

Схема запчастей Case W11B - (8-058) - RETURN-TO-DIG, BEFORE P.I.N. 9158252 (08) - HYDRAULICS
FIT
1:1
100%

Артикул

Название

Примечание

Количество

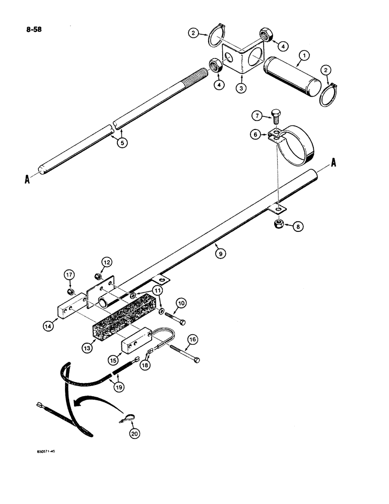
1

D32930

PIN,38.1mm OD x 127mm L

- cylinder pivot

1шт.

2

D25279

SNAP RING,M35, Int

- pin

2шт.

3

L78538

BRACKET

- rod

1шт.

4

129-148

JAM NUT,Jam, 3/4"-10, G5

- hex, jam, 3/4" - 10 NC, plated

2шт.

5

L76654

ROD

- return-to-dig

1шт.

6

L103262

CLAMP

- tube

2шт.

7

413-624

BOLT,Hex, 3/8" - 16 x 1-1/2", Gr 5

- hex, 3/8 NC x 1-1/2 inch

2шт.

8

131-666

LOCK NUT,3/8"-16, GB

NUT - hex, self-locking, 3/8" - 16 NC, plated

2шт.

9

L113856

TUBE

- return-to-dig

1шт.

10

113-132

BOLT,Hex, 1/4" - 20 x 1-3/4", Gr 5

- hex, 1/4 NC x 1-3/4 inch

2шт.

11

195-102

WASHER,1/4"

- flat, 5/16 x 3/4 x 1/16 inch

4шт.

12

131-664

LOCK NUT,1/4"-20, GB

NUT - hex, self-locking, 1/4" - 20 NC, plated

2шт.

13

L113708

BLOCK

BRACKET - magnet

1шт.

Mounting holes on this bracket are 1-3/4" apart. For models with a switch and/or magnet requiring mounting holes 2-1/4" apart, an extra hole must be drilled in the bracket.

1шт.

14

L113707

MAGNET

- return-to-dig

1шт.

15

L113706

SWITCH

- return-to-dig

1шт.

16

L101231

SCREW

BOLT - hex head, 1/4" - 20 NC x 3", nylon

2шт.

17

L101200

NUT

- hex, self-locking, 1/4" - 20 NC, nylon

2шт.

18

L10051

TERMINAL CONNECTOR,Male

TERMINAL - bullet style

2шт.

19

L76694

HARNESS

- return-to-dig

1шт.

20

L18337

CABLE TIE,9.95"-12.1" lg

STRAP - tie, 15 inch, nylon

1шт.

Выбрано товаров: 21