Запчасти Case W11B (9-020) - FRONT FRAME, COVERS, AND HANDLES (09) - CHASSIS/ATTACHMENTS

Схема запчастей Case W11B - (9-020) - FRONT FRAME, COVERS, AND HANDLES (09) - CHASSIS/ATTACHMENTS
FIT
1:1
100%

Артикул

Название

Примечание

Количество

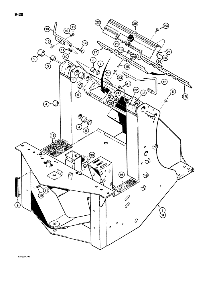
1

L118113

CHASSIS

FRAME - front chassis, with welded bosses at lower articulation joint, used on, Includes: Refs. 2 - 4, Start Serial: 9164337

1шт.

References Clark frame.

1шт.

For the repair kit used on front chassis frames without welded bosses at the lower articulation joint, see Figure 9-12.

1шт.

1

L115897

CHASSIS

FRAME - front chassis, with welded bosses at lower articulation joint, used, Includes: Ref. 2 - 4, Serial Range: -9164337

1шт.

References Funk frame.

1шт.

For the repair kit used on front chassis frames without welded bosses at the lower articulation joint, see Figure 9-12.

1шт.

2

L77537

BUSHING

- at loader lift frame

4шт.

3

D43056

BUSHING

- at loader links

4шт.

4

D34340

BUSHING,44.68mm ID x 53.98mm OD x 25.4mm L

- at loader lift cylinders

4шт.

5

L60224

BUMPER

PLUG - if used

2шт.

6

41-1038

PLUG,Cup, 2 3/8"

- if used

2шт.

7

41-1030

PLUG,Cup, 1 7/8"

- if used

2шт.

8

41-1034

PLUG,Cup, 2 1/8"

- if used

2шт.

9

L77094

BUMPER

- rubber

2шт.

10

492-11038

LOCK WASHER,3/8"

4-8шт.

11

129-103

NUT,Hex, 3/8" - 16, Gr 5

NUT, 3/8"-16, G5

4-8шт.

12

L77635

HANDLE

GRAB HANDLE - right-hand, used on canopy models

1шт.

13

L77636

HANDLE

GRAB HANDLE - left-hand, used on canopy models

1шт.

14

111-317

CARRIAGE BOLT,Short NK, 3/8"-16 x 1", G2

BOLT, CARRIAGE, Short NK, 3/8"-16 x 1", G2

2шт.

15

113-207

BOLT,Hex, 3/8" - 16 x 1", Gr 5

2шт.

16

D55216

PAD,2" x 9"

PAD - non skid, rear, 2" (51 mm) x 9" (229 mm)

3шт.

17

L78696

LARGE PLATE

PLATE - bottom, no longer available, order 17A

1шт.

17a

L118056

PLATE

- bottom

1шт.

18

113-219

BOLT,Hex, 3/8" - 16 x 2", Gr 5

2шт.

19

195-525

WASHER,3/8", SAE

- flat, 13/32 x 13/16 x 1/16 inch

2шт.

20

492-11038

LOCK WASHER,3/8"

2шт.

21

129-103

NUT,Hex, 3/8" - 16, Gr 5

NUT, 3/8"-16, G5

2шт.

22

L78700

COVER ASSY

COVER - instrument panel

1шт.

23

111-202

CARRIAGE BOLT,Short NK, 5/16"-18 x 3/4", G2

BOLT, CARRIAGE, Short NK, 5/16"-18 x 3/4", G2

5шт.

24

195-103

WASHER,5/16"

NUT - hex, 1/2 inch NC

5шт.

25

192-20

LOCK WASHER,Helical Spring, 0.318" ID, CST, ZND

WASHER, LOCK, 5/16"

5шт.

26

425-105

NUT,5/16"-18, G5

- hex, 5/16 inch NC

5шт.

27

L79372

BRACKET

- cover

1шт.

28

D93753

PADLOCK

- includes keys, Includes: Ref. 29

1шт.

29

R29555

KEY

- for Master padlock only

2шт.

29

D93751

SET OF 2 KEYS

KEY - for Yale padlock only

2шт.

30

353-411

PLUG,Dome, 1.000" hole, Nylon

2шт.

31

111-317

CARRIAGE BOLT,Short NK, 3/8"-16 x 1", G2

BOLT, CARRIAGE, , Cab models only Short NK, 3/8"-16 x 1", G2

2шт.

32

495-21044

WASHER,3/8"

(flat, 7/16 x 1 x 5/64 inch) 3/8"

2шт.

33

129-103

NUT,Hex, 3/8" - 16, Gr 5

NUT, 3/8"-16, G5

2шт.

Выбрано товаров: 40