Запчасти Case W11B (9-026) - SUSPENSION SEAT MOUNTING (09) - CHASSIS/ATTACHMENTS

Схема запчастей Case W11B - (9-026) - SUSPENSION SEAT MOUNTING (09) - CHASSIS/ATTACHMENTS
FIT
1:1
100%

Артикул

Название

Примечание

Количество

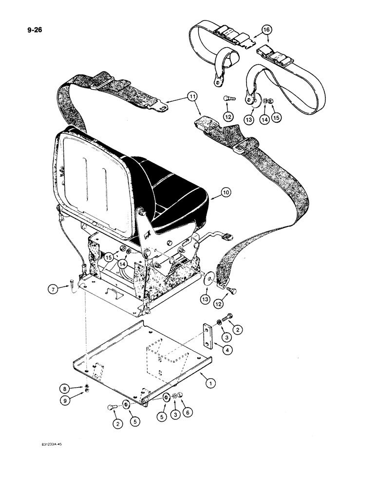
1

L78849

MOUNTING PARTS

BRACKET - seat support mounting

1шт.

2

113-410

BOLT,Hex, 1/2" - 13 x 1-1/2", Gr 5, Full Thd

4шт.

3

80679

LOCK WASHER,1/20.507 CST ZND

WASHER, LOCK, 1/2"

4шт.

4

L76670

PLATE

- retaining

1шт.

5

495-21056

WASHER,1/2"

- flat, 9/16 x 1-3/8 x 3/32 inch

4шт.

6

425-108

NUT,1/2" - 13, Gr 5

NUT, , Hex 1/2"-13, G5

2шт.

7

413-620

BOLT,Hex, 3/8" - 16 x 1-1/4", Gr 5

- hex, 3/8 NC x 1-1/4 inch

6шт.

8

492-11038

LOCK WASHER,3/8"

6шт.

9

129-103

NUT,Hex, 3/8" - 16, Gr 5

NUT, 3/8"-16, G5

6шт.

10

L112224

SEAT ASSY.

SEAT - suspension, parts list Figures 9-28 - 9-32

1шт.

11

D85816

SAFETY BELT

SEAT BELT - 3" wide

1шт.

12

F42236

STEP BOLT

CARRIAGE BOLT - 7/16" - 14 NC x 1-1/4"

2шт.

13

L79092

WASHER

- special

2шт.

14

192-22

LOCK WASHER,7/16"

WASHER, LOCK, 7/16"

2шт.

15

425-117

NUT,7/16"-20, G5

- hex, 7/16 inch NF

2шт.

16

L117002

SAFETY BELT

SAFETY BELT, 2" wide

1шт.

Выбрано товаров: 16