Запчасти Case W11B (2-022) - CYLINDER BLOCK, 4-390 ENGINE (02) - ENGINE

Схема запчастей Case W11B - (2-022) - CYLINDER BLOCK, 4-390 ENGINE (02) - ENGINE
FIT
1:1
100%

Артикул

Название

Примечание

Количество

A174229

ENGINE ASSEMBLY

ENGINE ASSY ENGINE ASSEMBLY - 4-390 standard, complete, new, (Includes all parts except starter, alternator, fan, fan belt, air cleaner, muffler and exhaust pipe) (Replaces A174112)

1шт.

1989091C3R

REMAN-BASIC ENGINE

1шт.

Includes all parts except: starter, alternator, fan, fan belt, fan bracket, air cleaner, muffler, exhaust manifold, flywheel, and housing, oil fill and dipstick, fuel injection pump, injectors and lines, front crank pulley, belt tensioner, turbocharger. Built with 3 bolt injection pump front housing

1шт.

1989091C3C

CORE-BASIC ENGINE

Return Part Number

1шт.

J905377

SKELETON ENGINE

BLOCK ASSEMBLY - short, engine (New) (Includes stripped block, pistons, connecting rods and bearings, crankshaft and bearings) (Order short block and J905813 kit), Includes: Ref. 1 - 9

1шт.

JR933238

REMAN-SHORT ENGINE

BLOCK ASSEMBLY - short, engine (Reman) (Includes stripped block, pistons, connecting rods and bearings, crankshaft and bearings) (Order short block and J905813 kit), Includes: Ref. 1 - 9

1шт.

JC933238

CORE-SHORT ENGINE

Return Part Number

1шт.

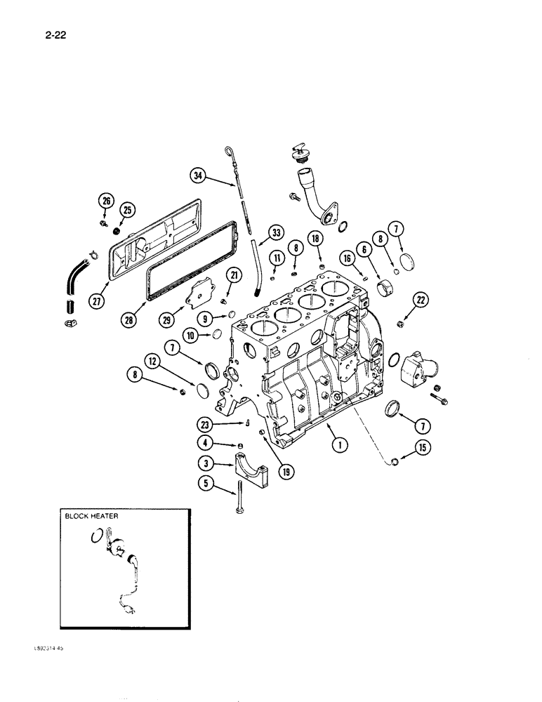
1

J905376

CRANKCASE

BLOCK ASSEMBLY - stripped, engine (Order block and J905813 kit), Includes: Ref. 3 - 9

1шт.

3

J900967

BEARING CAP

CAP - main bearing

5шт.

4

J900068

BEARING WASHER

RING - dowel, 18 mm OD

10шт.

5

J904217

BOLT,Hex, M14 x 2 x 119mm, Cl 12.9

BOLT - bearing cap, special

10шт.

6

REF

INSTRUCTION

BUSHING - camshaft front (See Figure 2-21)

1шт.

7

J900965

PLUG

PLUG - expansion, 58 mm OD

4шт.

8

J900956

PLUG

PLUG - expansion, 18 mm OD

3шт.

9

A77539

PLUG

PLUG - expansion, 26 mm (Replaces J900957)

2шт.

J905813

PACKAGE, REPAIR

KIT - block hardware, Includes: Ref. 10 - 23

1шт.

10

J900958

PLUG

PLUG - expansion, 32 mm OD

2шт.

11

J900955

PLUG

PLUG - expansion, 10 mm OD

1шт.

12

J900687

PLUG

PLUG - expansion, (Welch), 60 mm OD

1шт.

15

A77439

PLUG

PLUG - expansion, 0.886 mm OD

1шт.

16

J900257

PIN,10.01mm OD x 16mm L

PIN - dowel, 16 mm long

2шт.

18

J902343

DOWEL

RING - dowel, 16 mm OD

2шт.

19

J900068

BEARING WASHER

RING - dowel, 18 mm OD

2шт.

21

J906619

PLUG,1/8" - 27

PLUG - hex socket pipe, 1/8-27 PT

2шт.

22

A77429

PLUG

PLUG - hex socket pipe, 1/4-18 PT

1шт.

23

J901020

NOZZLE CAP

NOZZLE - piston cooling

4шт.

25

J900267

SEAL

SEAL ASSEMBLY - cover bolt

4шт.

26

J900629

FLANGE BOLT,Hvy Hex, M8 x 16mm, Cl 8.8

BOLT, Hex Flg, M8 x 16, 8.8, Full Thd

2шт.

27

J916441

COVER

COVER - tappet (Replaces J905023)

1шт.

28

J904056

GASKET

GASKET - tappet cover

1шт.

29

J907586

BAFFLE

BAFFLE - tappet cover

1шт.

33

J905128

TUBE,9.52 mm OD x 153, 75.9 mm L

TUBE - dipstick

1шт.

34

J904287

DIPSTICK

DIPSTICK - oil level gauge

1шт.

Выбрано товаров: 0