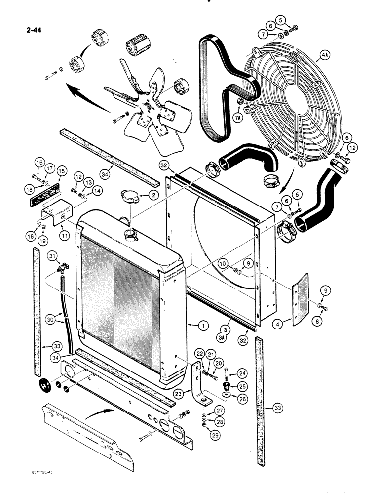
Запчасти Case W11B (2-044) - RADIATOR, FAN, AND BELT (02) - ENGINE

Схема запчастей Case W11B - (2-044) - RADIATOR, FAN, AND BELT (02) - ENGINE
FIT
1:1
100%

Артикул

Название

Примечание

Количество

1

A171322

RADIATOR

- engine cooling

1шт.

2

A170241

RADIATOR CAP

CAP, RADIATOR, Filler, 15 psi

1шт.

3

L111554

SHROUD

- fan, Serial Range: -9164337

1шт.

REF: 3-1 For use on Funk Transm.

1шт.

3a

L118157

SHROUD

- fan, Start Serial: 9164337

1шт.

Ref. 3A-1 For use on Clark Transm.

1шт.

4

L112260

GUARD

- fan, Serial Range: -9164337

1шт.

Ref. 4-1 For use on Funk Transm.

1шт.

4a

L118134

GUARD

- fan, Start Serial: 9164337

1шт.

Ref. 4A-1 For use on Clark Transm.

1шт.

5

814-8016

BOLT,Hex, M8 x 1.25 x 16mm, Cl 8.8, Full Thd

- hex, 8 mm - 1.25 x 16 mm

14шт.

6

892-1108

LOCK WASHER,M8

16шт.

7

895-11008

WASHER,9mm ID x 16mm OD x 1.6mm Thk

- flat, 9 x 17 x 2 mm

14шт.

7a

825-1108

NUT,Hex, M8, Cl 8

2шт.

8

113-3

BOLT,Hex, 1/4" - 20 x 3/4", Gr 5

3шт.

9

195-102

WASHER,1/4"

- flat, 5/16 x 3/4 x 1/16 inch

6шт.

10

86625061

NUT,1/4"-20, GB

NUT - hcx lock, 1/4 inch NC

3шт.

11

L111138

BRACKET

- upper radiator support

2шт.

12

614-8020

BOLT,Hex, M8 x 1.25 x 20mm

- hex, 8 mm - 1.25 x 20 mm

4шт.

13

892-1108

LOCK WASHER,M8

2шт.

14

895-11008

WASHER,9mm ID x 16mm OD x 1.6mm Thk

- flat, 9 x 17 x 2 mm

2шт.

15

A170665

STABILIZER

STRAP - radiator mounting

2шт.

16

413-620

BOLT,Hex, 3/8" - 16 x 1-1/4", Gr 5

- hex, 3/8 NC x 1-1/4 inch

4шт.

17

492-11038

LOCK WASHER,3/8"

4шт.

18

495-21044

WASHER,3/8"

(flat, 7/16 x 1 x 5/64 inch) 3/8"

8шт.

19

129-103

NUT,Hex, 3/8" - 16, Gr 5

NUT, 3/8"-16, G5

4шт.

20

814-8025

BOLT,Hex, M8 x 1.25 x 25mm, Cl 8.8, Full Thd

- hex, 8 mm - 1.25 x 25 mm

4шт.

21

892-1108

LOCK WASHER,M8

4шт.

22

895-11008

WASHER,9mm ID x 16mm OD x 1.6mm Thk

- flat, 9 x 17 x 2 mm

4шт.

23

L111137

SUPPORT

BRACKET - radiator mounting

2шт.

24

113-233

BOLT,Hex, 3/8" - 16 x 1-3/4", Gr 5

2шт.

25

D52276

ISOLATOR,10.16mm ID x 28.07mm OD x mm L

CUSHION - rubber

2шт.

26

D52275

WASHER,9.92mm ID x 31.75mm OD x 2.78mm Thk

- flat, 25/64 x 1-1/4 x 7/64 inch, hardened

2шт.

27

195-528

WASHER,3/8"

- flat, 3/8 inch

2шт.

495-21044

WASHER,3/8"

(flat, 7/16 x 1 x 5/64 inch) 3/8"

2шт.

29

131-217

LOCK NUT

NUT - hex, self-locking, 3/8 inch NC, grade 8

2шт.

30

L13809

RADIATOR HOSE,6.40 mm ID x 609.60, SAE 30R2 Type I

- Radiator drain 6.40 mm ID x 609.60, SAE 30R2 Type I

1шт.

31

A27862

COCK, DRAIN

VALVE - drain

1шт.

32

REF

INSTRUCTION

SEAL - 19-1/8 inch (485 mm) long, cut from A162397, see below

2шт.

33

REF

INSTRUCTION

STRIP - radiator sides, 25-3/16 inch (640 mm) long, cut from L35756, see below

2шт.

34

REF

INSTRUCTION

STRIP - radiator, upper and lower, 22" (559 mm) long, cut from L35756, see below

2шт.

A162397

SEAL

- bulk, 180 inch (4572 mm) long

1шт.

L35756

SEALING STRIP

STRIP - foam, bulk roll, 50 foot (15.24 m) long

1шт.

Выбрано товаров: 43