Запчасти Case W11B (2-046) - RADIATOR, FAN, AND BELT (02) - ENGINE

Схема запчастей Case W11B - (2-046) - RADIATOR, FAN, AND BELT (02) - ENGINE
FIT
1:1
100%

Артикул

Название

Примечание

Количество

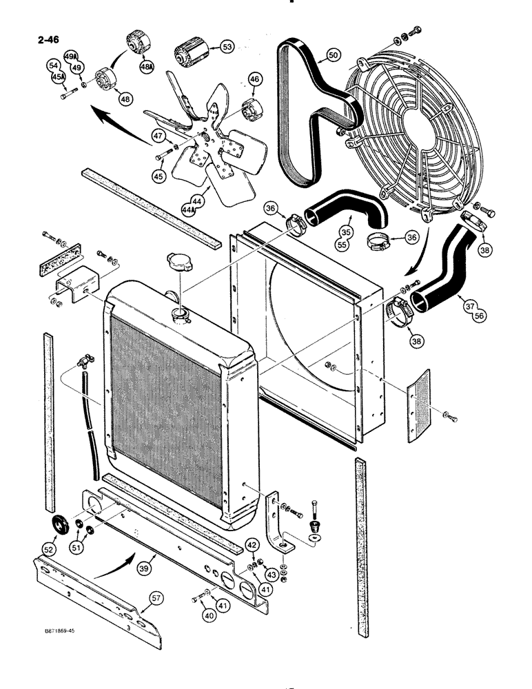
35

L114069

RADIATOR HOSE,44.40 mm ID x 304.80 mm, SAE 20R4 Class C

Upper 44.40 mm ID x 304.80 mm, SAE 20R4 Class C, Serial Range: -9164337

1шт.

Ref. 35A Funk Transmission

1шт.

36

214-259

HOSE CLAMP,#32, 1.56" - 2.5", Type F Worm

CLAMP - hose, No. 32, Type F

2шт.

37

L110975

LARGE HOSE,2.25" ID x 9.80", SAE 20R4 Class C or Class D1

RADIATOR HOSE , Lower 2.25" ID x 9.80", SAE 20R4 Class C or Class D1, Serial Range: -9164337

1шт.

Ref. 39A Funk Transmission

1шт.

38

214-261

HOSE CLAMP,#40, 2.06" - 3", Type F Worm

CLAMP - hose, 1-13/16 to 2-3/4 inch

2шт.

39

L123722

BAFFLE

- radiator, lower, Serial Range: -9164337

1шт.

Ref. 39A Funk Transmission

1шт.

40

413-620

BOLT,Hex, 3/8" - 16 x 1-1/4", Gr 5

- hex, 3/8 NC x 1-1/4 inch

2шт.

41

495-21044

WASHER,3/8"

(flat, 7/16 x 1 x 5/64 inch) 3/8"

4шт.

42

492-11038

LOCK WASHER,3/8"

2шт.

43

129-103

NUT,Hex, 3/8" - 16, Gr 5

NUT, 3/8"-16, G5

2шт.

44

A171555

FAN

- engine cooling, Serial Range: -9162740

1шт.

A171555 pusher fan with 4 holes. i.d. 9.0/8.50 mm hole i.d. A173543 same as above with hole i.d. 11.04/10.68 mm A171552 is a suction fan (per model) 1.D.9.0/8.50 mm HOLE Same spacer used.

1шт.

44a

A173543

FAN

- engine cooling, Start Serial: 9162740

1шт.

45

827-8050

BOLT,Hex, M8 x 1.25 x 50mm, Cl 10.9

Used with Ref. 44 fan Hex, M8 x 50, 10.9

4шт.

45a

827-10050

BOLT,Hex, M10 x 1.5 x 50mm, Cl 10.9

- hex, 10-1.5 x 50 mm, class 10.9, Used with Ref. 44A fan

4шт.

46

A171544

SPACER

- fan, used with Ref. 47 lock washers, no longer used, replace with Ref. 48 spacer and four Ref. 49 flat washers

4шт.

47

892-1108

LOCK WASHER,M8

no longer used, replace with Ref. 48 spacer and four Ref. 49 flat washers M8

4шт.

48

A172621

SPACER

- fan, used with Ref. 44 fan, and on models with Funk transmission

1шт.

48a

A173327

SPACER

- fan, used with Ref. 44A fan, and on models with Funk transmission

1шт.

49

H426775

WASHER

- flat, 5/16 inch, hardened, used with Ref. 44 fan

4шт.

49a

196-1

WASHER,13/32" x 13/16" x .089", HDN

- flat, 3/8 inch, hardened, used with Ref. 44A fan

4шт.

50

J903091

V-BELT,3.56 mm W x 1422.40 mm L, 8 Ribs

Fan and Alternator 3.56 mm W x 1422.40 mm L, 8 Ribs

1шт.

51

A37563

GROMMET

- rubber, 7/8 inch (22 mm) hole size

1шт.

52

L53783

GROMMET,1 1/4" ID x 2 3/8" Groove Dia, Str Cut

- rubber, 2-3/8 inch (60 mm) hole size

1шт.

53

A173333

SPACER

- fan, used with Ref. 44A fan, and on models with Clark transmission

1шт.

54

827-10110

BOLT,Hex, M10 x 1.5 x 110mm, Cl 10.9

- hex, 10 mm - 1.5 x 110 mm, class 10.9, Used with A173333 spacer, Ref. 53

4шт.

55

L118075

RADIATOR HOSE,1.75" ID x 14.30", SAE 20R4 Class C

Upper 1.75" ID x 14.30", SAE 20R4 Class C, Start Serial: 9164337

1шт.

Ref. 56A Clark Transmission

1шт.

56

L118076

RADIATOR HOSE,2.25" ID x 12.90, SAE 20R4 Class C

Lower 2.25" ID x 12.90, SAE 20R4 Class C, Start Serial: 9164337

1шт.

Ref. 56A Clark Transmission

1шт.

57

L118124

BAFFLE

- radiator, lower, Start Serial: 9164337

1шт.

Ref. 57A Clark Transmission

1шт.

Выбрано товаров: 0