Запчасти Case W11B (4-018) - ELECTRICAL SYSTEM, REAR ELECTRICAL HARNESS, PRIOR TO P.I.N. 9154401 (04) - ELECTRICAL SYSTEMS

Схема запчастей Case W11B - (4-018) - ELECTRICAL SYSTEM, REAR ELECTRICAL HARNESS, PRIOR TO P.I.N. 9154401 (04) - ELECTRICAL SYSTEMS
FIT
1:1
100%

Артикул

Название

Примечание

Количество

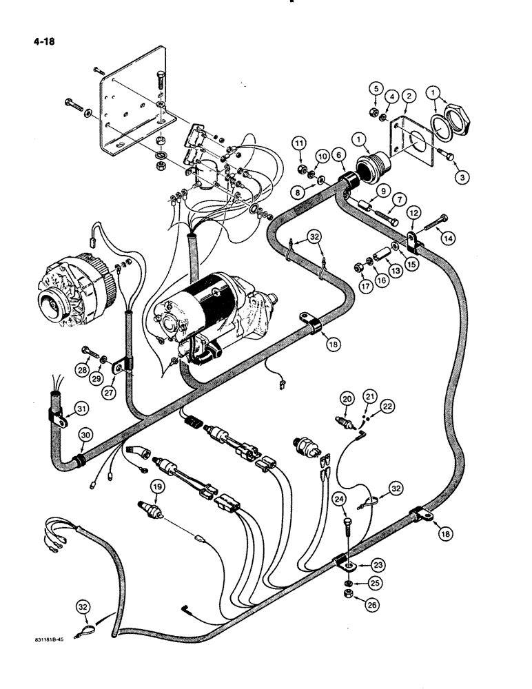
1

L113264

HARNESS

- rear, electrical

1шт.

2

L76520

BRACKET

- harness, attaches to parking brake cable bracket, if used

1шт.

2

L113951

BRACKET

- harness, attaches to hydraulic circuit support bracket at rear frame pivot, uses hydraulic supply hose mounting hardware

1шт.

3

113-207

BOLT,Hex, 3/8" - 16 x 1", Gr 5

2шт.

4

492-11038

LOCK WASHER,3/8"

2шт.

5

129-103

NUT,Hex, 3/8" - 16, Gr 5

NUT, 3/8"-16, G5

2шт.

6

515-23190

CLAMP,3/4", Insul, 3/8" Bolt

- medium c1osed, 3/4 inch diameter

1шт.

7

113-233

BOLT,Hex, 3/8" - 16 x 1-3/4", Gr 5

1шт.

8

495-21044

WASHER,3/8"

(flat, 7/16 x 1 x 5/64 inch) 3/8"

1шт.

9

33126

BUSHING

SPACER - clamp

1шт.

10

492-11038

LOCK WASHER,3/8"

1шт.

11

129-103

NUT,Hex, 3/8" - 16, Gr 5

NUT, 3/8"-16, G5

1шт.

12

49838

CLAMP

- harness retaining

1шт.

13

33126

BUSHING

SPACER - clamp

1шт.

14

113-233

BOLT,Hex, 3/8" - 16 x 1-3/4", Gr 5

1шт.

15

495-21044

WASHER,3/8"

(flat, 7/16 x 1 x 5/64 inch) 3/8"

1шт.

16

492-11038

LOCK WASHER,3/8"

1шт.

17

129-103

NUT,Hex, 3/8" - 16, Gr 5

NUT, 3/8"-16, G5

1шт.

18

49799

GASKET

CLAMP - harness

2шт.

19

L112707

SWITCH

SENDER - oil pressure

1шт.

Ref. 19 if dealer needs a single terminal switch it is A66737

1шт.

ENGINE BLOCK PER ECS #8384-37 ON ALL PRIOR TO P.I.N. 9154401.

1шт.

Ref. 19A (1) 221-401 45 DEGREE ELBOW TO BE USED WITH PRESSURE SENDER TO

1шт.

20

D65446

SENDER UNIT

SENDER - temperature, transmission and engine

2шт.

21

192-18

LOCK WASHER,Helical Spring, #10, 0.196" ID, CST, ZND

WASHER, LOCK, #10

2шт.

22

129-37

NUT,#10-32

2шт.

23

49858

O-RING,0.103" Thk x 0.75" ID, -116, Cl 5, 75 Duro

- medium c1osed, 3/4 inch diameter

2шт.

24

113-207

BOLT,Hex, 3/8" - 16 x 1", Gr 5

2шт.

25

492-11038

LOCK WASHER,3/8"

2шт.

26

129-103

NUT,Hex, 3/8" - 16, Gr 5

NUT, 3/8"-16, G5

2шт.

27

49832

CLAMP

- harness

1шт.

28

814-12020

BOLT,Hex, M12 x 1.75 x 20mm, Cl 8.8, Full Thd

- hex, 12 mm - 1.75 x 20 mm

1шт.

29

193-87

LOCK WASHER,Ext-Int Tooth, 1/2"

WASHER, LOCK, Ext-Int Tooth, 1/2"

1шт.

30

A37563

GROMMET

- rubber, 7/8 inch (22 mm) hole size

1шт.

31

49859

CLAMP

- harness

1шт.

32

L18337

CABLE TIE,9.95"-12.1" lg

STRAP - tie, 15 inch, nylon

1шт.

Выбрано товаров: 36