Запчасти Case W11B (4-020) - ELECTRICAL SYSTEM, REAR ELECTRICAL HARNESS, PRIOR TO P.I.N. 9154401 (04) - ELECTRICAL SYSTEMS

Схема запчастей Case W11B - (4-020) - ELECTRICAL SYSTEM, REAR ELECTRICAL HARNESS, PRIOR TO P.I.N. 9154401 (04) - ELECTRICAL SYSTEMS
FIT
1:1
100%

Артикул

Название

Примечание

Количество

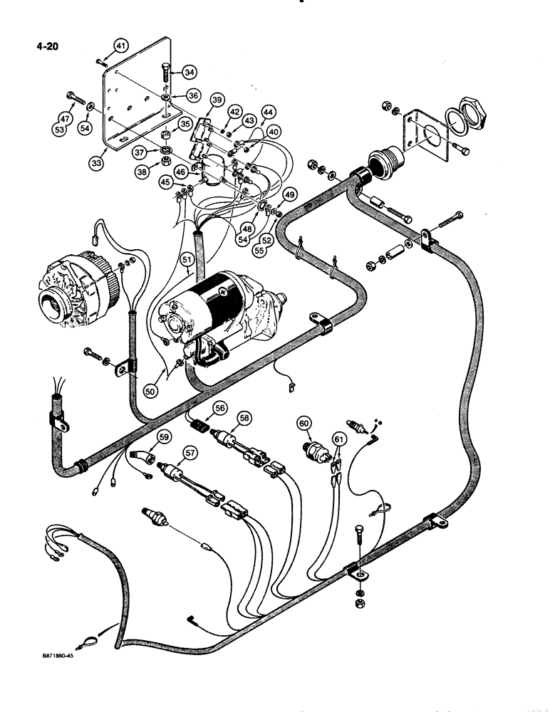
33

L114615

PANEL

- relay mounting

1шт.

34

113-122

BOLT,Hex, 5/16" - 18 x 1-1/2", Gr 5

2шт.

35

G11271

SPACER

- relay mounting bracket

2шт.

36

195-103

WASHER,5/16"

- flat, 3/8 x 7/8 x 5/64 inch

2шт.

37

193-67

LOCK WASHER,Int Tooth, 5/16"

WASHER, LOCK, , Replaces regular lock washer used in production on some models Int Tooth, 5/16"

2шт.

38

425-105

NUT,5/16"-18, G5

- hex, 5/16 inch NC

2шт.

39

R45475

BREAKER

CIRCUIT BREAKER - 40 amperes, Includes: Ref. 40

2шт.

40

131-47

LOCK NUT,Prev Torque, Hex, #10 - 32, Gr B

NUT - hex lock, no. 10 NF

2шт.

41

169-77

SCREW - slotted, no. 8 NC x 1 inch

4шт.

42

192-16

LOCK WASHER,Helical Spring, #8, 0.17" ID, CST, ZND

Washer, Lock, #8

4шт.

43

129-16

NUT,#8-32

4шт.

44

L76593

ELECTRICAL WIRE

WIRE - circuit breaker to circuit breaker

1шт.

L76594

ELECTRICAL WIRE

WIRE - circuit, Serial Range: breaker-solenoid

1шт.

46

L109874

SOLENOID

RELAY - starter and auxiliary steering

1-2шт.

47

113-4

BOLT,Hex, 1/4" - 20 x 1", Gr 5

2шт.

48

193-60

LOCK WASHER,Int Tooth, 1/4"

WASHER, LOCK, , Replaces regular lock washer used in production on some models Int Tooth, 1/4"

2шт.

49

195-102

WASHER,1/4"

- flat, 5/16 x 3/4 x 1/16 inch

2шт.

50

L61009

HARNESS

WIRE - starter, Serial Range: relay-solenoid

1шт.

51

L61008

HARNESS

WIRE - solenoid to starter relay

1шт.

52

425-104

NUT,1/4"-20, Cl 5

- hex, 1/4 inch NC

2шт.

53

113-4

BOLT,Hex, 1/4" - 20 x 1", Gr 5

Models with auxiliary steering only Hex, 1/4"-20 x 1", G5

2шт.

54

193-60

LOCK WASHER,Int Tooth, 1/4"

WASHER, LOCK, , Models with auxiliary steering only Int Tooth, 1/4"

4шт.

55

425-104

NUT,1/4"-20, Cl 5

- hex, 1/4 inch NC, models with auxiliary steering only

2шт.

56

L71879

DIODE ELEMENT,400V, 3A

DIODE - alternator protecting

1шт.

57

L112587

SWITCH

- clutch pressure

1шт.

58

L112588

SWITCH

- backup alarm, if used

1шт.

59

221-401

ELBOW,45 Degree, 1/8"-27, NPT

- street, 45 degree, 1/8 inch PT

1шт.

60

S114679

SWITCH

- neutral start

1шт.

For Neutral start switches that include terminals

1шт.

Ref. 60A Does not include two terminals per ECS # 8385-1See Figures 4-25 and 4-31

1шт.

61

L59682

TERMINAL CONNECTOR

TERMINAL - neutral start switch

2шт.

Выбрано товаров: 31