Запчасти Case W12 (004) - CYLINDER BLOCK ASSEMBLY, OIL PAN (02) - ENGINE

Схема запчастей Case W12 - (004) - CYLINDER BLOCK ASSEMBLY, OIL PAN (02) - ENGINE
FIT
1:1
100%

Артикул

Название

Примечание

Количество

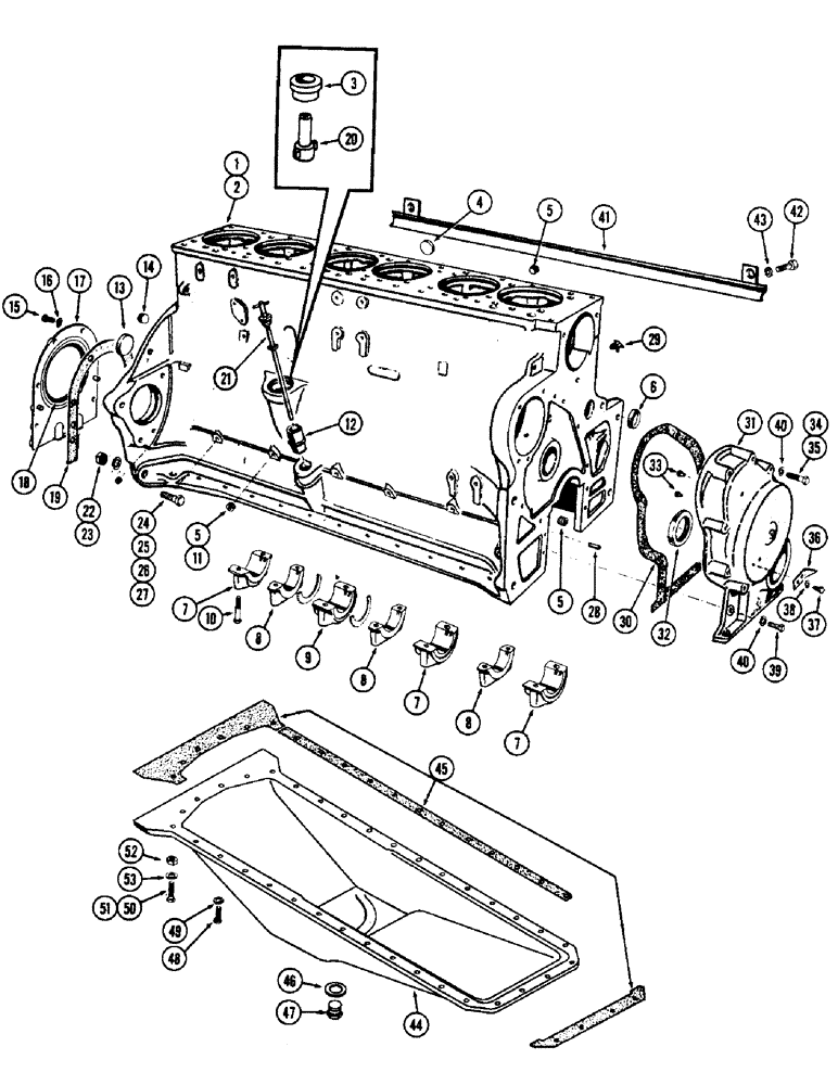
1

A40529

BLOCK ASSY. - cylinder, short (Incl. stripped block assy, pistons & rings, conn. rods & liners, camshaft & gear, crankshaft & gear, oil pump, rear seal & ret., tach. drive, sleeves and "O" rings & crankshaft gear), Includes: Ref. 2 - 20

1шт.

2

A24982

BLOCK ASSY. - cylinder (Stripped) (Incl. plugs, brg. caps and camshaft bsgs. & oil ga. sckt.), Includes: Ref. 3 - 14

1шт.

3

A11195

PLUG

- tachometer adapter

1шт.

4

41-1628

PLUG,Cup, 1 3/4", Stainless

- cup, cyl. block (Replaces A21513)

1шт.

5

221-1843

PLUG

- 3/8" ctsk. hd. pipe

5шт.

6

41-1622

PLUG,Cup, 1 3/8", Stainless

- cup, cyl. block

1шт.

7

A24941

CAP

- crankshaft brg. (Wide) (Repl. A26284)

3шт.

8

A24942

CYLINDER END CAP

CAP - crankshaft brg. (Narrow) (Repl. A26282)

3шт.

9

A24943

CAP

- crankshaft thrust brg. (Repl. A26283)

1шт.

10

A27836

SPECIAL BOLT,5/8" - 11 x 3 1/4"

- crankshaft brg. cap

14шт.

11

221-41

PLUG

- pipe, 1/8" slotted hd.

3шт.

12

A20714

X

SOCKET - gauge (Exh. stock: Order A34540 & A34541)

1шт.

12

A34540

TUBE

SOCKET - oil level gauge

1шт.

13

A24361

PLUG

- cup, camshaft bore

1шт.

14

221-26

DRAIN PLUG,Sq Soc, 1"-11 1/2, NTPF

PLUG - pipe, 1" ctsk. hd.

1шт.

15

13-620

BOLT,Hex, 3/8" - 16 x 1-1/4", Gr 5, Full Thd

6шт.

16

92-6

LOCK WASHER,3/8"

6шт.

17

A32182

RETAINER

ASSY. - crankshaft oil seal, Includes: Ref. 18

1шт.

18

A23085

OIL SEAL

- oil crankshaft retainer

1шт.

19

A32830

GASKET

- crankshaft seal ret. (Repl. A28104)

1шт.

20

A24528

ADAPTER

- tachometer

1шт.

21

A20739

GAUGE

- level (Use w/A20714) (Exh. stock: Order A34540 and A34541)

1шт.

21

A34541

DIPSTICK

GAUGE - oil level (Dipstick)

1шт.

22

25-1012

NUT,3/4"-10, G5

2шт.

23

25-108

NUT,1/2"-13, G5

- 1/2" N.C. hex.

7шт.

24

13-816

BOLT,Hex, 1/2" - 13 x 1", Gr 5, Full Thd

2шт.

25

13-820

BOLT,Hex, 1/2" - 13 x 1-1/4", Gr 5, Full Thd

3шт.

26

13-828

BOLT,Hex, 1/2" - 13 x 1-3/4", Gr 5

- 1/2" x 1-3/4" N.C. hex.

5шт.

27

13-1244

BOLT,Hex, 3/4" - 10 x 2-3/4", Gr 5

2шт.

28

A27840

PIN

- locating

2шт.

29

A27862

COCK, DRAIN

VALVE - water drain, cyl. block

1шт.

30

A27865

X

GASKET - timing cover (Exh. stock: Order A33018)

1шт.

30

A33018

GASKET

- timing gear cover (Replaces A27865)

1шт.

31

A20718

COVER ASSY. - timing gear, Includes: Ref. 32 and 33

1шт.

32

A23433

OIL SEAL

- oil, timing gear cover

1шт.

33

A27869

BUTTON - thrust

2шт.

34

13-644

BOLT,Hex, 3/8" - 16 x 2-3/4", Gr 5

- 3/8" x 2-3/4" N.C. hex.

1шт.

35

13-640

BOLT,Hex, 3/8" - 16 x 2-1/2", Gr 5

- 3/8" x 2-1/2" N.C. hex.

7шт.

36

A28218

POINTER - timing

1шт.

37

13-48

BOLT,Hex, 1/4" - 20 x 1/2", Gr 5

2шт.

38

193-44

LOCK WASHER,Ext-Int Tooth, 1/4"

LOCKWASHER - 1/4" int. Shakeproof

2шт.

39

13-616

BOLT,Hex, 3/8" - 16 x 1", Gr 5, Full Thd

2шт.

40

92-6

LOCK WASHER,3/8"

8шт.

41

A28674

CONDUIT - for wires and tubes, Serial Range: (Mounts-block)

1шт.

42

13-58

BOLT,Hex, 5/16" - 18 x 1/2", Gr 5

2шт.

43

92-5

LOCK WASHER,5/16"

2шт.

44

A20725

PAN - engine oil

1шт.

45

A15391

GASKET

SET - oil pan

1шт.

46

A27927

OIL PAN GASKET SET

- drain plug, oil pan

1шт.

47

A14280

PLUG

- drain, oil pan

1шт.

48

13-614

BOLT,Hex, 3/8" - 16 x 7/8", Gr 5, Full Thd

Oil pan Hex, 3/8"-16 x 7/8", G5, Full Thd

32шт.

49

92-6

LOCK WASHER,3/8"

oil pan 3/8"

32шт.

50

13-816

BOLT,Hex, 1/2" - 13 x 1", Gr 5, Full Thd

To flywheel housing, oil pan Hex, 1/2"-13 x 1", G5, Full Thd

2шт.

51

14-828

BOLT,Hex, 1/2" - 20 x 1-3/4", Gr 5

- 1/2" x 1-3/4" N.F. hex., to flywheel housing, oil pan

2шт.

52

25-118

NUT,1/2"-20, G5

- 1/2" N.F., for 14-828 bolt, oil pan

2шт.

53

92-8

LOCK WASHER,1/2"

for 14-828 and 13-816 bolts, oil pan 1/2"

4шт.

Engine is a 451

1шт.

Выбрано товаров: 57