Запчасти Case W12 (190) - LIFT ARM ASSEMBLY (09) - CHASSIS

Схема запчастей Case W12 - (190) - LIFT ARM ASSEMBLY (09) - CHASSIS
FIT
1:1
100%

Артикул

Название

Примечание

Количество

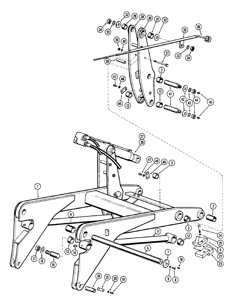
1

A16454

ARM ASSY. - bucket lift, Includes: Ref. 2 - 5

1шт.

2

A56184

BUSHING

- arm bucket pivot

2шт.

3

A14326

BUSHING - bellcrank pivot

4шт.

4

A16762

BUSHING

- lift arm pivot

2шт.

5

A15829

BRACKET - bucket stop, Serial Range: (Welded-arm)

2шт.

6

A15966

SHAFT

- lift arm pivot

1шт.

6

A13981

X

SHAFT - lift arm pivot (On stock exh. order A15966)

1шт.

7

A15967

PLATE - retaining, pivot shaft (Use w/A15966)

2шт.

7

A13982

PLATE - retaining, pivot shaft (Use w/A13981)

2шт.

8

14-824

BOLT,Hex, 1/2" - 20 x 1-1/2", Gr 5

- hex. hd., 1/2 x 1-1/2" N.F. (w/A15966)

6шт.

8

14-618

SCREW,Hex, 3/8" - 24 x 1 1/8", Gr 5

BOLT - hex. hd., 3/8 x 1-1/8" N.F. (w/A13981)

6шт.

9

92-8

LOCK WASHER,1/2"

use w/14-824 1/2"

6шт.

9

92-6

LOCK WASHER,3/8"

use w/14-618 3/8"

6шт.

10

219-3

LUBE NIPPLE,1/8" - 27 NPTF

FITTING - lube, 1/2" P.T. straight (Use w/A15967)

2шт.

10

219-1

LUBE NIPPLE,1/8" - 27 NPTF

FITTING - lube, 1/8" P.T. str. (Use w/A13982)

2шт.

11

A15806

PIPE ASSY. - leveling, Includes: Ref. 12 and 13

2шт.

12

A14326

BUSHING - leveling, Serial Range: pipe-bellcrank

2шт.

13

A14333

BUSHING - leveling pipe to lift arm

2шт.

14

219-1

LUBE NIPPLE,1/8" - 27 NPTF

FITTING - lube, 1/8" P.T. straight

2шт.

15

A13984

PIN - pivot, level pipe rear

2шт.

16

195-563

WASHER,1 5/8" x 3 1/4" x .180"

- plain, 1-1/2"

2шт.

17

25-1524

JAM NUT,Jam, 1 1/2"-12, G5

- hex. jam, 1-1/2" N.F.

2шт.

18

A14327

PIN - pivot, lift cyl., Serial Range: front-arm

2шт.

19

13-616

BOLT,Hex, 3/8" - 16 x 1", Gr 5, Full Thd

4шт.

20

92-6

LOCK WASHER,3/8"

4шт.

21

A14106

X

LOCK - pivot pin

2шт.

22

A15833

SHIM - bucket stop plate

8шт.

23

A15832

PLATE - bucket stop

2шт.

24

14-828

BOLT,Hex, 1/2" - 20 x 1-3/4", Gr 5

- hex. hd., 1/2 x 1-3/4" N.F.

4шт.

25

92-8

LOCK WASHER,1/2"

4шт.

26

A17884

CYLINDER BLOCK

CYLINDER ASSY. - hyd. tilt R.H. (Repairs, figure 186)

1шт.

27

A17885

CYLINDER ASSY. - hyd. tilt L.H. (Repairs, figure 186)

1шт.

28

A14335

CRANK ASSY. - bell, tilt cylinder (L.H. outer and R.H. inner), Includes: Ref. 29

2шт.

29

A12062

BUSHING

- cylinder pivot trunnion

1шт.

30

A14334

CRANK ASSY. - bell, tilt cyl. L.H. inner and R.H. outer), Includes: Ref. 31

2шт.

31

A12062

BUSHING

- cylinder pivot trunnion

1шт.

32

A12071

WASHER

- spacer, (1) used R.H. & (2) L.H.)

3шт.

33

193-100

LOCK WASHER,Int Tooth, 1 1/4"

WASHER - lock, 1-1/4" int. Shakeproof

4шт.

34

25-1520

NUT

- hex. jam, 1-1/4" N.F.

4шт.

35

A12377

PIPE - bucket gauge

1шт.

36

A14342

ROD - bucket gauge

1шт.

37

16-12112

X

BOLT - hex. hd., 3/4 x 7" N.F.

6шт.

38

A14339

SPACER - bell crank

6шт.

39

25-1112

NUT,3/4"-16, G5

- hex., 3/4" N.F.

6шт.

40

193-15

LOCK WASHER,Ext Tooth, 3/4"

WASHER, LOCK, Ext Tooth, 3/4"

6шт.

41

A14338

PIN - pivot, bell crank

4шт.

42

A12071

WASHER

- pivot pin

4шт.

43

193-100

LOCK WASHER,Int Tooth, 1 1/4"

WASHER - lock, 1-1/4" int. Shakeproof

4шт.

44

25-1520

NUT

- hex. jam, 1-1/4" N.F.

4шт.

45

219-1

LUBE NIPPLE,1/8" - 27 NPTF

FITTING - lube, 1/8" P.T. straight

4шт.

46

A14106

X

LOCK - pivot pin

4шт.

47

13-616

BOLT,Hex, 3/8" - 16 x 1", Gr 5, Full Thd

8шт.

48

92-6

LOCK WASHER,3/8"

8шт.

Выбрано товаров: 53