Запчасти Case W12 (012) - CRANKSHAFT, FLYWHEEL AND HOUSING (02) - ENGINE

Схема запчастей Case W12 - (012) - CRANKSHAFT, FLYWHEEL AND HOUSING (02) - ENGINE
FIT
1:1
100%

Артикул

Название

Примечание

Количество

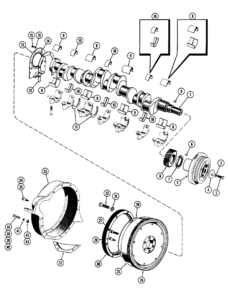
1

A24944

CRANKSHAFT - engine

1шт.

2

88112

BOLT,Hex, 5/8" - 18 x 1 1/2", Gr 5

Pulley retaining Hex, 5/8"-18 x 1 1/2", G5

1шт.

3

92-10

LOCK WASHER,5/8"

WASHER, LOCK, 5/8"

1шт.

4

A27903

WASHER

- pulley retaining

1шт.

5

A20744

DAMPER

PULLEY - crankshaft & fan drive

1шт.

6

126-129

WOODRUFF KEY,#C, 5/16" x 1 1/8", HT

For crankshaft #C, 5/16" x 1 1/8", HT

2шт.

7

A23433

OIL SEAL

- oil, crankshaft front

1шт.

8

A27837

GEAR

- crankshaft front

1шт.

9

A28687

LINING

LINER SET - crankshaft brg., wide (Std. size) (replaces A28659)

4шт.

9

A7182

KIT

LINER SET - crankshaft brg., wide (-.002")

4шт.

9

A7188

BEARING LINER

LINER SET - crankshaft brg., wide (-.010")

4шт.

9

A7194

KIT

LINER SET - crankshaft brg., wide (-.020")

4шт.

9

A7200

KIT

LINER SET - crankshaft brg., wide (-.030")

4шт.

10

A20394

LINING

LINER SET - crankshaft brg., narrow (Std. size)

3шт.

10

A20579

LINING

LINER SET - crankshaft brg., narrow (-.002")

3шт.

10

A20582

LINING

LINER SET - crankshaft brg., narrow (-.010")

3шт.

10

A20585

KIT

LINER SET - crankshaft brg., narrow (-.020")

3шт.

10

A20588

KIT

LINER SET - crankshaft brg., narrow (-.030")

3шт.

11

A27835

WASHER

- thrust, crankshaft (Std. size)

2шт.

11

A7204

WASHER

- thrust, crankshaft (+.006")

2шт.

12

A32830

GASKET

- crankshaft rear retainer

1шт.

13

A9791

RETAINER

- c'shaft rear (Ext. stock: Order A32182)

1шт.

13

A32182

RETAINER

ASSY. - crankshaft rear

1шт.

14

A23085

OIL SEAL

- oil, retainer

1шт.

15

13-620

BOLT,Hex, 3/8" - 16 x 1-1/4", Gr 5, Full Thd

6шт.

16

92-6

LOCK WASHER,3/8"

6шт.

25

A23282

FLYWHEEL ASSY. - engine, flywheel and housing, Includes: Ref. 26

1шт.

26

A27920

GEAR

- ring, flywheel, and housing

1шт.

27

A7137

HEX SOC SCREW,Sl Hex, 5/8" - 18 x 2 1/8"

BOLT - cap, flywheel and housing

4шт.

28

A7136

HEX SOC SCREW,Sl Hex, 9/16" - 18 x 2 5/32"

BOLT - dowel, flywheel, and housing

2шт.

29

A16645

SEALING RING

- drive ring, flywheel and housing

1шт.

30

A16644

RING

- drive, flywheel adapter, flywheel and housing

1шт.

31

193-30

LOCK WASHER,Int Tooth, 3/8"

WASHER, LOCK, , Flywheel and housing Int Tooth, 3/8"

8шт.

32

166-46

12 PT SCREW,Flg, 3/8" - 16 x 1 1/4", Gr 8

SCREW - cap, 3/8" x 1-1/4" N.C., 12 pt. counter ferry, flywheel and housing

8шт.

33

A17493

HOUSING - flywheel, and housing

1шт.

34

A7078

STEP BOLT

- dowel, housing (Long) (Exh. stock: Order A32607), flywheel and housing

1шт.

34

A32607

STEP BOLT

- dowel, clutch housing (Long), flywheel and housing

1шт.

35

A7079

TUBE

BOLT - dowel, housing (Short) (Exh. stock: Order A32608), flywheel and housing

1шт.

35

A32608

STEP BOLT

BOLT - dowel, clutch housing (Short), flywheel and housing

1шт.

36

A20108

BOLT - block to clutch housing, flywheel and housing

2шт.

37

A14508

X

SHIELD - dust, clutch housing, flywheel and housing

1шт.

38

13-820

BOLT,Hex, 1/2" - 13 x 1-1/4", Gr 5, Full Thd

Flywheel and housing Hex, 1/2"-13 x 1 1/4", G5, Full Thd

3шт.

39

14-828

BOLT,Hex, 1/2" - 20 x 1-3/4", Gr 5

- hex. hd., 1/2" x 1-3/4" N.F., flywheel and housing

3шт.

40

14-840

BOLT,Hex, 1/2" - 20 x 2-1/2", Gr 5

- hex. hd., 1/2" x 2-1/2" N.F., flywheel and housing

1шт.

41

92-8

LOCK WASHER,1/2"

flywheel and housing 1/2"

10шт.

42

25-118

NUT,1/2"-20, G5

- hex., 1/2" N.F., flywheel and housing

3шт.

43

25-108

NUT,1/2"-13, G5

- hex., 1/2" N.C., flywheel and housing

2шт.

Выбрано товаров: 47