Запчасти Case W12 (110) - CONVERTER HOUSING AND PUMP DRIVE (06) - POWER TRAIN

Схема запчастей Case W12 - (110) - CONVERTER HOUSING AND PUMP DRIVE (06) - POWER TRAIN
FIT
1:1
100%

Артикул

Название

Примечание

Количество

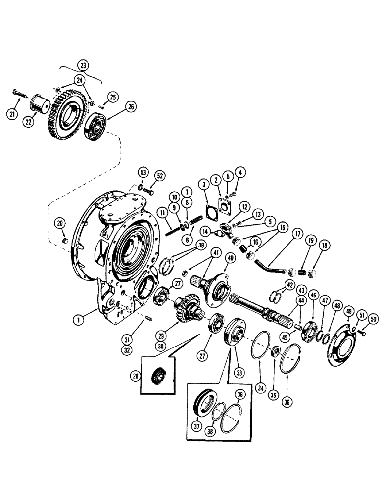
1

A12821

HOUSING - torque converter

1шт.

2

A12772

COVER - pressure reg. valve

1шт.

3

A12688

GASKET

- valve cover

1шт.

4

13-612

BOLT,Hex, 3/8" - 16 x 3/4", Gr 5, Full Thd

4шт.

5

92-6

LOCK WASHER,3/8"

Includes: Ref. 6 3/8"

6шт.

6

A12676

SPRING - pressure valve

1шт.

7

A40058

VALVE

- regulator, press., Start Serial: 27719

1шт.

8

A12673

X

VALVE - regulator, press., Serial Range: -27719

1шт.

9

A40059

WASHER

- valve seal, Start Serial: 27719

1шт.

10

A15972

WASHER

- valve seal, Serial Range: -27719

1шт.

11

A12689

PIN - pressure valve

1шт.

12

A12774

FLANGE

- drain tube

1шт.

13

13-624

BOLT,Hex, 3/8" - 16 x 1-1/2", Gr 5

- hex. hd., 3/8 x 1-1/2" N.C.

2шт.

14

A12820

GASKET

- flange mounting

1шт.

15

214-253

HOSE CLAMP,#10, 0.56" - 1.06", Type F Worm

CLAMP - hose, 9/16" to 1-1/16"

2шт.

16

A12773

HOSE ASSY.

HOSE - drain tube

1шт.

17

A12775

TUBE - housing drain

1шт.

18

214-256

HOSE CLAMP,#20, 0.81" - 1.75", Type F Worm

CLAMP - hose, 1-3/16" to 1-3/4"

2шт.

19

A12756

HOSE ASSY.

HOSE - drain, Serial Range: tube-nipple

1шт.

20

L30301

PLUG

- expansion, 3/4"

1шт.

21

A18016

X

BOLT - spindle, 7/16"-14 x 1-3/4" N.C.

1шт.

22

A12794

SPINDLE

- idler gear

1шт.

23

A12799

GEAR ASSY. - idler, (Exhaust stock: then order A40039), Includes: Ref. 24 - 26, Serial Range: -7596

1шт.

23

A40039

GEAR SET

GEAR ASSY. - ilder, accessory drive, Includes: Ref. 24 - 26

1шт.

24

A40042

X

WASHER - bearing retainer

6шт.

25

A40041

RIVET

- washer

6шт.

26

A31127

BALL BEARING,1.968" ID x 3.5433" OD x 0.7874"

BEARING - ball, gear (N.D. 1210XIA)

1шт.

27

B18274

BALL BEARING,1.7712" ID x 3.3465" OD x 0.748"

BEARING - ball, pump drive gear (use qty. of 2) (N.D. 3209 XRIA), Start Serial: 7596

2шт.

28

A12788

BEARING - ball, pump drive, (MRC 209SZ) (See ref. 28), Serial Range: -7596

1шт.

29

A13257

GEAR WHEEL

GEAR - pump drive, Start Serial: 7596

1шт.

30

A12714

X

GEAR - pump drive, Serial Range: -7596

1шт.

31

A13514

TUBE - oil transfer, Start Serial: 8590

1шт.

32

A12819

TUBE - oil transfer, Serial Range: -8590

1шт.

33

A13254

RETAINER

- bearing, Start Serial: 7596

1шт.

34

A13255

O-RING

"O" RING - outer, retainer, Start Serial: 5747

1шт.

35

A13262

SEAL

- oil, retainer, Start Serial: 7596

1шт.

36

A12816

SNAP RING

RING - snap, bearing internal

1шт.

37

A12802

RETAINER

- bearing, (When ordering also order ref. 34), Serial Range: -7596

1шт.

38

A12672

RING - snap, bearing internal, Serial Range: -7596

1шт.

39

A12841

SEAL

RING - seal, converter shaft

2шт.

40

L30302

SLEEVE - conv. ground, Start Serial: 39647

1шт.

41

A12715

SLEEVE - conv. ground, Serial Range: -39647

1шт.

42

A12823

RING - seal, converter shaft (1 used w/A40024 shaft and 2 used w/A12748 shaft)

2шт.

43

A40024

SHAFT

ASSY. - converter, Includes: Ref. 45, Start Serial: 37339

1шт.

44

A12748

SHAFT ASSY. - converter, Includes: Ref. 45, Serial Range: -37339

1шт.

45

L30303

PLUG

- lube orifice

1шт.

46

A29183

BALL BEARING,34.99mm ID x 71.99mm OD x 16.94mm W

BEARING - ball, conv. shaft (N.D. 3207XIA)

1шт.

47

A21619

CIRCLIP

RING - snap, bearing

1шт.

48

A12684

HOSE

RING - snap, bearing, Serial Range: -37339

1шт.

49

A12709

RETAINER - bearing

1шт.

50

13-614

BOLT,Hex, 3/8" - 16 x 7/8", Gr 5, Full Thd

6шт.

51

193-30

LOCK WASHER,Int Tooth, 3/8"

WASHER, LOCK, Int Tooth, 3/8"

6шт.

52

13-620

BOLT,Hex, 3/8" - 16 x 1-1/4", Gr 5, Full Thd

12шт.

53

92-6

LOCK WASHER,3/8"

12шт.

Выбрано товаров: 54