Запчасти Case W12 (122) - TRANSFER HOUSING AND GEARS, FIRST USED TRANSMISSION SER. NO. (06) - POWER TRAIN

Схема запчастей Case W12 - (122) - TRANSFER HOUSING AND GEARS, FIRST USED TRANSMISSION SER. NO. (06) - POWER TRAIN
FIT
1:1
100%

Артикул

Название

Примечание

Количество

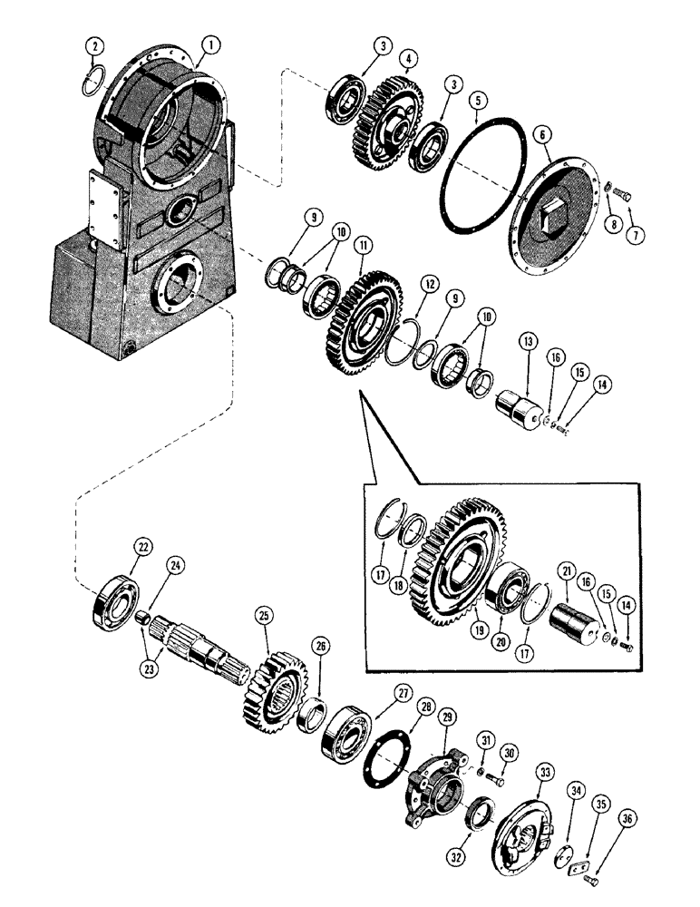
1

A16975

HOUSING

- transfer gear

1шт.

2

A12730

RING

- seal, hook type

1шт.

3

A12655

BEARING

- ball (N.D. 3216XRIA)

2шт.

4

A12786

GEAR - drive, out-put

1шт.

5

A12723

GASKET

- output gear cover

1шт.

6

A12722

COVER - output gear

1шт.

7

13-618

BOLT,Hex, 3/8" - 16 x 1-1/8", Gr 5

12шт.

8

92-6

LOCK WASHER,3/8"

12шт.

9

L30351

SPACER - idler gear, Start Serial: 40633

2шт.

10

L30352

BEARING

ASSY. - idler gear, (Hyatt R1213WB), Start Serial: 40633

2шт.

11

L30349

GEAR - output idler, Start Serial: 40633

1шт.

12

A12668

RING, SNAP

RING - snap, idler gear, Start Serial: 40633

1шт.

13

L30350

SPINDLE - idler gear, Start Serial: 40633

1шт.

14

13-714

BOLT,Hex, 7/16" - 14 x 7/8", Gr 5

- hex. hd., 7/16 x 7/8" N.C.

1шт.

15

92-7

LOCK WASHER,7/16"

1шт.

16

A12810

WASHER - retainer, spindle

1шт.

17

A12668

RING, SNAP

RING - snap, idler gear, Serial Range: -40633

2шт.

18

A12813

SPACER - idler gear, Serial Range: -40633

1шт.

19

A12768

X

GEAR - output idler, Serial Range: -40633

1шт.

20

A12839

BEARING - ball, idler gear, (Hyatt 25213Z), Serial Range: -40633

1шт.

21

A12814

SPINDLE - idler gear, Serial Range: -40633

1шт.

22

40003

BEARING

- ball, output shaft (N.D. 3311XRIA)

1шт.

23

A12815

SHAFT ASSY. - output, front, Includes: Ref. 24

1шт.

24

A12702

BUSHING - output shaft

1шт.

25

A12787

GEAR - driven, output

1шт.

26

A12825

SPACER - output driven gear

1шт.

27

A12656

BALL BEARING,2.3622" ID x 5.1181" OD x 1.2205"

BEARING - ball, output shaft (N.D. 3312XRIA)

1шт.

28

A16976

GASKET

- bearing retainer

1шт.

29

A16977

RETAINER

- bearing, front

1шт.

30

13-822

BOLT,Hex, 1/2" - 13 x 1-3/8", Gr 5, Full Thd

6шт.

31

92-8

LOCK WASHER,1/2"

6шт.

32

A12675

GASKET

SEAL - oil, output flange

1шт.

33

A12838

FLANGE - output shaft & brake mounting

1шт.

34

A12717

WASHER

- flange retaining

1шт.

35

A12736

LOCKING PLATE

- flange locking

1шт.

36

14-618

SCREW,Hex, 3/8" - 24 x 1 1/8", Gr 5

BOLT - hex. hd., 3/8 x 1-1/8" N.F.

2шт.

Выбрано товаров: 36