Запчасти Case W12 (128) - REAR AXLE CLUTCH CONTROL, TRANSFER HOUSING AND CLUTCH (06) - POWER TRAIN

Схема запчастей Case W12 - (128) - REAR AXLE CLUTCH CONTROL, TRANSFER HOUSING AND CLUTCH (06) - POWER TRAIN
FIT
1:1
100%

Артикул

Название

Примечание

Количество

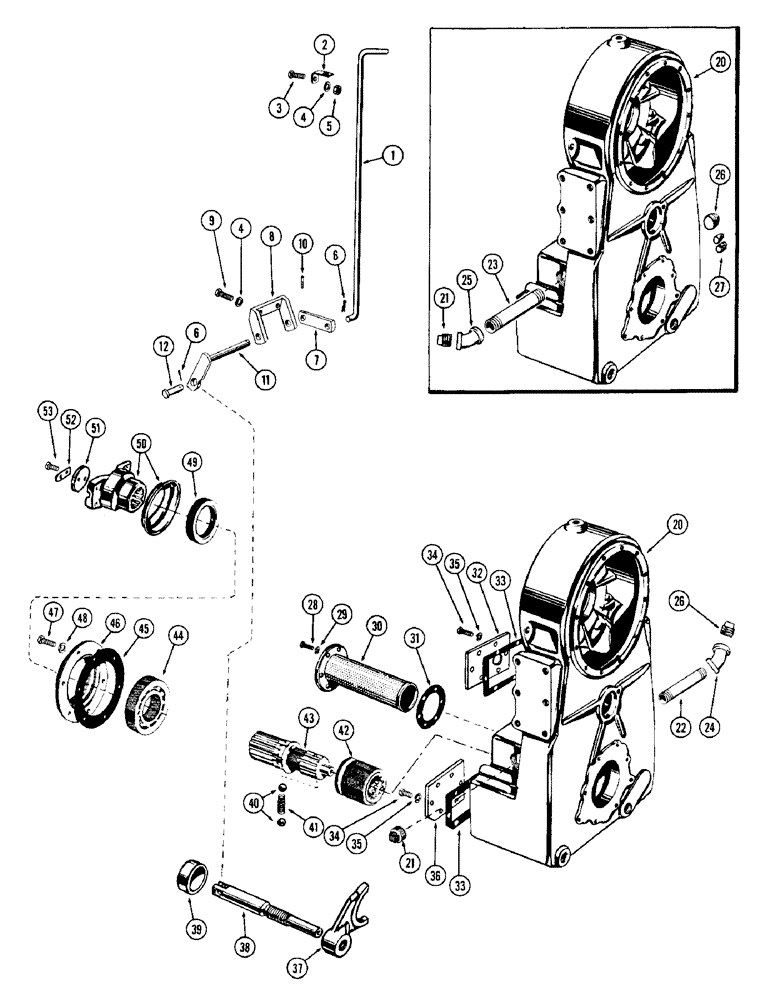
1

A14054

ROD - control, clutch disconnect

1шт.

2

A12098

CLIP - control rod

1шт.

3

14-616

BOLT,Hex, 3/8" - 24 x 1", Gr 5

- hex. hd., 3/8 x 1" N.F.

1шт.

4

92-6

LOCK WASHER,3/8"

3шт.

5

25-116

NUT,Hex, 3/8"-24, G5

- hex., 3/8" N.F.

1шт.

6

132-48

COTTER PIN,1/8" x 1"

Pin, Split (Cotter), 1/8" x 1"

2шт.

7

A12097

LEVER - control rod

1шт.

8

A16929

BRACKET - cross shaft

1шт.

9

13-620

BOLT,Hex, 3/8" - 16 x 1-1/4", Gr 5, Full Thd

2шт.

10

138-96

LOCK PIN,3/16" x 1", Slotted

PIN, 3/16" x 1", Slotted

1шт.

11

A12093

SHAFT - cross, disconnect

1шт.

12

141-6

CLEVIS PIN,1/2" x 1.360"

PIN - clevis, 1/2"

1шт.

20

A12812

X

HOUSING - transfer gears, transfer housing and clutch disconnect, Serial Range: -23080

1шт.

21

221-1018

DRAIN PLUG,Sq Hd, 1 1/2"-11 1/2 NPTF

PLUG - pipe, 1-1/2" sq. hd., transfer housing and clutch disconnect, Serial Range: -23080

1шт.

22

221-1282

NIPPLE - pipe, 1-1/4 x 12" (Early-Late production), transfer housing and clutch disconnect, Serial Range: -23080

1шт.

23

221-1304

NIPPLE - pipe, 1-1/2 x 12" (First production), transfer housing and clutch disconnect, Serial Range: -23080

1шт.

24

221-1417

FITTING

ELBOW - street, 1-1/4" x 90 degrees (Early-Late production), transfer housing and clutch disconnect, Serial Range: -23080

1шт.

25

221-1372

ELBOW - street, 1-1/2" x 45 degrees (First production), transfer housing and clutch disconnect, Serial Range: -23080

1шт.

26

221-1017

DRAIN PLUG,Sq Hd, 1 1/4"-11 1/2 NPTF

PLUG - pipe, 1-1/4" sq. hd., transfer housing and clutch disconnect, Serial Range: -23080

1шт.

27

221-1012

DRAIN PLUG,Sq Hd, 1/4"-18 NPTF

PLUG - pipe, 1/4" sq. hd., transfer housing and clutch disconnect, Serial Range: -23080

2шт.

28

13-614

BOLT,Hex, 3/8" - 16 x 7/8", Gr 5, Full Thd

Transfer housing and clutch disconnect Hex, 3/8"-16 x 7/8", G5, Full Thd, Serial Range: -23080

6шт.

29

92-6

LOCK WASHER,3/8"

transfer housing and clutch disconnect 3/8", Serial Range: -23080

6шт.

30

A12758

SPARE PART

STRAINER - oil, transfer housing and clutch disconnect, Serial Range: -23080

1шт.

31

A12664

GASKET

- strainer mounting, transfer housing and clutch disconnect, Serial Range: -23080

1шт.

32

A12776

COVER - inspection, upper, transfer housing and clutch disconnect, Serial Range: -23080

1шт.

33

A12754

GASKET - inspection cover, transfer housing and clutch disconnect, Serial Range: -23080

2шт.

34

13-616

BOLT,Hex, 3/8" - 16 x 1", Gr 5, Full Thd

Transfer housing and clutch disconnect Hex, 3/8"-16 x 1", G5, Full Thd, Serial Range: -23080

12шт.

35

92-6

LOCK WASHER,3/8"

transfer housing and clutch disconnect 3/8", Serial Range: -23080

12шт.

36

A12755

COVER - inspection, lower, transfer housing and clutch disconnect, Serial Range: -23080

1шт.

37

A12739

FORK - disconnect shifter, transfer housing and clutch disconnect, Serial Range: -23080

1шт.

38

A12729

SHAFT - disconnect shifter fork, transfer housing and clutch disconnect, Serial Range: -23080

1шт.

39

A12660

SEAL

- oil, shifter shaft, transfer housing and clutch disconnect, Serial Range: -23080

1шт.

40

211-26

BALL,15/32" Dia

- detent, ., transfer housing and clutch disconnect 15/32" Dia, Serial Range: -23080

2шт.

41

A12740

SPRING - detent ball (22 coils), transfer housing and clutch disconnect, Serial Range: -23080

1шт.

42

A12738

COUPLING - output shifter, transfer housing and clutch disconnect, Serial Range: -23080

1шт.

43

A12737

SHAFT - rear output, transfer housing and clutch disconnect, Serial Range: -23080

1шт.

44

40003

BEARING

- ball, output shaft (N.D. 3311XRIA), transfer housing and clutch disconnect, Serial Range: -23080

1шт.

45

A12726

GASKET

- bearing retainer, transfer housing and clutch disconnect, Serial Range: -23080

1шт.

46

A12771

RETAINER - rear output bearing, transfer housing and clutch disconnect, Serial Range: -23080

1шт.

47

13-616

BOLT,Hex, 3/8" - 16 x 1", Gr 5, Full Thd

Transfer housing and clutch disconnect Hex, 3/8"-16 x 1", G5, Full Thd, Serial Range: -23080

6шт.

48

92-6

LOCK WASHER,3/8"

transfer housing and clutch disconnect 3/8", Serial Range: -23080

6шт.

49

A12675

GASKET

SEAL - oil, rear output flange, transfer housing and clutch disconnect, Serial Range: -23080

1шт.

50

A12789

FLANGE

- rear output, transfer housing and clutch disconnect, Serial Range: -23080

1шт.

51

A12717

WASHER

- flange retaining, transfer housing and clutch disconnect, Serial Range: -23080

1шт.

52

A12736

LOCKING PLATE

- flange locking, transfer housing and clutch disconnect, Serial Range: -23080

1шт.

53

14-618

SCREW,Hex, 3/8" - 24 x 1 1/8", Gr 5

BOLT - hex. hd., 3/8 x 1-1/8" N.F., transfer housing and clutch disconnect, Serial Range: -23080

2шт.

Выбрано товаров: 46