Запчасти Case W12 (188) - ACCUMULATOR ATTACHMENT (08) - HYDRAULICS

Схема запчастей Case W12 - (188) - ACCUMULATOR ATTACHMENT (08) - HYDRAULICS
FIT
1:1
100%

Артикул

Название

Примечание

Количество

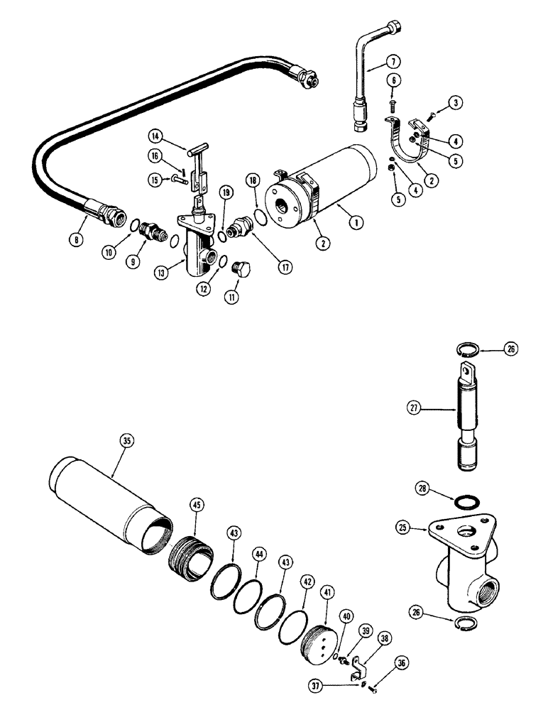
1

A13757

ACCUMULATOR ASSY. - hydraulic

1шт.

2

A16692

BRACKET - mounting, accumulator

2шт.

3

11-612

BOLT

- carriage hd., 3/8 x 3/4" N.C.

2шт.

4

92-6

LOCK WASHER,3/8"

4шт.

5

25-106

NUT,3/8"-16, G5

- hex., 3/8" N.C.

4шт.

6

13-612

BOLT,Hex, 3/8" - 16 x 3/4", Gr 5, Full Thd

2шт.

7

A14346

TUBE - valve to lift cyl. manifold

1шт.

8

A13767

HOSE - hydraulic, accumulator supply

1шт.

9

A13689

X

ADAPTER ASSY. - hose to valve, Includes: Ref. 10

1шт.

10

218-5011

O-RING,0.118" Thk x 1.475" ID, -920, Cl 6, 90 Duro

"O" RING - valve reducer

1шт.

11

A13760

X

PLUG ASSY. - valve port, Includes: Ref. 12

1шт.

12

237-6010

O-RING,0.097" Thk x 0.755" ID, -910, Cl 6, 90 Duro

"O" RING - port plug

1шт.

13

A13758

VALVE ASSY. - accumulator

1шт.

14

A13766

HANDLE - valve control

1шт.

15

141-3

CLEVIS PIN,5/16" x .940"

PIN, CLEVIS, 5/16" x .940"

1шт.

16

132-25

COTTER PIN,3/32" x 5/8"

Pin, Split (Cotter), 3/32" x 5/8"

1шт.

17

A13759

FITTING

REDUCER - fitting, valve to accum. (Special)

1шт.

18

218-5011

O-RING,0.118" Thk x 1.475" ID, -920, Cl 6, 90 Duro

"O" RING - reducer to accumulator

1шт.

19

237-6010

O-RING,0.097" Thk x 0.755" ID, -910, Cl 6, 90 Duro

"O" RING - reducer to valve

1шт.

A13758

VALVE ASSY. - accumulator, Includes: Ref. 25 - 28

1шт.

25

NSS

NOT SOLD SEPARAT

BODY - valve (Order A13758), accumulator valve

1шт.

26

F9534

RING - snap, valve spool, accumulator valve

2шт.

27

NSS

NOT SOLD SEPARAT

SPOOL - valve (Order A13758), accumulator valve

1шт.

28

A14957

X

"O" RING - valve spool, accumulator valve

1шт.

A13757

ACCUMULATOR ASSY. - hydraulic, Includes: Ref. 35 - 45

1шт.

35

NSS

NOT SOLD SEPARAT

BODY - accumulator (Order A13757), accumulator

1шт.

36

75-610

X

SCREW - mach., 3/8 x 5/8" N.C., rd. hd., accumulator

2шт.

37

92-6

LOCK WASHER,3/8"

accumulator 3/8"

2шт.

38

A14932

PROTECTOR - gas valve, accumulator

1шт.

39

A14931

VALVE ASSY. - accumulator gas, accumulator

1шт.

40

A14933

O-RING

"O" RING - gas valve, accumulator

1шт.

41

NSS

NOT SOLD SEPARAT

CAP - end, accumulator (Order A13757), accumulator

1шт.

42

A14934

O-RING,0.139" Thk x 3.734" ID, -240, Cl 5, 75 Duro

"O" RING - end cap sealing, accumulator

1шт.

43

A14930

RING - piston (Teflon), accumulator

2шт.

44

A14929

O-RING

"O" RING - piston "V", accumulator

1шт.

45

NSS

NOT SOLD SEPARAT

PISTON - accumulator (Order A13757), accumulator

1шт.

Выбрано товаров: 36