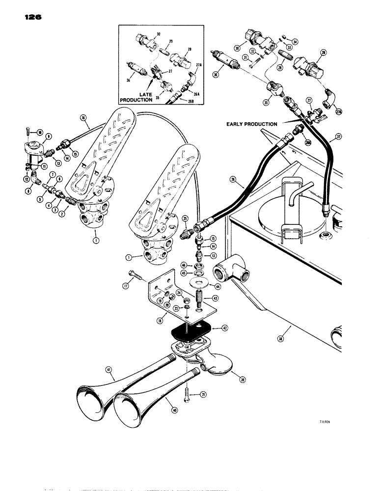
Запчасти Case W14 (126) - BRAKE SYSTEM (TREADLE TO HYDRAULIC TANK AND HORN) (07) - BRAKES

Схема запчастей Case W14 - (126) - BRAKE SYSTEM (TREADLE TO HYDRAULIC TANK AND HORN) (07) - BRAKES
FIT
1:1
100%

Артикул

Название

Примечание

Количество

1

L44173

VALVE

TREADLE AND VALVE ASSY. - brake (Parts list Figure 128)

1шт.

222-5003

CONNECTOR, ELEC,3/8"-24 x 1/4" NPT, Hi-seal

CONNECTOR ASSEMBLY - tube, 1/4", Includes: Ref. 2 - 4

1шт.

2

NSS

NOT SOLD SEPARAT

CONNECTOR - tube

1шт.

3

222-5047

SLEEVE,1/4" Tube

- connector

1шт.

4

222-5060

NUT,1/2"-20

NUT - connector

1шт.

5

L48193

TUBE,0.25" OD

- treadle to horn valve

1шт.

222-5024

ELBOW,90 Degree, 1/2"-20 x 1/4" NPT, Hi-seal

ASSEMBLY - 90 degree, 1/4", Includes: Ref. 6 - 8

1шт.

6

222-5060

NUT,1/2"-20

NUT - elbow

1шт.

7

222-5047

SLEEVE,1/4" Tube

- elbow

1шт.

8

NSS

NOT SOLD SEPARAT

BODY - elbow

1шт.

9

L12647

VALVE

- horn, air (Parts list Figure 134)

1шт.

10

13-412

BOLT,Hex, 1/4" - 20 x 3/4", Gr 5, Full Thd

2шт.

11

92-4

LOCK WASHER,1/4"

WASHER, LOCK, 1/4"

2шт.

12

25-104

NUT,1/4"-20, G5

2шт.

222-5002

HYD CONNECTOR,1/2"-20 x 1/8" NPT, Hi-seal

CONNECTOR ASSEMBLY - straight, 1/4" tube, Includes: Ref. 13 - 15

2шт.

13

NSS

NOT SOLD SEPARAT

CONNECTOR - straight, 1/4" tube

1шт.

14

222-5047

SLEEVE,1/4" Tube

- connector

1шт.

15

222-5060

NUT,1/2"-20

NUT - connector

1шт.

16

L48191

TUBE,0.25" OD

- horn valve to horn

1шт.

17

13-620

BOLT,Hex, 3/8" - 16 x 1-1/4", Gr 5, Full Thd

2шт.

18

L48196

BRACKET

- mounting, horn

1шт.

19

92-6

LOCK WASHER,3/8"

2шт.

20

25-106

NUT,3/8"-16, G5

- hex. (3/8" - 16 NC)

2шт.

21

13-520

BOLT,Hex, 5/16" - 18 x 1-1/4", Gr 5

HHCS - 5/16" - 18 NC x 1-1/4"

1шт.

22

RESERVED

1шт.

23

92-5

LOCK WASHER,5/16"

1шт.

24

9635082

NUT,5/16" - 18, Gr 5

- hex. (5/16" - 18 NC)

1шт.

25

218-454

HYD CONNECTOR,9/16" - 18 Male JIC x 1/2" - 14 Male NPTF

CONNECTOR - male, straight

1шт.

26

L53614

HOSE ASSY.

HOSE - treadle to shutoff valve (16" long) Early production

1шт.

26a

218-443

HYD CONNECTOR,9/16" - 18 Male JIC x 1/4" - 18 Male NPTF

CONNECTOR - male, straight

1шт.

26b

L48025

HOSE

- treadle to pressure protection valve (23" long) Late Production

1шт.

27

L53739

VALVE

ASSY. - shutoff, air

1шт.

27a

221-1412

ELBOW,90 Degree, 1/4"-27, NPT

Street 90º, 1/4"-27, NPT

1шт.

28

L13530

VALVE

- pressure protection (Parts list Figure 134)

1шт.

29

217-201

PIPE,Nipple, 1/4" NPT x 15/16"

NIPPLE - pipe, 1/4" NPT x 15/16" long

1шт.

30

L48129

VALVE

- reducing, pressure (Parts list Figure 132)

1шт.

31

13-432

BOLT,Hex, 1/4" - 20 x 2", Gr 5

2шт.

32

95-4

WASHER,1/4"

- plain () 1/4"

2шт.

33

92-4

LOCK WASHER,1/4"

WASHER, LOCK, 1/4"

2шт.

34

25-104

NUT,1/4"-20, G5

2шт.

35

L51238

FITTING

- tee, air supply

1шт.

36

L55268

VALVE

- relief (20 PSI pressure setting)

1шт.

37

L48026

HOSE

- tee to hydraulic tank (16" long)

1шт.

38

NSS

NOT SOLD SEPARAT

TANK - hydraulic (See Figure 154 for related parts)

1шт.

L50225

HORN

ASSEMBLY - air, Includes: Ref. 29 - 46

1шт.

39

NSS

NOT SOLD SEPARAT

MOTOR AND BODY - horn

1шт.

40

L33784

HORN

- high pitch (10 -3/4" long)

1шт.

41

L33785

HORN

- low pitch (13 - 1/3" long)

1шт.

L33786

KIT

- horn mounting, Includes: Ref. 42 - 46

1шт.

42

NSS

NOT SOLD SEPARAT

PAD - mounting

1шт.

43

NSS

NOT SOLD SEPARAT

ADAPTER - air, Serial Range: line-horn

1шт.

44

NSS

NOT SOLD SEPARAT

WASHER - special

1шт.

45

193-63

LOCK WASHER,Int Tooth, 5/8"

WASHER - lock

1шт.

46

129-127

NUT,5/8"-18, G5

1шт.

Выбрано товаров: 54