Запчасти Case W14 (154) - HYDRAULIC TANK AND RELATED PARTS (08) - HYDRAULICS

Схема запчастей Case W14 - (154) - HYDRAULIC TANK AND RELATED PARTS (08) - HYDRAULICS
FIT
1:1
100%

Артикул

Название

Примечание

Количество

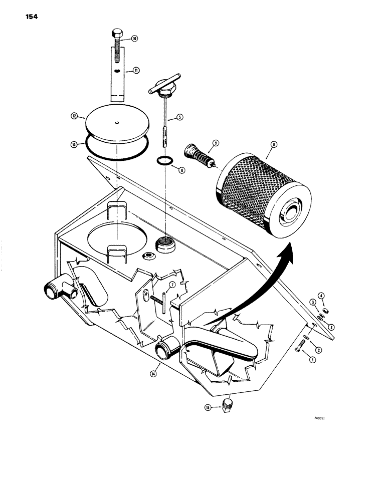
1

13-624

BOLT,Hex, 3/8" - 16 x 1-1/2", Gr 5

HHCS - 3/8" - 16 NC x 1-1/2"

4шт.

2

D41740

WASHER

- flat (3/8")

8шт.

3

92-6

LOCK WASHER,3/8"

4шт.

4

25-106

NUT,3/8"-16, G5

- hex. (3/8" - 16 NC)

4шт.

5

L51652

DIPSTICK

GUAGE - oil level

1шт.

6

218-5012

O-RING,0.118" Thk x 1.720" ID, -924, Cl 6, 90 Duro

SEAL - "O"ring

1шт.

7

L55064

BAR

BOLT - "T", filter holddown

1шт.

8

L50384

FILTER, ELEMENT

FILTER - hydraulic tank

1шт.

9

L50383

VALVE

- relief, bypass

1шт.

L50737

TANK

ASSEMBLY - hydraulic, Includes: Ref. 10 - 15

1шт.

10

L50742

SCREW - special, cover holddown (When stock is exhausted order 113-419 bolt for service) Not shown

1шт.

10

113-419

BOLT,Hex, 1/2" - 13 x 2-1/2", Gr 5, Full Thd

Hex, 1/2"-13 x 2 1/2", G5, Full Thd

1шт.

11

L50741

BAR

- cover holddown

1шт.

12

L50743

COVER

- hydraulic tank access (When stock is exhausted, order L55406 cover and L55410 seal for service)

1шт.

12

L55406

COVER

- hydraulic tank access

1шт.

13

L52161

SEALING RING

QUAD RING - seal, cover (Used with L50743 cover only) .134" thick

1шт.

13

L55410

O-RING,0.275" Thk x 7.22" ID, -442, Cl 5, 75 Duro

SEAL - "O"ring, cover (Used with L55406 cover only) .275" thick

1шт.

14

NSS

NOT SOLD SEPARAT

TANK - hydraulic

1шт.

15

221-677

DRAIN PLUG,Sq Hd, 3/4" NPT

PLUG - magnetic drain

1шт.

Выбрано товаров: 19