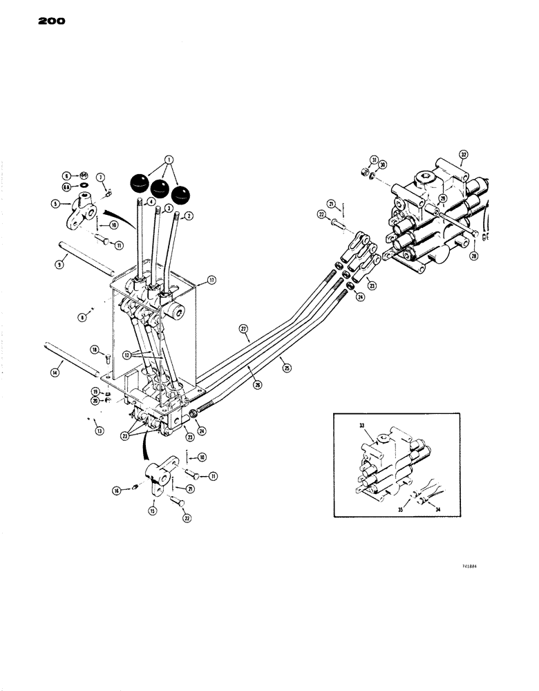
Запчасти Case W14 (200) - LOADER CONTROL VALVE AND LEVERS (3 SPOOL), ALL VALVES HAVE CASE NUMBER ON VALVE I.D. PLATE (08) - HYDRAULICS

Схема запчастей Case W14 - (200) - LOADER CONTROL VALVE AND LEVERS (3 SPOOL), ALL VALVES HAVE CASE NUMBER ON VALVE I.D. PLATE (08) - HYDRAULICS
FIT
1:1
100%

Артикул

Название

Примечание

Количество

1

A23885

KNOB

- control lever

3шт.

2

L51854

LEVER

- loader lift control

1шт.

3

L51853

LEVER

- loader bucket control

1шт.

4

L51855

LEVER

- bucket clam control

1шт.

5

L51830

LEVER

BELLCRANK - upper

3шт.

6

25-148

JAM NUT,Jam, 1/2"-13, G5

- hex, jam (1/2"-13 NC)

3шт.

6a

193-48

LOCK WASHER,Ext-Int Tooth, 1/2"

WASHER, LOCK, Ext-Int Tooth, 1/2"

3шт.

7

219-55

LUBE NIPPLE,90 Degree Elbow, 1/8" - 27 NPTF

NIPPLE, LUBE, 90º, 1/8" NPT x .84" lg

3шт.

8

138-67

LOCK PIN,1/8" x 1 3/4", Slotted

Pin, 1/8" x 1 3/4", Slotted

1шт.

9

L47816

SHAFT

- lever pivot

1шт.

10

132-48

COTTER PIN,1/8" x 1"

Pin, Split (Cotter), 1/8" x 1"

6шт.

11

141-6

CLEVIS PIN,1/2" x 1.360"

PIN - clevis, 1/2"

6шт.

12

L47998

ROD

- connecting

3шт.

13

138-67

LOCK PIN,1/8" x 1 3/4", Slotted

Pin, 1/8" x 1 3/4", Slotted

1шт.

14

L47816

SHAFT

- bellcrank pivot

1шт.

15

L51047

DIPPER

BELLCRANK - spool actuating, lower

3шт.

16

219-1

LUBE NIPPLE,1/8" - 27 NPTF

FITTING - grease, straight (1/8" NPT)

3шт.

17

L52359

CONSOLE

CONSOEL - control (When stock is exhausted, order L54716 console for service)

1шт.

17

L54716

CONSOLE

- control

1шт.

18

13-616

BOLT,Hex, 3/8" - 16 x 1", Gr 5, Full Thd

4шт.

19

92-6

LOCK WASHER,3/8"

4шт.

20

25-106

NUT,3/8"-16, G5

- hex. (3/8" - 16 NC)

4шт.

21

132-48

COTTER PIN,1/8" x 1"

Pin, Split (Cotter), 1/8" x 1"

6шт.

22

141-6

CLEVIS PIN,1/2" x 1.360"

PIN - clevis, 1/2"

6шт.

23

213-6

ADJUSTABLE CLEVIS,1/2"-20 x 3"

CLEVIS - connecting link

6шт.

24

25-158

JAM NUT,Jam, 1/2"-20, G5

- hex., jam (1/2" - 20 NF)

6шт.

25

L52017

ROD

LINK - connecting, bellcrank to valve (Lift spool)

1шт.

26

L52016

ROD

LINK - connecting, bellcrank to valve (Loader bucket spool)

1шт.

27

L52015

DRAG LINK

LINK - connecting, bellcrank to valve (Bucket clam spool)

1шт.

28

13-8124

BOLT,Hex, 1/2" - 13 x 7-3/4", Gr 5

HHCS - 1/2" - 13 NC x 7-3/4"

3шт.

30

92-8

LOCK WASHER,1/2"

3шт.

31

25-108

NUT,1/2"-13, G5

- hex. (1/2" - 13 NC)

3шт.

32

L52776

VALVE ASSEMBLY - loader, Parts list Figure 206 (For service order L70430 valve, L70848 connector and L70849 connector)

1шт.

32

L58296

VALVE

ASSEMBLY - loader, Parts list Figure 206 (For service, order L70430 valve, L70848 connector and L70849 connector)

1шт.

33

L70430

VALVE

ASSEMBLY - loader (Parts list Figure 206

1шт.

34

L70848

CONNECTOR, ELEC

CONNECTOR - plug-in, lift spool (If used)

1шт.

35

L70849

CONNECTOR, ELEC

CONNECTOR - plug-in, dump spool (If used)

1шт.

Выбрано товаров: 37