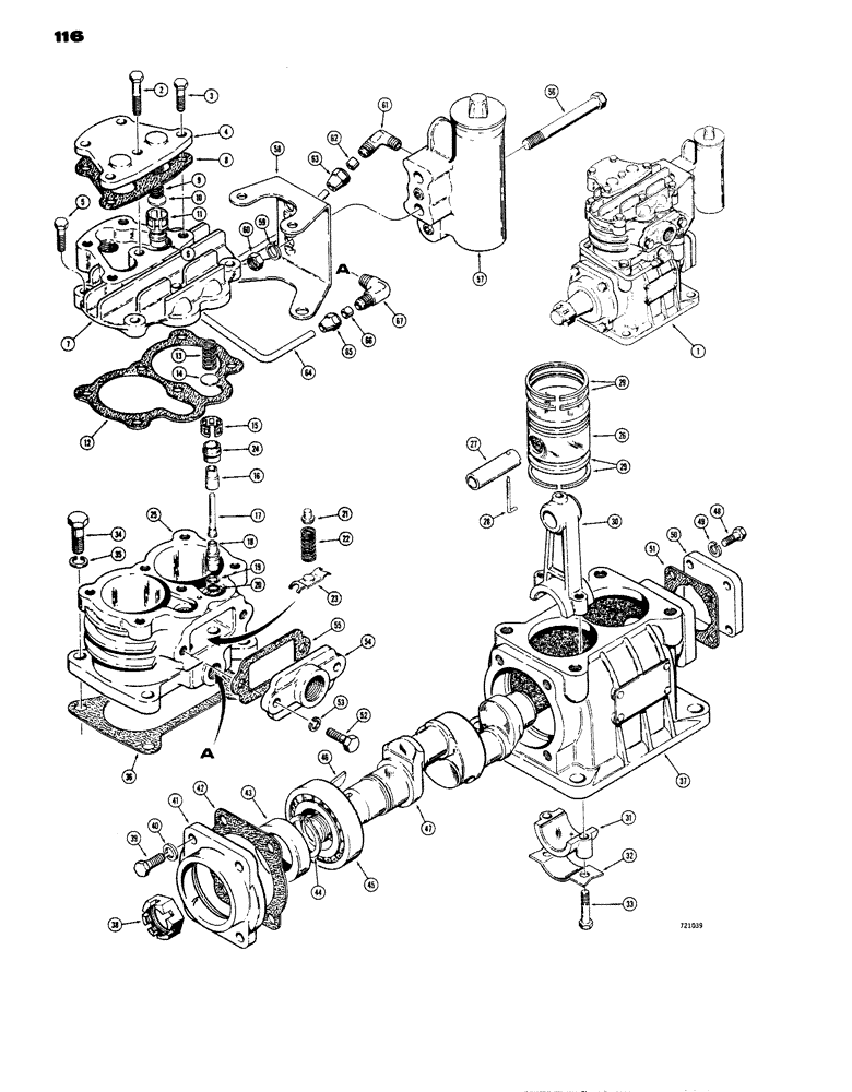
Запчасти Case W14 (116) - L52092 AIR COMPRESSOR (TU-FLO 300), USED BEFORE TRACTOR S/N 9119152 (09) - CHASSIS

Схема запчастей Case W14 - (116) - L52092 AIR COMPRESSOR (TU-FLO 300), USED BEFORE TRACTOR S/N 9119152 (09) - CHASSIS
FIT
1:1
100%

Артикул

Название

Примечание

Количество

1

L52092

COMPRESSOR

- air, Includes: Ref. 2 - 23

1шт.

2

L32588

BOLT,1/4" x 1 1/2"

- special, long, cover to head assembly

1шт.

3

L32561

BOLT - special, short, cover to head assembly

4шт.

4

L32560

COVER - head

1шт.

5

L31458

SCREW,Hex, 1/4" - 20 x 5/8"

BOLT - special, head assembly to cylinder block

5шт.

L32554

CYLINDER BLOCK

HEAD ASSEMBLY - cylinder, Includes: Ref. 6 and 7

1шт.

6

L32556

SEAT

- discharge valve

2шт.

7

NSS

NOT SOLD SEPARAT

HEAD - cylinder

1шт.

L32590

KIT

- repair, cylinder head and block, Includes: Ref. 8 - 23

1шт.

8

NSS

NOT SOLD SEPARAT

GASKET - cover

1шт.

9

NSS

NOT SOLD SEPARAT

SPRING - valve

2шт.

10

NSS

NOT SOLD SEPARAT

VALVE - discharge

2шт.

11

NSS

NOT SOLD SEPARAT

GUIDE - valve

2шт.

12

L32562

GASKET

- head assembly to cylinder block

1шт.

13

NSS

NOT SOLD SEPARAT

SPRING - valve, inlet

2шт.

14

NSS

NOT SOLD SEPARAT

VALVE - inlet

2шт.

15

NSS

NOT SOLD SEPARAT

GUIDE - inlet valve

2шт.

L32591

KIT

- unloader, air compressor, Includes: Ref. 16 - 23

1шт.

16

NSS

NOT SOLD SEPARAT

GUIDE - plunger

2шт.

17

NSS

NOT SOLD SEPARAT

PLUNGER - unloader

2шт.

18

NSS

NOT SOLD SEPARAT

PISTON - unloader

2шт.

19

L31407

O-RING

- backup

2шт.

20

L31406

BACK-UP RING

SEAL - O-ring

2шт.

21

L31412

SEAT

- spring

1шт.

22

NSS

NOT SOLD SEPARAT

SPRING - unloader

1шт.

23

NSS

NOT SOLD SEPARAT

SADDLE - spring

1шт.

L32517

CYLINDER

BLOCK ASSEMBLY - cylinder, Includes: Ref. 24 and 25

1шт.

24

L32519

SEAT

- inlet valve

2шт.

25

NSS

NOT SOLD SEPARAT

BLOCK - cylinder

1шт.

L32570

PISTON

AND WRIST PIN ASSEMBLY - standard, Includes: Ref. 26 and 27

2шт.

L32571

PISTON

AND WRIST PIN ASSEMBLY - .010" oversized, Includes: Ref. 26 and 27

2шт.

L32572

PIN

PISTON AND WRIST PIN ASSEMBLY - .020" oversized, Includes: Ref. 26 and 27

2шт.

L32573

PISTON

AND WRIST PIN ASSEMBLY - .030" oversized, Includes: Ref. 26 and 27

2шт.

26

NSS

NOT SOLD SEPARAT

PISTON - air compressor

1шт.

27

NSS

NOT SOLD SEPARAT

WRIST PIN - piston

1шт.

28

L32574

ELECTRICAL WIRE

LOCK WIRE - wrist pin

2шт.

L32580

RING

SET - piston, standard, Color- steel, Includes: Ref. 29

1шт.

L32581

RING

SET - piston, .010" oversized, Color-yellow, Includes: Ref. 29

1шт.

L32582

RING

SET - piston, .020" oversized, Color-blue, Includes: Ref. 29

1шт.

L32583

RING

SET - piston, .030" oversized, Color-green, Includes: Ref. 29

1шт.

29

NSS

NOT SOLD SEPARAT

RING - piston

6шт.

L32569

ROD

ASSEMBLY - connecting, Includes: Ref. 30 - 39

2шт.

30

NSS

NOT SOLD SEPARAT

ROD - connecting

1шт.

31

NSS

NOT SOLD SEPARAT

CAP - connecting rod

1шт.

32

L32579

STRAP - locking, Includes: Ref. 33

1шт.

33

L32589

BOLT (SPREADER)

BOLT - special

2шт.

34

13-516

BOLT,Hex, 5/16" - 18 x 1", Gr 5

4шт.

35

192-110

LOCK WASHER,5/16"

WASHER - light sect. lock, 5/16"

4шт.

36

L32516

GASKET

- cylinder block to crankcase

1шт.

37

L32515

CRANKCASE

- air compressor

1шт.

38

N7683

NUT

- hex, slotted, 3/4" - 16 NF

1шт.

39

L31458

SCREW,Hex, 1/4" - 20 x 5/8"

BOLT - special, front cover mounting

4шт.

40

92-4

LOCK WASHER,1/4"

WASHER, LOCK, 1/4"

4шт.

41

L32529

COVER ASSY

COVER - front

1шт.

42

L32528

GASKET

- front cover

1шт.

43

L32530

OIL SEAL

SEAL - oil, front crankcase

1шт.

44

A8218

SNAP RING,#118, Ext

Ring, Snap, #118, Ext

1шт.

45

L32527

BALL BEARING

BEARING - ball

1шт.

46

L126-213

KEY - Woodruff, special

1шт.

47

L32526

CRANKSHAFT

- air compressor

1шт.

48

163-11

SCREW,Hex, #10 - 24 x 9/16"

BOLT - hex., special

4шт.

49

192-18

LOCK WASHER,Helical Spring, #10, 0.196" ID, CST, ZND

WASHER, LOCK, #10

4шт.

50

L35232

GEAR

COVER - rear, crankcase

1шт.

51

L32531

GASKET

- rear cover

1шт.

52

L31458

SCREW,Hex, 1/4" - 20 x 5/8"

BOLT - special, inlet adapter mounting

2шт.

53

92-4

LOCK WASHER,1/4"

WASHER, LOCK, 1/4"

2шт.

54

L32586

PLATE

ADAPTER - special, inlet

1шт.

55

L32585

GASKET

- inlet adapter

1шт.

56

113-119

BOLT,Hex, 5/16" - 18 x 2-3/4", Gr 5

2шт.

57

L32563

GOVERNOR

ASSEMBLY - air compressor, parts list Figure 120

1шт.

58

L35410

BRACKET - governor mounting

1шт.

59

192-110

LOCK WASHER,5/16"

WASHER - light section lock, 5/16"

2шт.

60

425-145

JAM NUT,Jam, 5/16"-18, G5

2шт.

222-617

ELBOW,90 Degree, 3/8"-24 x 1/8" NPT, Comp

ASSEMBLY - flex. tube, 1/4" tube, at governor, Includes: Ref. 61 - 63

1шт.

61

NSS

NOT SOLD SEPARAT

ELBOW - flex. tube, 1/4" tube, at governor

1шт.

62

222-102

SLEEVE,1/4" Tube

1шт.

63

87017024

TUBE NUT,1/2"-24

NUT - flex. tube, 1/4" tube

1шт.

64

L35411

TUBE - copper, 1/4" dia., Serial Range: Compressor-governor

1шт.

222-618

ELBOW,90 Degree, 3/8"-24 x 1/4" NPT, Comp

ASSEMBLY - flex tube, 1/4" tube, at compressor, Includes: Ref. 65 - 67

1шт.

65

87017024

TUBE NUT,1/2"-24

NUT - flex. tube, 1/4" tube

1шт.

66

222-102

SLEEVE,1/4" Tube

1шт.

67

NSS

NOT SOLD SEPARAT

ELBOW - flex. tube, 1/4" tube, at compressor

1шт.

Выбрано товаров: 82