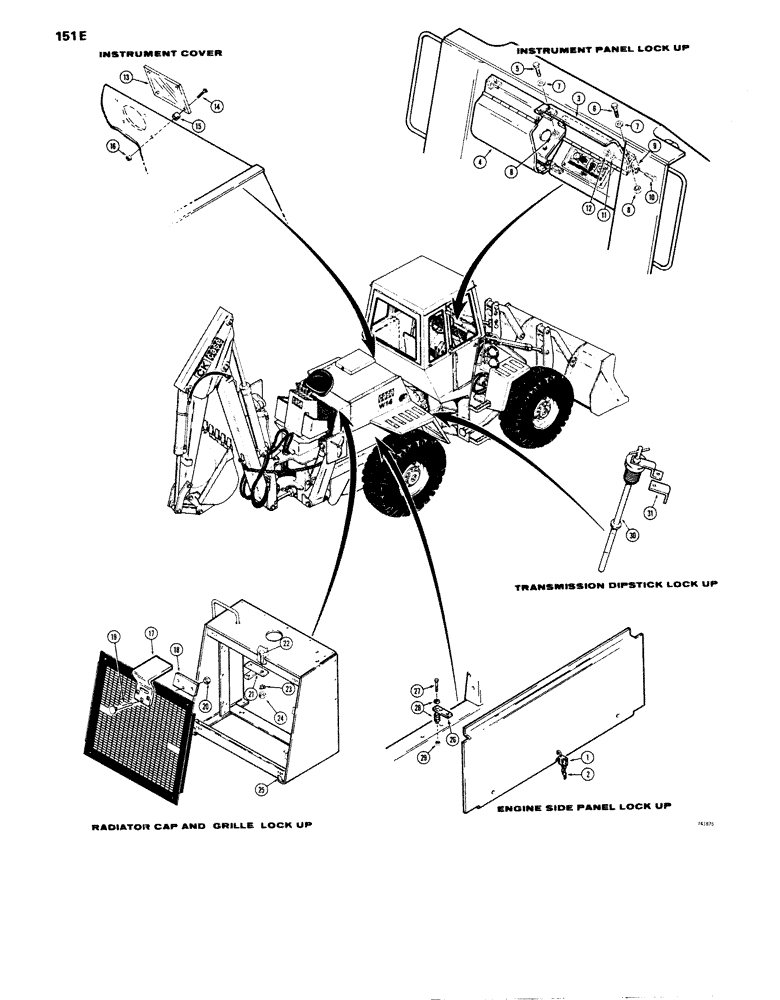
Запчасти Case W14 (151E) - LOCKUP PARTS, BACKHOE MODELS ONLY, INSTRUMENT PANEL LOCKUP (09) - CHASSIS

Схема запчастей Case W14 - (151E) - LOCKUP PARTS, BACKHOE MODELS ONLY, INSTRUMENT PANEL LOCKUP (09) - CHASSIS
FIT
1:1
100%

Артикул

Название

Примечание

Количество

1

R29554

LOCK

PADLOCK - tractor lockup, Includes: Ref. 2

5шт.

2

R29555

KEY

- padlock

2шт.

3

L53914

SHIELD - instrument panel (R.H.), instrument panel lockup models without instrument panel

1шт.

4

L53913

SHIELD - instrument panel (L.H.), instrument panel lockup models without instrument panel

1шт.

5

13-620

BOLT,Hex, 3/8" - 16 x 1-1/4", Gr 5, Full Thd

Instrument panel lockup models without instrument panel Hex, 3/8"-16 x 1 1/4", G5, Full Thd

2шт.

6

13-616

BOLT,Hex, 3/8" - 16 x 1", Gr 5, Full Thd

Instrument panel lockup models without instrument panel Hex, 3/8"-16 x 1", G5, Full Thd

2шт.

7

95-6

WASHER,3/8"

- plain (), instrument panel lockup models without instrument panel 3/8"

4шт.

8

131-6

LOCK NUT,3/8"-16, GC

NUT - hex. (3/8" - 16 NC), instrument panel lockup models without instrument panel

4шт.

9

L50937

BRACKET - hinge support, instrument panel lockup models without instrument panel

2шт.

10

13-620

BOLT,Hex, 3/8" - 16 x 1-1/4", Gr 5, Full Thd

Instrument panel lockup models without instrument panel Hex, 3/8"-16 x 1 1/4", G5, Full Thd

2шт.

11

95-6

WASHER,3/8"

- plain (), instrument panel lockup models without instrument panel 3/8"

2шт.

12

131-6

LOCK NUT,3/8"-16, GC

NUT - hex. (3/8" - 16 NC), instrument panel lockup models without instrument panel

2шт.

13

L54570

COVER

- tachometer, front panel, tachometer lockup

1шт.

14

71-418

SCREW - machine, fillister head (1/4" - 20 NC x 1-1/8"), tachometer lockup

4шт.

15

A31132

SPACER - cover (13/32" long), tachometer lockup

4шт.

16

131-2

NUT,1/4"-20, GB

NUT - hex., lock (1/4" - 20 NC), tachometer lockup

4шт.

17

L57271

COVER

- radiator cap, radiator cap and grille lockup

1шт.

18

L57266

PLATE

- backing, cover mounting, radiator cap and grille lockup

1шт.

19

11-516

BOLT,Short NK, 5/16"-18 x 1", G2

CARRIAGE, , Radiator cap and grille lockup Short NK, 5/16"-18 x 1", G2

3шт.

20

131-4

LOCK NUT,5/16"-18, GB

NUT - hex. (5/16" - 18 NC), radiator cap and grille lockup

3шт.

21

L57270

BAR ASSY.

BAR - grille lock, radiator cap and grille lockup

1шт.

22

13-616

BOLT,Hex, 3/8" - 16 x 1", Gr 5, Full Thd

Radiator cap and grille lockup Hex, 3/8"-16 x 1", G5, Full Thd

2шт.

23

92-6

LOCK WASHER,3/8"

radiator cap and grille lockup 3/8"

2шт.

24

25-106

NUT,3/8"-16, G5

- hex. (3/8" - 16 NC), radiator cap and grille lockup

2шт.

25

L57267

STOP

- grille retaining, radiator cap and grille lockup

1шт.

26

L5252

BAR - side panel lock, radiator cap and grille lockup

2шт.

27

13-520

BOLT,Hex, 5/16" - 18 x 1-1/4", Gr 5

HHCS - 5/16" - 18 NC x 1-1/4", engine side lockup

4шт.

28

95-5

WASHER,3/8" x 7/8" x .083"

- standard wrot (5/16"), engine side lockup

16шт.

29

131-4

LOCK NUT,5/16"-18, GB

NUT - hex. (5/16" - 18 NC), engine side lockup

4шт.

30

L54054

DIPSTICK

CAP AND DIPSTICK - transmission oil fill lockup

1шт.

31

L55049

SUPPORT

BRACKET - locking, transmission oil fill lockup

1шт.

Выбрано товаров: 31