Запчасти Case W14 (178) - L53924 4-IN-1 BUCKET (09) - CHASSIS

Схема запчастей Case W14 - (178) - L53924 4-IN-1 BUCKET (09) - CHASSIS
FIT
1:1
100%

Артикул

Название

Примечание

Количество

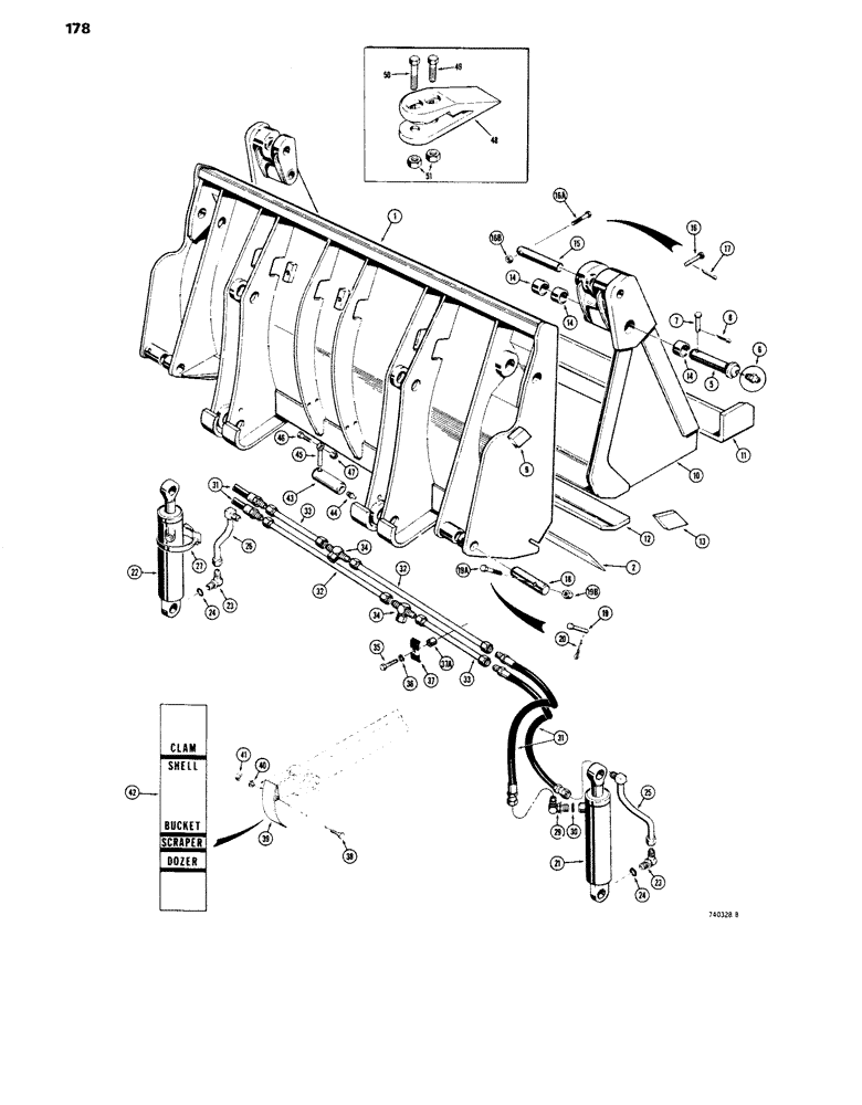
L53924

BUCKET - without teeth (1-1/4 yd) Machinery item, Includes: Ref. 1 - 14

1шт.

L53864

HALF BLADE

BLADE ASSEMBLY - bucket, Includes: Ref. 1 - 4

1шт.

1

NSS

NOT SOLD SEPARAT

BLADE - bucket

1шт.

2

D95182

EDGE, CUTTING

CUTTING EDGE - blade

1шт.

3

RESERVED

1шт.

4

RESERVED

1шт.

5

D46917

PIN

-, Serial Range: blade-clam

2шт.

6

219-1

LUBE NIPPLE,1/8" - 27 NPTF

FITTING - grease, straight (1/8" NPT)

2шт.

7

D46973

PIN

- clevis

2шт.

8

132-48

COTTER PIN,1/8" x 1"

Pin, Split (Cotter), 1/8" x 1"

2шт.

9

D46913

PLATE

BLOCK - stop

2шт.

D49616

CLAW

CLAM ASSEMBLY - bucket, Includes: Ref. 10 - 14

1шт.

10

NSS

NOT SOLD SEPARAT

CLAM - bucket

1шт.

11

D49617

EDGE

CUTTING EDGE - clam

1шт.

12

D49618

PLATE

WEAR PLATE - clam

1шт.

13

D46914

PLATE

GRAB HOOK

2шт.

14

D31140

BUSHING,38.33mm ID x 47.63mm OD x 25.4mm L

- hinge

6шт.

15

D39311

PIN

- upper, Serial Range: cylinder-blade

2шт.

16

D47252

PIN

- clevis, If used

2шт.

16a

13-668

BOLT,Hex, 3/8" - 16 x 4-1/4", Gr 5

HHCS - 3/8" - 16 NC x 4-1/4" (If used)

2шт.

16b

131-206

NUT,3/8"-16

NUT - hex., lock (3/8" - 16 NC)

2шт.

17

132-48

COTTER PIN,1/8" x 1"

Pin, Split (Cotter), , Used with D47252 pin only 1/8" x 1"

2шт.

18

D39306

PIN

- lower, Serial Range: cylinder-blade

2шт.

19

D47251

PIN

- clevis, if used

2шт.

19a

13-668

BOLT,Hex, 3/8" - 16 x 4-1/4", Gr 5

HHCS - 3/8" - 16 NC x 2-3/4" (If used)

2шт.

19b

131-206

NUT,3/8"-16

NUT - hex., lock (3/8" - 16 NC)

2шт.

20

132-48

COTTER PIN,1/8" x 1"

Pin, Split (Cotter), , Used with D47251 pin only 1/8" x 1"

2шт.

21

G33770

HYDRAULIC CYLINDER

CYLINDER - calm, R.H. (Parts list Figures 194 and 195A)

1шт.

22

G33771

CYLINDER BLOCK

CYLINDER - clam, L.H. (Parts list Figures 194 and 195A)

1шт.

23

218-5107

90 ELBOW,90 Degree Elbow, 7/8" - 14 Male JIC x 7/8" - 14 Male ORB

- adjustable, 90 degree, Incl. Ref. 24

2шт.

24

237-6010

O-RING,0.097" Thk x 0.755" ID, -910, Cl 6, 90 Duro

SEAL - "O"ring

1шт.

25

D46957

TUBE

- closed end cylinder (R.H.)

1шт.

26

D46955

TUBE

- closed end cylinder (L.H.)

1шт.

27

214-267

HOSE CLAMP,#64, 3.56" - 4.5", Type F Worm

CLAMP - tube

2шт.

28

RESERVED

1шт.

29

218-5107

90 ELBOW,90 Degree Elbow, 7/8" - 14 Male JIC x 7/8" - 14 Male ORB

- adjustable, 90 degree, Incl. Ref. 30

2шт.

30

237-6010

O-RING,0.097" Thk x 0.755" ID, -910, Cl 6, 90 Duro

SEAL -"O"ring

1шт.

31

36547

HOSE

- tube to cylinder (19" long)

4шт.

32

L53591

TUBE,0.625" OD x 34.8, 1.5" L

- tee to cylinder, L.H. lower - R.H. upper

2шт.

33

L53589

TUBE,0.625" OD x 14.8, 1.5" L

- tee to cylinder, L.H. upper - R.H. lower

2шт.

34

218-842

TEE,37 Degree, 7/8"-14 x 7/8"-14, Fem Sw Br

- male

2шт.

35

13-624

BOLT,Hex, 3/8" - 16 x 1-1/2", Gr 5

HHCS - 3/8" - 16 NC x 1-1/2"

3шт.

36

92-6

LOCK WASHER,3/8"

3шт.

37

D40236

CLAMP

- tube

3шт.

37a

33552

V-BELT,0.88" W x 52.80" L

SPACER - clamp

3шт.

38

13-512

BOLT,Hex, 5/16" - 18 x 3/4", Gr 5

2шт.

39

L54273

BRAKCET - decal mounting

1шт.

40

92-5

LOCK WASHER,5/16"

2шт.

41

9635082

NUT,5/16" - 18, Gr 5

- hex. (5/16" - 18 NC)

2шт.

42

321-2479

DECAL - bucket position

1шт.

43

L53855

PIN

- bucket mounting

4шт.

44

219-1

LUBE NIPPLE,1/8" - 27 NPTF

FITTING - grease

1шт.

45

R17756

ROD,12.7mm OD x 109.54mm L

PIN - retaining

4шт.

46

13-828

BOLT,Hex, 1/2" - 13 x 1-3/4", Gr 5

HHCS - 3/8" - 16 NC x 1-1/2"

4шт.

47

131-10

NUT,1/2"-13, GB

NUT - hex., lock (3/8" - 16 NC)

4шт.

48

D46885

TOOTH

- bucket teeth (optional)

7шт.

49

13-832

BOLT,Hex, 1/2" - 13 x 2", Gr 5

Bucket teeth (optional) Hex, 1/2"-13 x 2", G5

7шт.

50

13-836

BOLT,Hex, 1/2" - 13 x 2-1/4", Gr 5

HHCS - 1/2" - 13 NC x 2-1/4", bucket teeth (optional)

7шт.

51

25-108

NUT,1/2"-13, G5

- hex. (1/2" - 13 NC), bucket teeth (optional)

14шт.

Выбрано товаров: 59