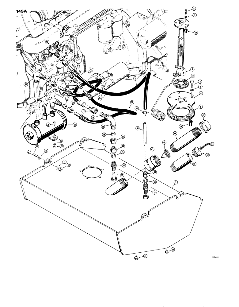
Запчасти Case W14 (149A) - FUEL TANK AND RELATED PARTS, MODELS WITH ELECTRIC FUEL PUMP (03) - FUEL SYSTEM

Схема запчастей Case W14 - (149A) - FUEL TANK AND RELATED PARTS, MODELS WITH ELECTRIC FUEL PUMP (03) - FUEL SYSTEM
FIT
1:1
100%

Артикул

Название

Примечание

Количество

L50727

SPARE PART ASSEMBLY - fuel, Models without instrument cluster, Includes: Ref. 1 - 9

1шт.

L58333

TANK

ASSEMBLY - fuel, Models with instrument cluster, Includes: Ref. 1 - 9

1шт.

1

NSS

NOT SOLD SEPARAT

TANK - fuel

1шт.

2

13-416

BOLT,Hex, 1/4" - 20 x 1", Gr 5

5шт.

3a

L13176

NUT

RIVNUT

5шт.

3

L13176

NUT

WASHER - med. sect. lock (1/4")

5шт.

4

L13193

LARGE PLATE

PLATE, LARGE ASSEMBLY - hand hole cover

1шт.

5

L13195

GASKET

Hand hole cover

1шт.

6

182-532

SCREW,Sl Pan Hd, #10 - 32 x 3/4"

(Replaces 173-240 )

5шт.

7

92-3

LOCK WASHER,#10

5шт.

7a

L13194

NUT

RIVNUT

5шт.

8

L13302

TRANSMITTER

SPARE PART SENDING UNIT - L10727 tank, 12V stamped on back

1шт.

8

L57177

TRANSMITTER

SENDING UNIT - L58333 tank, 90 ohms stamped on housing

1шт.

REF. 8 AND 8A - VENDOR REMOVED STAMPED INFORMATION ON BOTH PARTS.

1шт.

9

A11822

GASKET

Fuel sending unit

1шт.

10

13-828

BOLT,Hex, 1/2" - 13 x 1-3/4", Gr 5

4шт.

11

R24323

WASHER

Hardened

8шт.

12

25-108

NUT,1/2"-13, G5

Hex

4шт.

13

L54565

FUEL TUBE,0.375" OD x 13.5" L

ASSEMBLY - fuel intake, flex type

1шт.

222-638

FITTING,9/16"-24 x 3/8" NPT, Comp

ASSEMBLY - straight male, tube, Includes: Ref. 14 - 16

1шт.

14

NSS

NOT SOLD SEPARAT

BODY - fitting

1шт.

15

222-654

FERRULE,3/8" Tube, Comp

Fitting

1шт.

16

222-664

TUBE NUT,9/16"-24, 45 Degree Fl, Comp

Fitting

1шт.

222-134

ELBOW,90 Degree, 5/8"-24

Flex type, Includes: Ref. 17 - 19

1шт.

17

222-114

NUT,5/8"-24

Hex., flex tube (3/8" O.D. tube)

2шт.

18

222-104

SLEEVE,3/8" Tube

Flex tube

2шт.

19

NSS

NOT SOLD SEPARAT

BODY - elbow, 90 degree

1шт.

20

L54260

HOSE

Tank to pump (13-1/2" long)

1шт.

222-46

ELBOW,90 Degree, 5/8"-24 Fem x 1/8"-27 NPTF

Flex type, Includes: Ref. 21 - 23

2шт.

21

222-114

NUT,5/8"-24

Hex., flex type (3/8" O.D. tube)

1шт.

22

222-104

SLEEVE,3/8" Tube

Flex type

1шт.

23

NSS

NOT SOLD SEPARAT

BODY - elbow, 90 degree

1шт.

24

REF

INSTRUCTION

PUMP - fuel (Parts list Figure 149E)

1шт.

25

13-412

BOLT,Hex, 1/4" - 20 x 3/4", Gr 5, Full Thd

2шт.

26

92-4

LOCK WASHER,1/4"

2шт.

27

25-104

NUT,1/4"-20, G5

2шт.

28

L54259

HOSE

Fuel pump to filter (58" long)

1шт.

222-47

ELBOW,90 Degree, 5/8"-24 Fem x 1/4"-27 NPTF

ASSEMBLY - tube, Includes: Ref. 29 - 31

1шт.

29

NSS

NOT SOLD SEPARAT

BODY - elbow

1шт.

30

NSS

NOT SOLD SEPARAT

SLEEVE - elbow

1шт.

31

222-114

NUT,5/8"-24

Elbow

1шт.

222-642

TEE,3/8"-24 x 1/8" NPT Run x 3/8"-24 BR

ASSEMBLY - male, Includes: Ref. 32 - 34

1шт.

32

NSS

NOT SOLD SEPARAT

BODY - tee

1шт.

33

222-102

SLEEVE,1/4" Tube

Tee

2шт.

34

87017024

TUBE NUT,1/2"-24

Tee

2шт.

35

L48042

HOSE

Fuel return

1шт.

36

214-102

HOSE CLAMP,#7, 7/16", Spring

Self- tightening

1шт.

222-639

FITTING,7/16"-24 x 1/4" NPT, Comp

ASSEMBLY - tube, fuel return, Includes: Ref. 37 - 39

1шт.

37

NSS

NOT SOLD SEPARAT

BODY - fitting

1шт.

38

222-102

SLEEVE,1/4" Tube

1шт.

39

87017024

TUBE NUT,1/2"-24

Fitting

1шт.

40

L50733

TUBE,0.25" OD x 13.7" L

SPARE PART Fuel return

1шт.

41

221-35

DRAIN PLUG,Sq Soc, 3/4"-14 NPTF

1шт.

42

L47929

CAP

Fuel tank, threaded iron (When stock is exhausted, order L53399 cap for service)

1шт.

43

L53399

CAP

Fuel tank (Rubber stopper type with "T" handle)

1шт.

44

L50708

PIPE

Filler extension (When stock is exhausted, order L53397 pipe and L53399 stopper type cap for service)

1шт.

45

L53397

PIPE

Filler extension (Use with L53399 stopper type cap for service only)

1шт.

46

L52650

STRAINER ELEMENT

Fuel

1шт.

47

221-733

FITTING

COUPLING - pipe (replaces 221-1732)

1шт.

48

221-24

DRAIN PLUG,Sq Soc, 1/2"-14 NPTF

Pipe

2шт.

Выбрано товаров: 60