Запчасти Case W14 (089A) - BACK-UP ALARM (04) - ELECTRICAL SYSTEMS

Схема запчастей Case W14 - (089A) - BACK-UP ALARM (04) - ELECTRICAL SYSTEMS
FIT
1:1
100%

Артикул

Название

Примечание

Количество

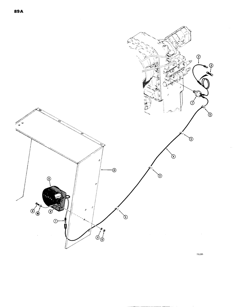
1

L57459

SWITCH

- backup alarm

1шт.

2

L57475

ELECTRICAL WIRE

WIRE - backup alarm switch to starter relay

1шт.

3

223-10

FUSE,10 Amp, Type 3AG

- backup alarm (10 amp)

1шт.

4

L57474

ELECTRICAL WIRE

WIRE - backup alarm, Serial Range: switch-alarm

1шт.

5

L54606

CLIP

- stick-on wire retaining

7шт.

L57528

ALARM

ASSEMBLY - back-up, Includes: Ref. 6 - 8

1шт.

6

NSS

NOT SOLD SEPARAT

ALARM - back-up

1шт.

7

R18653

TERMINAL STRIP

CONNECTOR - male bullet

1шт.

8

223-56

TERMINAL CONNECTOR,10 - 12

EYELET - backup alarm

1шт.

9

13-616

BOLT,Hex, 3/8" - 16 x 1", Gr 5, Full Thd

2шт.

10

95-6

WASHER,3/8"

- flat, 3/8"

2шт.

11

92-6

LOCK WASHER,3/8"

2шт.

12

25-106

NUT,3/8"-16, G5

- hex., 3/8" -16 NC

2шт.

13

REF

INSTRUCTION

FRAME - grille mounting (See Figure 150 for proper frame)

1шт.

Выбрано товаров: 14