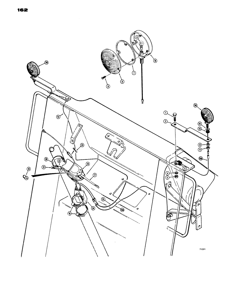
Запчасти Case W14 (162) - TURN SIGNAL AND FLASHER LIGHT WITHOUT CAB (04) - ELECTRICAL SYSTEMS

Схема запчастей Case W14 - (162) - TURN SIGNAL AND FLASHER LIGHT WITHOUT CAB (04) - ELECTRICAL SYSTEMS
FIT
1:1
100%

Артикул

Название

Примечание

Количество

1

13-832

BOLT,Hex, 1/2" - 13 x 2", Gr 5

2шт.

2

L48046

BRACKET - signals

2шт.

3

51200330

CLAMP

CLIP - tube

2шт.

4

92-8

LOCK WASHER,1/2"

2шт.

5

25-108

NUT,1/2"-13, G5

- hex. (1/2" - 13 NC)

2шт.

5a

L43738

INTERIOR LIGHT

LIGHT - flasher, double face, Includes: Ref. 6 - 14

2шт.

L32214

LENS

KIT - light, flasher, Includes: Ref. 6 - 8

2шт.

6

NSS

NOT SOLD SEPARAT

LENS - light, flasher

1шт.

7

NSS

NOT SOLD SEPARAT

GASKET - lens

1шт.

8

NSS

NOT SOLD SEPARAT

SCREW - special

3шт.

9

L32257

BULB

- 24V. (#307)

1шт.

10

NSS

NOT SOLD SEPARAT

BODY - light, flasher (Double face)

1шт.

11

129-125

NUT,1/2"-20, G5

1шт.

12

192-23

LOCK WASHER,1/2"

WASHER, LOCK, 1/2"

1шт.

13

L32256

WASHER

- rubber

1шт.

14

195-105

WASHER,7/16"

- standard wrot (Zinc plated)

1шт.

15

L17325

WIRE - green

1шт.

15a

L17326

WIRE HARNESS

WIRE ASSEMBLY - red

1шт.

16

214-258

HOSE CLAMP,#28, 1.31" - 2.25", Type F Worm

- flasher switch #28, 1.31/2.25 Type F Worm

2шт.

17

L52823

SIGNAL

- turn and flasher (See Figure 160 for service), Includes: Ref. 18 - 24

1шт.

18

NSS

NOT SOLD SEPARAT

SWITCH - turn signal

1шт.

19

A14928

BULB

- 24V. (#356)

1шт.

20

L32658

STRAP

- mounting, signal

1шт.

L32659

KIT

HARDWARE PACKAGE - mounting, turn signal, Includes: Ref. 21 and 22

1шт.

21

169-148

SCREW,Sl Fil Hd, #8 - 32 x 1"

- flat head machine (#8 - 32 NC x 1")

2шт.

22

NSS

NOT SOLD SEPARAT

CLIP - strap mounting

2шт.

23

223-6

FUSE,6 Amp, Type 3AG

- 6 amp (#AGC 6)

1шт.

24

L32657

FLASHER UNIT

FLASHER - signal (When stock is exhausted order L59781)

1шт.

24

L59781

FLASHER UNIT

FLASHER - signal

1шт.

Выбрано товаров: 29