Запчасти Case W14 (082) - TRANSMISSION HYDRAULIC SYSTEM, L47141 TRANSMISSION OIL (06) - POWER TRAIN

Схема запчастей Case W14 - (082) - TRANSMISSION HYDRAULIC SYSTEM, L47141 TRANSMISSION OIL (06) - POWER TRAIN
FIT
1:1
100%

Артикул

Название

Примечание

Количество

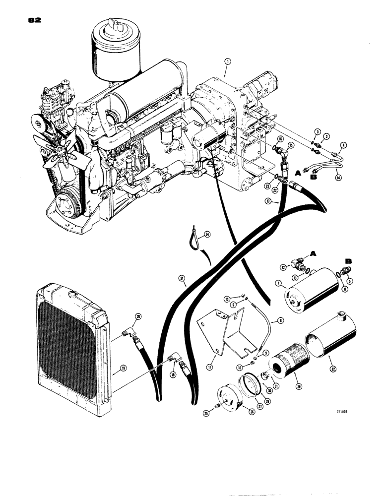
1

L50106

TRANSMISSION

ASSEMBLY - complete (Parts list Figures 65 - 81) Before trans. Sn. 51482

1шт.

L55662

TRANSMISSION

ASSEMBLY - complete (Transmission Sn. 51482 and after) Parts list Figures 064 - 080

1шт.

2

218-5064

HYD CONNECTOR,1-1/16" - 12 Male JIC x 1-1/16" - 12 Male ORB

CONNECTOR - male, straight, Incl. Ref. 3

2шт.

3

218-5008

O-RING,0.116" Thk x 0.924" ID, -912, Cl 6, 90 Duro

SEAL - "O"ring

1шт.

4

L52974

TUBE

- supply, transmission to oil filter

1шт.

5

218-5064

HYD CONNECTOR,1-1/16" - 12 Male JIC x 1-1/16" - 12 Male ORB

CONNECTOR - male, straight, Incl. Ref. 6

1шт.

6

218-5008

O-RING,0.116" Thk x 0.924" ID, -912, Cl 6, 90 Duro

SEAL - "O"ring

1шт.

7

L47141

NO LONGER SERVICED

FILTER ASSEMBLY - transmission oil (See parts list below)

1шт.

8

L52433

CLAMP

BOLT - "U" (filter mounting)

1шт.

9

92-6

LOCK WASHER,3/8"

2шт.

10

25-106

NUT,3/8"-16, G5

- hex. (3/8" - 16 NC)

2шт.

11

L52967

BRACKET

- filter mounting

1шт.

12

218-5108

ELBOW,90 Degree Elbow, 1-1/16" - 12 Male JIC x 1-1/16" - 12 Male ORB

- adjustable, male (90), Incl. Ref. 13

1шт.

13

218-5008

O-RING,0.116" Thk x 0.924" ID, -912, Cl 6, 90 Duro

SEAL - "O"ring

1шт.

14

L52978

TUBE

- return, oil, Serial Range: filter-transmission

1шт.

15

218-5108

ELBOW,90 Degree Elbow, 1-1/16" - 12 Male JIC x 1-1/16" - 12 Male ORB

- adjustable, male (90 degrees), Incl. Ref. 16

1шт.

16

218-5008

O-RING,0.116" Thk x 0.924" ID, -912, Cl 6, 90 Duro

SEAL - "O"ring

1шт.

17

L48529

HOSE

- transmission to radiator (68" long)

1шт.

18

221-415

ELBOW,90 Degree, 3/4"-14, NPT

Street 90º, 3/4"-14, NPT

1шт.

19

L52525

RADIATOR

- engine and transmission cooling (See Figure 042 for related parts)

1шт.

20

221-415

ELBOW,90 Degree, 3/4"-14, NPT

Street 90º, 3/4"-14, NPT

1шт.

21

L51050

HOSE

- radiator to transmission (78" long)

1шт.

22

218-5064

HYD CONNECTOR,1-1/16" - 12 Male JIC x 1-1/16" - 12 Male ORB

CONNECTOR - male, straight, Incl. Ref. 23

1шт.

23

218-5008

O-RING,0.116" Thk x 0.924" ID, -912, Cl 6, 90 Duro

SEAL - "O"ring

1шт.

24

L18331

CABLE TIE,375.9mm L, Nylon, Black

TIE WIRE - cooler hose

1шт.

L47141

NO LONGER SERVICED

FILTER ASSEMBLY - transmission oil, Includes: Ref. 25 - 32

1шт.

25

221-1011

DRAIN PLUG,Sq Hd, 1/8"-27 NPTF

PLUG - pipe, square head (1/8" NPT), L47141 transmission oil filter

1шт.

26

A60765

CAP

- filter, L47141 transmission oil filter

1шт.

A61234

HYDRAULIC OIL FILTER

ELEMENT REPLACEMENT KIT - transmission oil filter, L47141, Includes: Ref. 27 - 32

1шт.

27

G32176

BACK-UP RING,101.22mm ID x 107.32mm OD x 1.4mm Thk

Cap seal, L47141 Transmission oil filter

1шт.

28

A27507

O-RING,0.139" Thk x 3.984" ID, -242, Cl 5, 75 Duro

SEAL - "O" ring, cap, L47141 transmission oil filter

1шт.

29

NSS

NOT SOLD SEPARAT

ELELMENT - filter, L47141 transmission oil filter

1шт.

30

D31212

SPRING

- retaining, relief valve (replaces 31212), L47141 transmission oil filter

1шт.

31

D37207

VALVE

- relief, L47141 transmission oil filter

1шт.

32

A60767

BODY

- filter, L47141 transmission oil filter

1шт.

Выбрано товаров: 35