Запчасти Case W14 (090) - FRONT AXLE DRIVE SHAFT (AXLE END), FRONT DRIVE SHAFT CENTER (06) - POWER TRAIN

Схема запчастей Case W14 - (090) - FRONT AXLE DRIVE SHAFT (AXLE END), FRONT DRIVE SHAFT CENTER (06) - POWER TRAIN
FIT
1:1
100%

Артикул

Название

Примечание

Количество

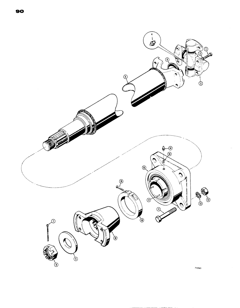
L51020

SHAFT

ASSEMBLY - drive, front axle, Includes: Ref. 1 - 9

1шт.

1

L31781

BOLT

BOLT - special, spider and bearing to drive shaft yoke and front axle flange

8шт.

2

192-161

LOCK WASHER,3/8"

WASHER, LOCK, 3/8"

8шт.

L31776

SPIDER

SPIDER AND BEARING ASSEMBLY - drive shaft, Includes: Ref. 3 and 4

1шт.

3

NSS

NOT SOLD SEPARAT

SPIDER AND BEARING - drive shaft

1шт.

4

219-1

LUBE NIPPLE,1/8" - 27 NPTF

FITTING - grease, straight (1/8" NPT)

1шт.

5

L33947

DRIVE SHAFT

TUBE AND YOKE - drive shaft

1шт.

6

41-20

PLUG,Exp, 1 1/4"

- expansion (1-1/4")

1шт.

7

132-59

PIN

- cotter, 1/8" dia. x 2-1/2"

1шт.

8

L33629

SPECIAL NUT

- hex., slotted (Special)

1шт.

9

D28266

WASHER

- plain (Special)

1шт.

10

L48916

YOKE

- front drive shaft to center drive shaft

1шт.

11

13-928

BOLT,Hex, 9/16" - 12 x 1-3/4", Gr 5

HHCS - 9/16" -12 NC x 1-3/4", front drive shaft center bearing

4шт.

12

92-9

BEARING WASHER,9/16"

Front drive shaft center bearing 9/16"

4шт.

13

25-109

NUT,9/16"-12, G5

- HEX. (9/16" - 12 NC), front drive shaft center bearing

4шт.

L47724

HOUSING, BEARING,2" ID x 4.5625" OD x 2.21875"

BEARING SUPPORT ASSEMBLY - front drive shaft center bearing, Includes: Ref. 14 - 19

1шт.

14

219-1

LUBE NIPPLE,1/8" - 27 NPTF

FITTING - grease, straight (1/8" NPT), front drive shaft center bearing

1шт.

15

NSS

NOT SOLD SEPARAT

HOUSING - bearing, front drive shaft center bearing

1шт.

16

L33787

KIT

PIN - lock, 1/4" dia., front drive shaft center bearing

1шт.

L33787

KIT

- repair, bearing and collar, front drive shaft center bearing, Includes: Ref. 17 - 19

1шт.

17

NSS

NOT SOLD SEPARAT

BEARING AND SEAL ASSY. - center bearing, front drive shaft center bearing

1шт.

18

L33789

COLLAR

- bearing, front drive shaft center bearing

1шт.

19

61-416

HEX SOC SCREW,1/4"-20 x 1"

CAP SCREW - hex. socket head (1/4" - 20 NC x 1") (replaces 61-48), front drive shaft center bearing

1шт.

Выбрано товаров: 23