Запчасти Case W14 (230) - CAB FRONT WIPERS, USED ON PIN 9154965 AND AFTER, FRONT WIPER- INCLUDED IN CAB S/N 52650 AND AFTER (04) - ELECTRICAL SYSTEMS

Схема запчастей Case W14 - (230) - CAB FRONT WIPERS, USED ON PIN 9154965 AND AFTER, FRONT WIPER- INCLUDED IN CAB S/N 52650 AND AFTER (04) - ELECTRICAL SYSTEMS
FIT
1:1
100%

Артикул

Название

Примечание

Количество

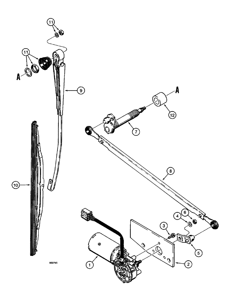
N9863

MOTOR ASSEMBLY - front wiper, NSS, order components for service, Includes: Ref. 1 - 6

1шт.

1

F96877

WIPER MOTOR

MOTOR - front wiper

1шт.

2

N9864

PLATE

BRACKET - wiper

1шт.

3

N8362

CAPTIVE WASHER SCREW,Hex, M6 x 18.50mm, Gr 10.9

SCREW AND WASHER - special

3шт.

4

N8361

SPRING WASHER

- wave

1шт.

5

N8360

SUPPORT

ARM - drive

1шт.

6

825-1408

NUT,M8, Cl 8

1шт.

7

N9868

PIVOT

- wiper

1шт.

8

N9866

LINK

- wiper

1шт.

9

N9867

ARM

- wiper

1шт.

10

N9865

WIPER BLADE

BLADE - wiper

1шт.

11

N8355

SET OF PARTS

KIT - mounting

1шт.

12

N9878

SPACER

- pivot

1шт.

Выбрано товаров: 13