Запчасти Case W14 (236) - BACKUP ALARM, USED ON PIN 9154965 AND AFTER (04) - ELECTRICAL SYSTEMS

Схема запчастей Case W14 - (236) - BACKUP ALARM, USED ON PIN 9154965 AND AFTER (04) - ELECTRICAL SYSTEMS
FIT
1:1
100%

Артикул

Название

Примечание

Количество

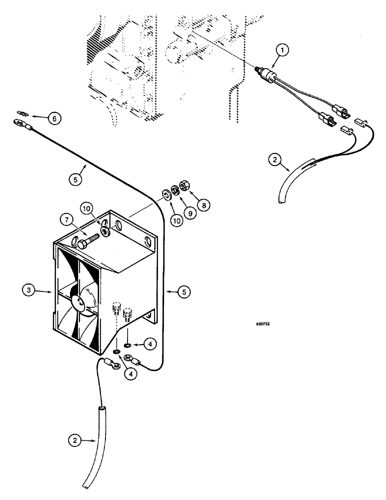
1

L112588

SWITCH

- backup alarm

1шт.

2

REF

INSTRUCTION

HARNESS - rear, see figure168

1шт.

3

L109087

HOUSING

ALARM ASSEMBLY - backup

1шт.

4

193-119

LOCK WASHER,Ext-Int Tooth, #8

WASHER - internal-external tooth lock, No. 8, plated

2шт.

5

L114649

HARNESS

WIRE - ground

1шт.

6

193-73

LOCK WASHER,Ext-Int Tooth, 1/4"

WASHER - internal-external tooth lock, 1/4", plated

1шт.

7

13-516

BOLT,Hex, 5/16" - 18 x 1", Gr 5

2шт.

8

9635082

NUT,5/16" - 18, Gr 5

- hex, 5/16"-18 NC

2шт.

9

92-5

LOCK WASHER,5/16"

2шт.

10

95-5

WASHER,3/8" x 7/8" x .083"

- flat, 5/16"

4шт.

Выбрано товаров: 10