Запчасти Case W14 (270) - L110544 EQUIPMENT AND STEERING PUMP, USED BEFORE PIN 9151870 (05) - STEERING

Схема запчастей Case W14 - (270) - L110544 EQUIPMENT AND STEERING PUMP, USED BEFORE PIN 9151870 (05) - STEERING
FIT
1:1
100%

Артикул

Название

Примечание

Количество

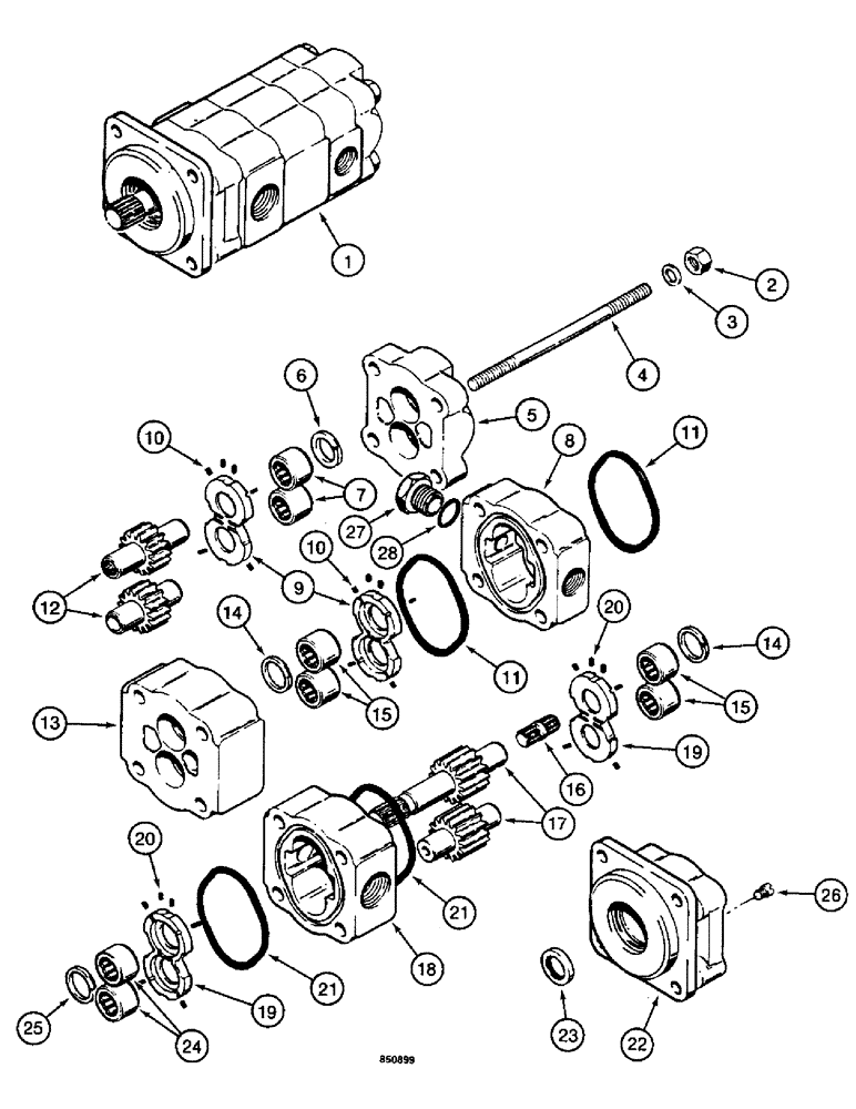
1

L110544

PUMP

ASSEMBLY - loader and steering, Commercial Shearing part No. C-P30B-58, Includes: Ref. 2 - 26

1шт.

GASKET FOR L110544 IS A12304

1шт.

2

86625068

NUT,5/8"-11, G8

- hex, 5/8"-11 NC

4шт.

3

D31957

WASHER

- special

4шт.

4

L35345

STUD

- 5/8"-11 NC x 10-1/2"

4шт.

L32109

COVER

ASSEMBLY - closed end, Includes: Ref. 5 - 7

1шт.

5

NSS

NOT SOLD SEPARAT

COVER - pump end

1шт.

6

L32096

RING

- seal, bronze

1шт.

7

L32097

BEARING, ROLLER, CYL

- roller

2шт.

L35344

PACKAGE,SERVICE

HOUSING ASSEMBLY - gear, closed end, Includes: Ref. 8 - 11

1шт.

8

NSS

NOT SOLD SEPARAT

HOUSING - gear

1шт.

9

L32101

PLATE

- thrust

2шт.

10

L32099

SEAL

- pocket

12шт.

11

L32100

SEAL,Square, 3.17mm Thk x 101.6mm ID, 70 Duro

- gasket

2шт.

12

L35343

GEAR

SET - matched, 1-1/4" (32 mm) wide

1шт.

L35342

BALL RACE

HOUSING ASSEMBLY - gear, center, Includes: Ref. 13 - 15

1шт.

13

NSS

NOT SOLD SEPARAT

HOUSING - gear

1шт.

14

L32096

RING

SEAL - ring

2шт.

15

L32097

BEARING, ROLLER, CYL

ASSEMBLY - roller

4шт.

16

L32104

SHAFT

- connecting

1шт.

17

L35340

GEAR

SET - matched, 2" (51 mm) wide

1шт.

L35341

SET

HOUSING ASSEMBLY - gear, shaft end, Includes: Ref. 18 - 21

1шт.

18

NSS

NOT SOLD SEPARAT

HOUSING - gear

1шт.

19

L32101

PLATE

- thrust

2шт.

20

L32099

SEAL

- pocket

12шт.

21

L32100

SEAL,Square, 3.17mm Thk x 101.6mm ID, 70 Duro

- gasket

2шт.

L35474

COVER

ASSEMBLY - shaft end, Inlcudes: Ref. 22 - 26

1шт.

22

W15811

COVER ASSY

COVER - shaft

1шт.

23

L32418

SEAL,26.99mm ID x 42.93mm OD x 7.92mm Thk

- lip

1шт.

24

L32097

BEARING, ROLLER, CYL

ASSEMBLY - roller

2шт.

25

L32096

RING

SEAL - ring

1шт.

26

L32320

PLUG

- special

1шт.

27

218-5158

PLUG,Hex Hd, 1 1/16"-12 ORB

3/4", Includes: Ref. 28 Hex Hd, 1 1/16"-12 ORB

1шт.

28

218-5008

O-RING,0.116" Thk x 0.924" ID, -912, Cl 6, 90 Duro

- plug

1шт.

Выбрано товаров: 34