Запчасти Case W14 (276) - TRANSMISSION CONTROL PARTS, CABLE AND CABLE MOUNTING, USED (06) - POWER TRAIN

Схема запчастей Case W14 - (276) - TRANSMISSION CONTROL PARTS, CABLE AND CABLE MOUNTING, USED (06) - POWER TRAIN
FIT
1:1
100%

Артикул

Название

Примечание

Количество

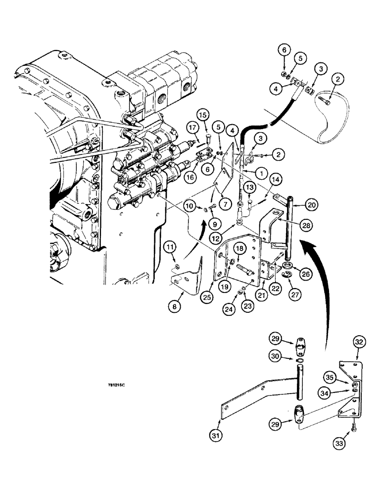
1

L112447

CABLE,1346.2mm L

ASSEMBLY - transmission shift control

1шт.

2

163-12

SCREW,Hex, #10 - 24 x 3/4"

MACHINE SCREW - hex head, No. 10 - 24 NC x 3/4"

1шт.

3

L40314

CLAMP

- transmission shift control cable

1шт.

4

L40315

SHIM,5.55mm ID x 12.7mm OD x 2.28mm Thk

- cable clamping

1шт.

5

92-3

LOCK WASHER,#10

WASHER, LOCK, #10

1шт.

6

129-7

NUT,Hex, #10 - 24

- hex, No. 10 - 24 NC

1шт.

7

L54150

BRACKET

- cable mount, Serial Range: -9129100

1шт.

8

L109580

BRACKET

- cable mount, Start Serial: 9129100

1шт.

9

13-618

BOLT,Hex, 3/8" - 16 x 1-1/8", Gr 5

1шт.

10

92-6

LOCK WASHER,3/8"

1шт.

11

95-6

WASHER,3/8"

- flat, 3/8"

1шт.

12

213-2

ADJUSTABLE CLEVIS,1/4"-28 x 2"

CLEVIS - cable end

1шт.

13

141-2

CLEVIS PIN,1/4" x .770"

- 1/4"

1шт.

14

132-6

COTTER PIN,1/16" x 5/8"

Pin, Split (Cotter) 1/16" x 5/8"

1шт.

15

141-4

CLEVIS PIN,3/8" x 1.060"

PIN, CLEVIS, 3/8" x 1.060"

1шт.

16

L47832

LINK

- transmission control, at transmission

1шт.

17

132-26

COTTER PIN

Pin, Split (Cotter), 3/32" x 3/4"

1шт.

18

13-1032

BOLT,Hex, 5/8" - 11 x 2", Gr 5

1шт.

19

92-10

LOCK WASHER,5/8"

WASHER, LOCK, 5/8"

1шт.

20

L57835

CRANK LEVER

BELLCRANK - transmission control, Serial Range: -9129100

1шт.

21

L51603

BRACKET

- bellcrank, lower, Serial Range: -9129100

1шт.

22

13-520

BOLT,Hex, 5/16" - 18 x 1-1/4", Gr 5

- hex head, 5/16"-18 NC x 1-1/4", Serial Range: -9129100

4шт.

23

92-5

LOCK WASHER,5/16"

, Serial Range: -9129100

4шт.

24

9635082

NUT,5/16" - 18, Gr 5

- hex, 5/16"-18 NC, Serial Range: -9129100

4шт.

25

L52490

BRACKET

- transmission shifting parts, Serial Range: -9129100

1шт.

26

A26376

WASHER

- special, Serial Range: -9129100

2шт.

27

A31191

CIRCLIP

RETAINING RING - bellcrank, Serial Range: -9129100

2шт.

28

L51603

BRACKET

- bellcrank, upper, Serial Range: -9129100

1шт.

29

L48412

FLANGED BEARING

BEARING - self-aligning, Start Serial: 9129100

2шт.

30

T25683

SNAP RING,#75, Ext

Ring, Snap, #75, Ext, Start Serial: 9129100

1шт.

31

L77843

PLATE

BELLCRANK - transmission control, Start Serial: 9129100

1шт.

32

L77844

LARGE PLATE

PLATE - pivot, Start Serial: 9129100

1шт.

33

13-512

BOLT,Hex, 5/16" - 18 x 3/4", Gr 5

, Start Serial: 9129100

4шт.

34

92-5

LOCK WASHER,5/16"

, Start Serial: 9129100

4шт.

35

9635082

NUT,5/16" - 18, Gr 5

- hex, 5/16"-18 NC, Start Serial: 9129100

4шт.

Выбрано товаров: 35