Запчасти Case W14 (288) - TRANSMISSION AND TRANSMISSION MOUNTS (06) - POWER TRAIN

Схема запчастей Case W14 - (288) - TRANSMISSION AND TRANSMISSION MOUNTS (06) - POWER TRAIN
FIT
1:1
100%

Артикул

Название

Примечание

Количество

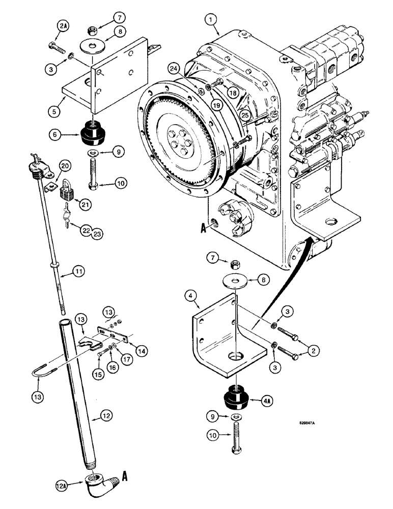
1

L100802

TRANSMISSION

ASSEMBLY - complete, parts list figures 290-312, used on PIN 9133321, 9133322, 9133349-9133351 and 9133362, 9133365, 9133374-9133425, 9133427-9151869

1шт.

1

L55662

TRANSMISSION

ASSEMBLY - complete, parts list figures 290-312, used before PIN 9133427 except for the special parts identification numbers listed ro L100802 above

1шт.

1

L109866

TRANSMISSION

ASSEMBLY - complete, parts list figures 290-312, used on PIN 9151972 and 9151974

1шт.

1

L114379

TRANSMISSION

ASSEMBLY - complete, parts list figures 290-312, used on PIN 9151870 and after, except PIN 9151972 and 9151974

1шт.

2

13-1032

BOLT,Hex, 5/8" - 11 x 2", Gr 5

4шт.

2a

13-1028

BOLT,Hex, 5/8" - 11 x 1-3/4", Gr 5, Full Thd

4шт.

3

92-10

LOCK WASHER,5/8"

WASHER, LOCK, 5/8"

8шт.

1

L115433

SUPPORT

BRACKET ASSEMBLY - right-hand, Includes: Ref. 4 and 4A

1шт.

4

NSS

NOT SOLD SEPARAT

BRACKET - transmission mount

1шт.

4a

A19066

MOUNTING PARTS

MOUNT - transmission, rubber

1шт.

1

L115466

SUPPORT

BRACKET ASSEMBLY - left-hand, Includes: Ref. 5 and 6

1шт.

5

NSS

NOT SOLD SEPARAT

BRACKET - transmission mount

1шт.

6

A19066

MOUNTING PARTS

MOUNT - transmission, rubber

1шт.

7

131-16

LOCK NUT,3/4"-10, GB

LOCKNUT, 3/4"-10, GB

2шт.

8

A19068

WASHER

- special, shock mount retaining

2шт.

9

95-12

WASHER,3/4"

- flat, 3/4"

2шт.

10

13-1264

BOLT,Hex, 3/4" - 10 x 4", Gr 5

2шт.

11

L112387

DIPSTICK

- transmission oil level

1шт.

12

L53873

PIPE

- transmission filler

1шт.

12a

221-417

ELBOW,90 Degree, 1 1/4"-11 1/2, NPT

- 90 degree, 1-1/4" NPT

1шт.

13

L14262

CLAMP

U-BOLT AND HARDWARE - transmission filler

1шт.

14

L72533

BRACKET

-, Serial Range: clamp-transmission

1шт.

15

13-722

BOLT,Hex, 7/16" - 14 x 1-3/8", Gr 5

1шт.

16

92-7

LOCK WASHER,7/16"

1шт.

17

95-7

WASHER,7/16"

- flat, 7/16"

1шт.

18

13-620

BOLT,Hex, 3/8" - 16 x 1-1/4", Gr 5, Full Thd

10-12шт.

19

92-6

LOCK WASHER,3/8"

12шт.

20

L55049

SUPPORT

BRACKET - locking, if used

1шт.

21

D93753

PADLOCK

- includes keys, if used, Includes: Ref. 22 and 23

1шт.

22

D93751

SET OF 2 KEYS

KEY - for Yale padlock, if used

2шт.

23

R29555

KEY

- for Master padlock, if used

2шт.

24

95-6

WASHER,3/8"

- flat, , used with wiring harness clamp 3/8"

1шт.

25

13-624

BOLT,Hex, 3/8" - 16 x 1-1/2", Gr 5

- hex head, 3/8"-16 NC x 1-1/2", used on models with vertically mounted transmission oil filter

2шт.

Выбрано товаров: 33