Запчасти Case W14 (314) - FRONT AXLE DRIVE SHAFT, (AXLE END), L106070 DRIVE SHAFT (06) - POWER TRAIN

Схема запчастей Case W14 - (314) - FRONT AXLE DRIVE SHAFT, (AXLE END), L106070 DRIVE SHAFT (06) - POWER TRAIN
FIT
1:1
100%

Артикул

Название

Примечание

Количество

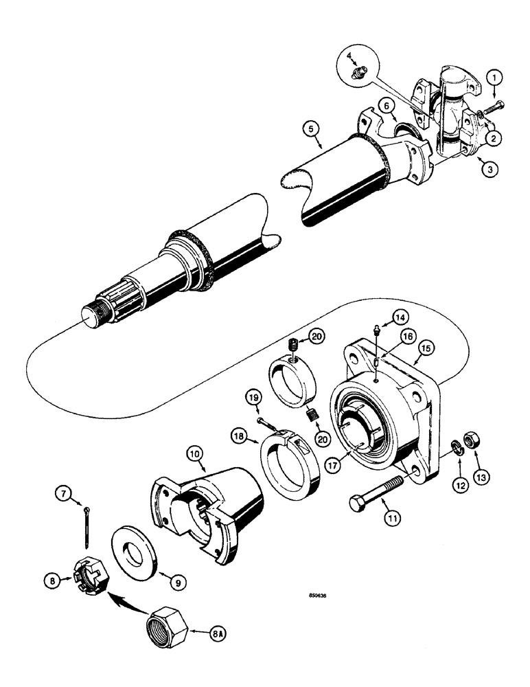
L51020

SHAFT

DRIVE SHAFT ASSEMBLY - front axle, uses 132-59 cotter pin and L33629 slotted nut, Refs. 7 and 8, if used, Includes: Ref. 1 - 9

1шт.

L115670

DRIVE SHAFT

ASSEMBLY - front axle, uses N9217 nut, Ref. 8A, if used, Includes: Ref. 1 - 9

1шт.

1

28-632

BOLT,Hex, 3/8" - 24 x 2", Gr 8

- hex head, 3/8"-24 NF x 2"

8шт.

2

192-161

LOCK WASHER,3/8"

WASHER, LOCK, 3/8"

8шт.

L31776

SPIDER

SPIDER AND BEARING ASSEMBLY - drive shaft, Includes: Ref. 3 and 4

1шт.

3

NSS

NOT SOLD SEPARAT

SPIDER AND BEARING - drive shaft

1шт.

4

219-1

LUBE NIPPLE,1/8" - 27 NPTF

GREASE FITTING - straight, 1/8" NPT

1шт.

5

L33947

DRIVE SHAFT

TUBE AND YOKE - drive shaft

1шт.

6

41-20

PLUG,Exp, 1 1/4"

- expansion, 1-1/4", if used

1шт.

7

132-59

PIN

COTTER PIN - 1/8" x 2-1/2", used with L51020 drive shaft, if used

1шт.

8

L33629

SPECIAL NUT

- hex, slotted, used with L51020 drive shaft, if used

1шт.

8a

N9217

FLANGE NUT

NUT - special, replaces 132-59 cotter pin and L33629 nut, Refs. 7 and 8, if used

1шт.

9

D28266

WASHER

- flat, special

1шт.

10

L48916

YOKE

- front drive shaft to center drive shaft

1шт.

11

13-928

BOLT,Hex, 9/16" - 12 x 1-3/4", Gr 5

- hex head, 9/16"-12 NC x 1-3/4", L106070 drive shaft support bearing

4шт.

12

92-9

BEARING WASHER,9/16"

L106070 drive shaft support bearing 9/16"

4шт.

13

25-109

NUT,9/16"-12, G5

- hex, 9/16"-12 NC, L106070 drive shaft support bearing

4шт.

L106070

FLANGED BEARING

BEARING SUPPORT ASSEMBLY - front drive shaft, uses set screws, L106070 drive shaft support bearing, Includes: Ref. 14 - 20

1шт.

14

219-1

LUBE NIPPLE,1/8" - 27 NPTF

GREASE FITTING - straight, 1/8" NPT, L106070 drive shaft support bearing

1шт.

15

NSS

NOT SOLD SEPARAT

HOUSING - bearing, may have holes for set screws instead of slots, L106070 drive shaft support bearing

1шт.

16

L33788

AXLE PIN

PIN - lock, L106070 drive shaft support bearing

1шт.

L33787

KIT

- repair, bearing and collar, converts from set screws to collar arrangement, L106070 drive shaft support bearing, Includes: Ref. 17 - 19

1шт.

17

NSS

NOT SOLD SEPARAT

BEARING AND SEAL - center bearing, L106070 drive shaft support bearing

1шт.

Original production bearings may have holes for set screws (Ref. 20) instead of slots.

1шт.

18

L33789

COLLAR

- bearing, L106070 drive shaft support bearing

1шт.

19

61-48

HEX SOC SCREW,1/4"-20 x 1/2"

SCREW - hex socket head, 1/4"-20 NC x 1", if used, L106070 drive shaft support bearing

1шт.

20

84-65

SET SCREW,Hex Soc, 3/8"-24 x 5/16"

- 3/8"-24 NF x 5/16", L106070 drive shaft support bearing

2шт.

Выбрано товаров: 27